Использование Shelly Pro 2/2PM V1 с несколькими переключателями для управления двумя светильниками.
Перед использованием прочтите
[править]Этот документ содержит важную техническую информацию и информацию по технике безопасности об устройстве, его безопасном использовании и установке.
⚠ ВНИМАНИЕ! Перед началом установки внимательно и полностью прочтите это руководство и любые другие документы, прилагаемые к устройству. Несоблюдение процедур установки может привести к неисправности, опасности для вашего здоровья и жизни, нарушению закона или отказу в предоставлении юридической и/или коммерческой гарантии (если таковая имеется). Компания Shelly Europe Ltd не несет ответственности за любые потери или повреждения в случае неправильной установки или неправильной эксплуатации данного устройства из-за несоблюдения инструкций по эксплуатации и технике безопасности, содержащихся в данном руководстве.
Введение в Shelly®
[править]Shelly® — это линейка инновационных устройств с микропроцессорным управлением, позволяющих дистанционно управлять электрическими цепями с помощью мобильного телефона, планшета, ПК или системы домашней автоматизации. Устройства Shelly® могут работать автономно в локальной сети Wi-Fi или управляться через облачные сервисы домашней автоматизации. Shelly Cloud — это сервис, доступ к которому можно получить с помощью мобильного приложения для Android или iOS, а также через любой интернет-браузер по адресу: https://home.shelly.cloud/ . Устройства Shelly® можно удаленно контролировать, управлять ими и отслеживать из любого места, где у пользователя есть доступ к интернету, при условии, что устройства подключены к Wi-Fi-роутеру и интернету. При прямом подключении к точке доступа устройства или по IP-адресу устройства в локальной сети Wi-Fi пользователь может получить доступ к встроенному веб-интерфейсу устройства Shelly® по адресу: http://192.168.33.1 . Встроенный веб-интерфейс можно использовать для мониторинга и управления устройством, а также для настройки его параметров. Устройства Shelly® могут напрямую взаимодействовать с другими устройствами Wi-Fi по протоколу HTTP. API предоставляется компанией Shelly Europe Ltd. Для получения дополнительной информации посетите: https://shelly-api-docs.shelly.cloud/#shelly-family-overview . Устройства Shelly® поставляются с предустановленной на заводе прошивкой. Если для обеспечения соответствия устройств требованиям, включая обновления безопасности, необходимы обновления прошивки, Shelly Europe Ltd предоставит обновления бесплатно через встроенный веб-интерфейс устройства или мобильное приложение Shelly, где доступна информация о текущей версии прошивки. Решение об установке или неустановке обновлений прошивки устройства является исключительной ответственностью пользователя. Shelly Europe Ltd не несет ответственности за любое несоответствие устройства требованиям, вызванное несвоевременной установкой пользователем предоставленных обновлений. Устройства Shelly® Pro монтируются на DIN-рейку внутри распределительного щита и идеально подходят для нового строительства. Все устройства Shelly® Pro можно контролировать и отслеживать через Wi-Fi и LAN-соединения. Для добавления устройств можно использовать Bluetooth-соединение.
Управление домом с помощью голоса
[править]Устройства Shelly® совместимы с функциями Amazon Alexa и Google Home. Пожалуйста, ознакомьтесь с нашим пошаговым руководством по адресу: https://shelly.cloud/support/compatibility/
Пример использования
[править]В этом примере использования объясняется, как с помощью Shelly Pro 2/2PM
(устройство) Shelly Pro 2PM можно включать/выключать два светильника в комнате, коридоре или зале с помощью мобильного устройства и/или нескольких физических выключателей в ключевых местах. Узнайте больше о 'Shelly Pro 2' и 'Shelly Pro 2PM
Установка
[править]⚠ВНИМАНИЕ! Опасность поражения электрическим током. Монтаж/установка устройства в электросеть должна выполняться с осторожностью квалифицированным электриком!
⚠ВНИМАНИЕ! Опасность поражения электрическим током. Любые изменения в соединениях должны производиться после проверки отсутствия напряжения на клеммах устройства!
⚠ВНИМАНИЕ! Используйте устройство только с электросетью и приборами, соответствующими всем действующим нормам. Короткое замыкание в электросети или любом приборе, подключенном к устройству, может повредить устройство!
⚠ВНИМАНИЕ! Устройство может быть подключено к электрическим цепям и приборам и управлять ими только в том случае, если они соответствуют соответствующим стандартам и нормам безопасности!
⚠ВНИМАНИЕ! Не подключайте устройство к приборам, превышающим указанную максимальную нагрузку!
⚠ВНИМАНИЕ! Подключайте устройство только так, как показано в данной инструкции. Любой другой способ может привести к повреждению и/или травме!
⚠ВНИМАНИЕ! Не используйте устройство, если оно повреждено!
⚠ВНИМАНИЕ! Не пытайтесь самостоятельно обслуживать или ремонтировать устройство!
Монтаж
[править]⚠ВНИМАНИЕ! Перед монтажом устройства отключите автоматические выключатели и убедитесь в отсутствии напряжения на их клеммах. Это можно сделать с помощью фазового тестера или мультиметра. Убедившись в отсутствии напряжения, можно приступать к монтажу и подключению устройства.
Установка устройства на DIN-рейку
Откройте монтажный кронштейн, нажав на него изнутри (
A
) или вытащив его с помощью отвертки (
B
), как показано на изображении выше.
Установите Shelly Pro 1/1PM на DIN-рейку
(1)
и сдвиньте монтажный кронштейн назад, чтобы закрепить Shelly Pro 1/1PM на DIN-рейке
(2)
.
Подключение
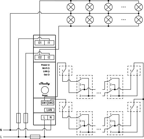
[править]Легенда
[править]| Клеммы | Кабели | ||
|---|---|---|---|
| I1, I2 | Входные клеммы цепи нагрузки | L | Линия фазы (110-240 В) |
| O1, O2 | Выходные клеммы цепи нагрузки | N | Нейтральная линия |
| SW1, SW2 | Входы переключателей/кнопок | ||
| L | Клемма фазы (110-240 В) | ||
| N | Клемма нейтрали | ||
| LAN | Разъем RJ 45 для локальной сети |
Подключения
[править]Создайте каждую из двух цепей освещения, соединив все лампы параллельно, как показано на схеме выше. Подсоедините кабель цепи нейтрали освещения к Нейтрали линии.
Подключите первый провод питания цепи освещения к клемме устройства O1 , а второй провод питания цепи освещения — к клемме устройства O2 . Подключите клемму устройства N к линии N . Установите автоматический выключатель для первой цепи освещения. Выберите автоматический выключатель с номинальным током, соответствующим мощности подключенного освещения. Подключите входную клемму автоматического выключателя к линии Live , а клемму устройства I1 — к выходной клемме автоматического выключателя. Установите еще один автоматический выключатель для второй цепи освещения. Выберите автоматический выключатель с номинальным током, соответствующим мощности подключенного освещения. Подключите входную клемму второго автоматического выключателя к линии Live , а клемму устройства I2 — к выходной клемме второго автоматического выключателя.
Установите автоматический выключатель для источника питания устройства и цепи управления и подключите его входной клеммный разъем к линии «Live».
Подключите клемму «L» устройства к выходной клемме автоматического выключателя для источника питания устройства. Создайте каждую цепь управления, подключив все выключатели, которые вы хотите использовать для включения и выключения света в соответствующей цепи освещения, как показано на схеме подключения выше. Подключите один из кабелей первой цепи управления к выходной клемме автоматического выключателя для источника питания устройства, а другой — к клемме «SW1» устройства. Подключите один из кабелей второй цепи управления к выходной клемме автоматического выключателя для источника питания устройства, а другой — к клемме «SW2» устройства. Подключите кабель LAN к разъему RJ 45 устройства, если вы хотите управлять устройством по сети Ethernet.
⚠ВНИМАНИЕ! Подключайте или отключайте кабель LAN только при выключенном устройстве! Разъем кабеля LAN не должен быть металлическим в тех местах, к которым прикасается пользователь при подключении или отключении кабеля. Убедитесь, что устройства подключены правильно, а затем включите автоматические выключатели.
Настройка
[править]Красный светодиод Питание будет гореть, если устройство включено, а многоцветный светодиод Wi-Fi будет гореть синим светом, указывая на то, что точка доступа (AP) устройства активирована.
Зеленый светодиод LAN будет гореть, если устройство подключено к сети Ethernet.
==== Управление устройством с помощью встроенного веб-интерфейса ====\n Подключитесь к точке доступа устройства (ShellyPro2-XXXXXXXXXXXX/ShellyPro2PM-XXXXXXXXXXXX). Введите в браузере http://192.168.33.1 , чтобы получить доступ к встроенному веб-интерфейсу.
На главном экране нажмите на панель «Вход (0)»
в разделе «Переключатели и подключенные входы». На вкладке «Настройки» нажмите на кнопку «Режим ввода». Выберите «Переключатель» и нажмите кнопку «Сохранить настройки».
На главной странице в разделе «Переключатели и подключенные входы» нажмите на отображаемый выход (обозначенный как «Выход (0)»), чтобы получить доступ к настройкам выхода. Далее, в разделе «Действия при включении питания» выберите «Соответствие входу».
Кроме того, в настройках вывода убедитесь, что параметр «Режим переключения» установлен на «Следование».
Убедитесь, что эти настройки установлены для обоих каналов. Теперь вы можете продолжить настройку устройства. См. руководства по веб-интерфейсу Shelly Pro2 или Shelly Pro 2PM.
==== Управление устройством с помощью приложений или облачных сервисов ====\n Если вы решите использовать устройство с мобильным приложением Shelly Cloud и сервисом Shelly Cloud, инструкции по подключению устройства к облаку и управлению им через приложение Shelly можно найти в руководстве по интеллектуальному управлению Shelly по адресу: Shelly Smart Control Guide
Мобильное приложение Shelly и сервис Shelly Cloud не являются необходимыми условиями для корректной работы устройства. Это устройство можно использовать автономно или с различными другими платформами и протоколами домашней автоматизации.
Измерение мощности
[править]Используя Shelly Pro 2PM, вы сможете измерять мгновенные уровни напряжения и мощности. Сервис Shelly Cloud также позволяет хранить статистические данные об энергопотреблении ваших светильников в течение года.

