Перейти к содержанию

Shelly Pro Dimmer 0/1-10V PM

Материал из База знаний Shelly

Идентификация устройства

[править]
  • Название устройства: Shelly Pro Dimmer 0/1-10V PM
  • Модель устройства: SPCC-001PE10EU
  • SSID устройства: ShellyPro0110PM-XXXXXXXXXXXX
  • Идентификатор модели BLE: 0x2011

Краткое описание

[править]

Shelly Pro Dimmer 0/1-10V PM (Устройство) — это интеллектуальный контроллер диммирования, монтируемый на DIN-рейку, который позволяет дистанционно управлять драйверами диммирования с помощью мобильного телефона, планшета, ПК или системы домашней автоматизации. Он может работать автономно в локальной сети Wi-Fi или управляться через облачные сервисы домашней автоматизации. Устройство представляет собой контроллер источника тока и поддерживает драйверы типов 0-10 В и 1-10 В.

Основные характеристики

[править]
  • Возможность монтажа на DIN-рейку
  • Измерение мощности: Точный мониторинг энергопотребления.
  • Подключение по Bluetooth: Устройство соответствует стандарту Bluetooth и может подключаться к другим устройствам Bluetooth для обмена данными на коротких расстояниях.
  • Шлюз BLE: Обеспечивает связь между устройствами с поддержкой BLE и Wi-Fi.
  • Wi-Fi: Устройство может подключаться к беспроводной сети.
  • Расширитель диапазона Wi-Fi: Ретранслирует сигнал Wi-Fi и расширяет зону его действия.
  • Подключение по Ethernet
  • Скриптинг: Позволяет создавать сценарии автоматизации с помощью скриптов.
  • Базовые расписания:Поддерживает еженедельные расписания и
  • Расширенные расписания: Поддерживает подробные расписания и сценарии на протяжении всего года с широким диапазоном временных настроек от секунд до месяцев, включая настройку яркости, продолжительность перехода и значение переключения сигнала затемнения.
  • Таймеры автоматического включения/выключения: Включает настройку таймера автоматического включения/выключения.
  • Локальные действия: Позволяет создавать сценарии автоматизации в локальной сети Wi-Fi, включая настройку яркости, продолжительность перехода и значение переключения сигнала затемнения.
  • Веб-перехватчики: Поддерживает автоматизацию посредством легковесной, событийной связи с другими устройствами.
  • Совместимость: Высокая совместимость со сторонними системами домашней автоматизации, включая KNX.
  • Не требуется концентратор: Готов к использованию локально или удаленно через Shelly Smart Control или сторонние системы.
  • Журнал активности: хранит подробную историю событий.
  • KVS (хранилище ключ-значение): сервис KVS обеспечивает базовое постоянное хранение пар ключ-значение.
  • KNX: поддерживает связь KNXnet/IP.
  • Безопасность: защита от перегрузки по току/напряжению/питанию.
  • Виртуальные и BTHome компоненты: специальный набор компонентов, которые изначально отсутствуют в устройстве и динамически создаются пользователем.
  • Интеграция различных драйверов: поддерживает драйверы типов 0-10 В и 1-10 В (лампы, двигатели, клапаны и т. д.). В обоих режимах работы при 0% яркости источник света не излучает свет, и реле отключается. В веб-интерфейсе устройства и приложении Shelly Smart Control свет отображается как включенный, поскольку никаких действий для его выключения не выполнялось.
  • Ночной режим: Позволяет установить определенную яркость входных источников света в ночное время.
  • Режим управления с помощью переключателей/кнопок: Обеспечивает гибкое управление входным сигналом с помощью переключателей и/или кнопок:
  • Регулировка яркости одной кнопкой
  • Регулировка яркости двумя кнопками
  • Длительность перехода: Управляет временем, необходимым для перехода от текущего уровня яркости к желаемому уровню яркости по запросу.
  • Минимальная яркость при переключении: Устанавливает яркость на 3% (значение по умолчанию) при включении, если текущая яркость ниже «Минимальной яркости при переключении». Это не применяется, если пользовательский переход определен в расписаниях или действиях.
  • Минимальная/максимальная яркость: Изменяет диапазон сигнала затемнения для более точного управления яркостью на выходе.
  • Скорость затухания кнопки: Управляет скоростью изменения яркости на выходе при удержании кнопки(кнопок). Значение по умолчанию — 3x.
  • Предустановки кнопок:Состояние, применяемое при двойном нажатии (двойном щелчке). Значение по умолчанию — 100%

Варианты использования

[править]
  • Регулировка яркости диммируемых светильников в диапазоне 0-10 В для установки идеальной яркости.
  • Создание интеллектуальных расписаний для автоматической регулировки яркости светильников в течение дня.
  • Модернизация существующей системы освещения с помощью диммера 0/1-10V PM Gen3 и продолжение использования текущих выключателей.
  • Простая синхронизация освещения со временем восхода и захода солнца с помощью интеллектуальных расписаний.
  • Активация ночного режима для снижения яркости в ночное время.
  • Интеграция диммера 0/1-10V PM Gen3 с системами сторонних производителей, такими как Home Assistant, Google Home, Alexa и SmartThings, для расширения возможностей управления.
  • Использование устройства для регулировки яркости света одним или двумя нажатиями кнопок.
  • Мониторинг и измерение энергопотребления подключенных светильников для управления энергопотреблением.

Интеграции

[править]

= Поддержка Amazon Alexa

Да == Поддержка Google Smart Home

[править]

Да

Поддержка Samsung SmartThings

[править]

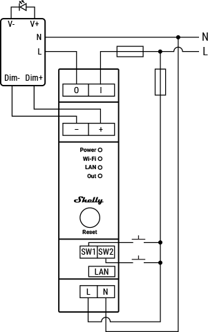
Да Упрощенная внутренняя схема ==

Электрические интерфейсы устройства

[править]

Входы

[править]
  • 2 входа переключателей/кнопок на винтовых клеммах: S1 и S2
  • 2 входа питания на винтовых клеммах: 1 N и 1 L
  • 1 релейный вход с измерением мощности на винтовой клемме

Выходы

[править]
  • 2 выхода 0-10 В на винтовых клеммах: + и -
  • 1 релейный выход с измерением мощности на винтовой клемме

Подключение

[править]
  • Ethernet
  • Wi-Fi
  • Bluetooth

Функции безопасности

[править]
  • Защита от перегрева
  • Защита от перенапряжения
  • Защита от перегрузки по току
  • Защита от перегрузки по мощности

Поддерживаемые типы нагрузки

[править]
  • Управление сигналом 0-10 В для различных типов драйверов (светильники, двигатели, клапаны и т. д.)
  • Управление сигналом 1-10 В

Пользовательский интерфейс

[править]

Входы

[править]
  • Одна кнопка (Сброс)
  • Нажмите и удерживайте 5 секунд, чтобы включить точку доступа устройства и соединение Bluetooth.
  • Нажмите и удерживайте 10 секунд, чтобы сбросить устройство до заводских настроек.

Выходы

[править]
  • Светодиодная индикация
  • Питание (красный): Красный индикатор будет гореть, если подключен источник питания.
  • Wi-Fi (зависит от сети):
  • Синий индикатор будет гореть, если устройство находится в режиме точки доступа.
  • Красный индикатор будет гореть, если устройство находится в режиме станции и не подключено к сети Wi-Fi.
  • Желтый индикатор будет гореть, если устройство находится в режиме станции и подключено к сети Wi-Fi. Не подключено к Shelly Cloud или Shelly Cloud отключено.
  • Зеленый индикатор будет гореть, если устройство находится в режиме STA и подключено к сети Wi-Fi и к Shelly Cloud.
  • Индикатор будет мигать красным/синим цветом, если выполняется обновление OTA.
  • LAN (зеленый): Зеленый индикатор будет гореть, если LAN подключено.
  • Out (красный): Красный индикатор будет гореть, если выход включен.

Технические характеристики

[править]

{ | class="wikitable" | - ! Количество ! Значение | - | Физические размеры | - | Размеры (ВхШхГ): | 94x19x69 × 0,5 мм / 3,70x0,75x2,71 × 0,02 дюйма | - | Вес: | 70 г / 2,5 унции | - | Максимальный крутящий момент винтовых клемм: | 0,4 Нм / 3,54 фунта | - | Сечение проводника: | 0,5–2,5 мм² / 20–14 AWG (зеленые разъемы) 0,5–1,5 мм² / 20–16 AWG (синие разъемы) | - | Длина зачищенного провода: | 6–7 мм² / 0,24–0,28 дюйма (зеленый разъем) 5–6 мм² / 0,20–0,24 дюйма (синие разъемы) | - | Монтаж: | DIN | - | Материал корпуса: | Пластик | - | Цвет корпуса: | Синий | - | Цвет разъемов: | Зеленый/Синий | - | Условия эксплуатации | - | Рабочая температура окружающей среды: | -20–40 °C / -5–105 °F | - | Влажность: | 30–70 % относительной влажности | - | Максимальная высота над уровнем моря: | 2000 м / 6562 фута | - | Электрические характеристики | - | Источник питания: | 110 - 240 В~ | - | Потребляемая мощность: | < 3 Вт | - | Нейтраль не требуется: | Нет | - | Тип регулирования напряжения 0-10 В/1-10 В: | Источник тока | - | Внешняя защита: | 16 А, характеристика срабатывания B или C, номинальный отключающий ток 6 кА, класс ограничения энергии 3 | - | Характеристики выходных цепей | - | Макс. коммутируемое напряжение: | 240 В~ | - | Макс. коммутируемый ток: | 16 А | - | Датчики, измерительные приборы | - | Вольтметр (переменный ток): | Да | - | Амперметр (переменный ток): | Да | - | Измерители мощности и энергии: | Активная и полная мощность | Активная и полная энергия | Коэффициент мощности | Основная активная и основная реактивная энергия | - | Хранение данных измерений: | Нет | - | Внутренний датчик температуры: | Да | - | Радио | - | Wi-Fi | - | Протокол: | 802.11 b/g/n | Диапазон радиочастот: | 2412–2472 Гц | Максимальная мощность радиочастот: | < 20 дБм | Дальность действия: | До 30 м / 100 футов в помещении и 50 м / 160 футов на открытом воздухе (зависит от местных условий) | Bluetooth | Протокол: | 4.2 | Диапазон радиочастот: | 2402–2480 МГц | Максимальная мощность радиочастот: | < 4 дБм | Дальность действия: | До 10 м / 33 футов в помещении и 30 м / 100 футов на открытом воздухе (зависит от местных условий) | Микроконтроллер | Процессор: | ESP32-D0WDQ6 | Тактовая частота: | 40 МГц | Флэш-память: | 8 МБ | - | Возможности прошивки | - | Расписания: | 20 | - | Веб-хуки (действия по URL): | 20 с 5 URL на каждый хук | - | Скриптинг: | Да | - | MQTT: | Да | - | Расширенные расписания | Да | - | KVS (хранилище ключ-значение): | Да | } |}

Основные схемы подключения

[править]

Легенда

[править]

{ | class="wikitable" | - ! Клеммы ! Провода | - | O | Выходная клемма реле | L | Провод фазы (110-240 В~) | - | I | Входная клемма реле | N | Нейтральный провод | - | + | Положительная клемма 0-10 В | | | - | - | Отрицательная клемма 0-10 В | | | - | SW1 | Входные клеммы переключателя/кнопки для управления освещением | | | - | SW2 | Клеммы входа переключателя/кнопки для управления освещением | | | - | LAN | Разъем RJ 45 для локальной сети | | | - | L | Клемма фазы (110-240 В~) | | | - | N | Клемма нейтрали | | | - | Dim+/Dim- | Положительная/отрицательная клемма драйвера светодиодов | | | - | V+/V- | Положительный/отрицательный выход драйвера светодиодов | | | } |}

Поиск и устранение неисправностей

[править]
  1. Убедитесь, что устройство правильно подключено к источнику питания:
  • Проверьте силовые кабели, розетки и все индикаторы питания на устройстве.
  1. Проверьте соединения:
  • Убедитесь, что все соединения, включая кабели и проводку, надежно закреплены и правильно установлены. Ненадежные соединения могут привести к проблемам с функциональностью.
  1. Проверьте настройки устройства:
  • Если применимо, проверьте и просмотрите настройки устройства. Убедитесь, что настройки верны и соответствуют предполагаемому использованию.
  1. Обновите прошивку/программное обеспечение:
  • Проверьте наличие доступных обновлений прошивки или программного обеспечения для устройства. Поддержание устройства в актуальном состоянии может устранить известные проблемы и повысить производительность.
  1. Перезагрузка:
  • Иногда простая перезагрузка может устранить временные сбои. Выключите устройство, подождите несколько секунд, а затем снова включите его.
  1. Проверьте сетевое подключение:
  • Если устройство подключено к сети, убедитесь, что сетевые настройки верны. Проверьте сетевое подключение и при необходимости перезагрузите маршрутизаторы или коммутаторы.
  1. Осмотрите физические компоненты:
  • Физически осмотрите устройство на наличие повреждений, перегрева или необычного поведения.
  1. Проверьте совместимость:
  • Убедитесь, что устройство совместимо с другими компонентами вашей системы, включая аппаратное и программное обеспечение. Проблемы несовместимости могут привести к неисправностям.
  1. Контроль за факторами окружающей среды:
  • Учитывайте такие факторы окружающей среды, как температура и влажность.
  1. Проверка качества электропитания:
  • Низкое качество электропитания, включая скачки или колебания напряжения, может повлиять на производительность устройства. При необходимости используйте сетевой фильтр или стабилизатор напряжения.
  • Это общие шаги по устранению неполадок, и конкретные шаги могут различаться в зависимости от типа устройства или возникшей проблемы. Если проблема сохраняется и вы не можете ее решить, обратитесь в нашу службу технической поддержки.

Shelly Smart Control

[править]
  • Добавление устройства в Shelly Smart Control

Компоненты и API

[править]
  • Это устройство
  • Все устройства и сервисы Shelly

Соответствие требованиям и сертификация

[править]

== Соответствие требованиям == Архив соответствия Shelly Pro Dimmer 0_1-10V PM многоязычная декларация соответствия ЕС 55 2024-09-10.pdf

Печатное руководство пользователя

[править]
  • Shelly Pro Dimmer 0_1-10V PM многоязычное печатное руководство пользователя и по технике безопасности.pdf
  • Ръководство ГђВ·ГђВ° ҃по҂Ҁеба ГђВё безопаҁноҁÒ

Руководства по установке

[править]