Shelly Pro Dual Cover/Shutter PM
Идентификация устройства
[править]- Название устройства: Shelly Pro Dual Cover/Shutter PM
- Модель устройства: SPSH-002PE16EU
- SSID устройства: ShellyPro2Cover-XXXXXX
Краткое описание
[править]Shelly Pro Dual Cover/Shutter PM (Устройство) — это интеллектуальный контроллер для двух крыш, монтируемый на DIN-рейку, с возможностью измерения мощности. Благодаря гибкости прошивки второго поколения и возможности подключения к локальной сети, он предоставляет профессиональным интеграторам множество дополнительных возможностей для решений для конечных пользователей. Он может работать автономно в локальной сети Wi-Fi или управляться через облачные сервисы домашней автоматизации.
Доступ к устройству Shelly Pro Dual Cover PM, его управление и мониторинг возможны удаленно из любого места, где у пользователя есть доступ к интернету, при условии, что устройство подключено к Wi-Fi роутеру и интернету. Shelly Pro Dual Cover PM имеет встроенный веб-интерфейс, который можно использовать для мониторинга и управления устройством, а также для настройки его параметров.
Основные области применения
[править]- Жилые помещения
- Многоквартирные дома (квартиры, кондоMiniумы, гостиницы и т. д.)
- Небольшие коммерческие помещения (небольшие офисные здания, небольшие магазины/рестораны/автозаправочные станции и т. д.)
- Государственные/муниципальные учреждения
- Университеты/колледжи
Упрощенная внутренняя схема
[править]Электрические интерфейсы устройства
[править]Входы
[править]- 4 входа переключателей/кнопок на винтовых клеммах: S1 , S2, S3, S4
- 2 входа питания на винтовых клеммах: 1 N и 1 L
Выходы
[править]- 4 релейных выхода: ▲ и ▼ из O1 , ▲ и ▼ из O2
Порт Ethernet
[править]- 1 разъем RJ45
⚠ВНИМАНИЕ! Подключайте или отключайте кабель LAN только при выключенном устройстве! Разъем кабеля LAN не должен быть металлическим в тех местах, к которым прикасается пользователь при подключении или отключении кабеля.
Возможности подключения
[править]- Ethernet
- Wi-Fi
- Bluetooth
Функции безопасности
[править]- Защита от перегрева
- Защита от перенапряжения
- Защита от перегрузки по току
- Защита от перегрузки по мощности
Поддерживаемые типы нагрузки
[править]- Двунаправленные двигатели переменного тока с RC-демпферами
Пользовательский интерфейс
[править]Входы
[править]Три кнопки на передней панели:
- Левая кнопка: Нажмите, чтобы прокрутить вверх по текущему отображаемому меню
- Средняя кнопка: Нажмите, чтобы прокрутить вниз по текущему отображаемому меню
- Правая кнопка: Нажмите, чтобы включить дисплей устройства Нажмите и удерживайте, чтобы перейти к экрану меню Нажмите, чтобы выбрать пункт меню Нажмите и удерживайте, находясь в подменю, чтобы вернуться назад
Выходы
[править]Цветной ЖК-дисплей.
Верхняя панель ЖК-дисплея отображает краткую информацию о состоянии:
- Время
- Состояние подключения Bluetooth: Отключено - нет значка; Включено - синий значок
- Состояние LAN: Отключено - нет значка; Включено, но не подключено - красный значок; Подключено - зеленый значок
- Состояние Wi-Fi STA: Отключено - нет значка; Включено, но не подключено - красный значок; Подключено - зеленый значок
- Состояние Wi-Fi AP: Отключено - нет значка; Включено, но не подключено - красный значок; Подключено - зеленый значок
- Состояние облака: Отключено - нет значка; Включено, но не подключено - красный значок; Подключено - зеленый значок
Остальная часть ЖК-дисплея используется для отображения экранов меню устройства:
- Главный (по умолчанию) экран для каждого чехла: Название чехла (можно изменить в настройках устройства). Ползунок, который отображает положение чехла. Область уведомлений, отображающая положение крышек в процентах или значок, указывающий на событие (калибровка, препятствие, перенапряжение, перегрузка по току или перегрузка по мощности). События также отображаются рядом с названием крышки.
- Сеть: Включение/выключение точек доступа Wi-Fi, включение/выключение станций Wi-Fi, включение/выключение Ethernet, включение/выключение Bluetooth
- Статус: Отображает полную информацию о состоянии
- Техническое обслуживание, сброс Wi-Fi, сброс к заводским настройкам, перезагрузка
Технические характеристики
[править]| Тип | Значение | |||||||||||||||||||||||||||||||
|---|---|---|---|---|---|---|---|---|---|---|---|---|---|---|---|---|---|---|---|---|---|---|---|---|---|---|---|---|---|---|---|---|
| Физические размеры | ||||||||||||||||||||||||||||||||
| Размеры (ВхШхГ): | 96x53x59 ±0,02 мм / 3,78x2,01x2,32 ±0,02 дюйма | |||||||||||||||||||||||||||||||
| Вес: | 150 г / 5,30 унции |
- |
Монтаж: | DIN-рейка |
- |
Максимальный крутящий момент винтовых клемм: | 0,4 Нм / 3,5 фунта (зеленые разъемы) |
- |
Сечение проводника: | 0,5–2,5 мм² / 20–14 AWG (зеленые разъемы) |
- |
Длина зачищенного проводника: | 6–7 мм / 0,24–0,28 дюйма (зеленые разъемы) |
- |
Материал корпуса: | Пластик |
- |
Цвет: | Темно-серый |
- |
Условия эксплуатации |
- |
Температура окружающей среды: | -20 °C–40 °C / -5 °F–105 °F |
- |
Влажность: | 30–70 % относительной влажности |
- |
Максимальная высота над уровнем моря | 2000 м / 6562 фута | ||
| Электрические характеристики | ||||||||||||||||||||||||||||||||
| Напряжение питания переменного тока: | 110 - 240 В | |||||||||||||||||||||||||||||||
| Напряжение питания постоянного тока: | Н/Д | |||||||||||||||||||||||||||||||
| Потребляемая мощность: | < 3 Вт | |||||||||||||||||||||||||||||||
| Нейтраль не требуется: | Нет | |||||||||||||||||||||||||||||||
| Характеристики выходных цепей | ||||||||||||||||||||||||||||||||
| Максимальное коммутируемое напряжение переменного тока: | 240 В | |||||||||||||||||||||||||||||||
| Максимальное коммутируемое напряжение постоянного тока: | Н/Д | |||||||||||||||||||||||||||||||
| Максимальный коммутируемый ток переменного тока: | 16 А на выход | |||||||||||||||||||||||||||||||
| Максимальный коммутируемый ток постоянного тока: | Н/Д | |||||||||||||||||||||||||||||||
| Датчики, измерительные приборы | ||||||||||||||||||||||||||||||||
| Вольтметр (переменного тока) | Да | |||||||||||||||||||||||||||||||
| Амперметр (переменного тока) | Да |
- |
Внутренний датчик температуры: | Да | ||||||||||||||||||||||||||||
| Радио | ||||||||||||||||||||||||||||||||
| Диапазон радиочастот: | 2400 - 2495 МГц | |||||||||||||||||||||||||||||||
| Макс. мощность радиочастот: | <20 дБм | |||||||||||||||||||||||||||||||
| Протокол Wi-Fi: | 802.11 b/g/n | |||||||||||||||||||||||||||||||
| Диапазон действия Wi-Fi: | До 30 м / 100 футов в помещении и 50 м / 160 футов на открытом воздухе (зависит от местных условий) | |||||||||||||||||||||||||||||||
| Протокол Bluetooth: | 4.2 | |||||||||||||||||||||||||||||||
| Диапазон действия Bluetooth: | До 10 м / 33 футов в помещении и 30 м / 100 футов на открытом воздухе (зависит от местных условий) | |||||||||||||||||||||||||||||||
| MCU | ||||||||||||||||||||||||||||||||
| CPU: | ESP32-D0WDQ6 | |||||||||||||||||||||||||||||||
| Flash: | 8 МБ | |||||||||||||||||||||||||||||||
| Возможности прошивки | ||||||||||||||||||||||||||||||||
| Расписания: | 20 | |||||||||||||||||||||||||||||||
| Веб-хуки (действия по URL): | 20 с 5 URL на каждый хук | |||||||||||||||||||||||||||||||
| Скриптинг: | Да | |||||||||||||||||||||||||||||||
| MQTT: | Да | |||||||||||||||||||||||||||||||
| CoAP: | Нет | |||||||||||||||||||||||||||||||
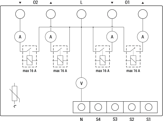
Базовая схема подключения
[править]Легенда
[править]| Клеммы | Провода | ||
|---|---|---|---|
| O1, O2 | Пары выходных клемм крышки 1 и крышки 2 | L | Провод под напряжением (110-240 В) |
| ▲, ▼ | Выходные клеммы направления крышки | N | Нейтральный провод |
| S1, S2 | Входные клеммы переключателя/кнопки для управления крышкой 1 | ||
| S3, S4 | Входные клеммы переключателя/кнопки для управления крышкой 2 | ||
| L | Клемма под напряжением (110-240 В) | ||
| N | Нейтральная клемма | ||
| LAN | Разъем RJ 45 для локальной сети |
Shelly Smart Control
[править]- Добавление устройства в Shelly Smart Control
Веб-интерфейс пользователя Shelly
[править]- Руководство по веб-интерфейсу Shelly Pro Dual Cover/Shutter PM
Устранение неполадок
[править]...
Компоненты и API
[править]- Это устройство
- Все устройства и сервисы Shelly
Соответствие требованиям
[править]Shelly Pro Dual Cover Shutter PM многоязычная декларация соответствия ЕС 2025-07-21.pdf
Shelly Pro Dual Cover PM UK PSTI ACT Statement of compliance.pdf
Архив соответствия
Shelly Pro Dual Cover Shutter PM многоязычная декларация соответствия ЕС 14 2023-09-29.pdf
Печатное руководство пользователя
[править]Shelly Pro Dual CoverShutter PM многоязычное печатное руководство пользователя.pdf
- Ръководство за достаточно и безопасно

