Использование дополнения Shelly Plus с емкостным датчиком обнаружения жидкости
Прочитайте перед использованием
[править]Этот документ содержит важную техническую информацию и информацию по технике безопасности об устройстве, его безопасном использовании и установке.
⚠ ВНИМАНИЕ! Перед началом установки внимательно и полностью прочтите это руководство и любые другие документы, прилагаемые к устройству. Несоблюдение процедур установки может привести к неисправности, опасности для вашего здоровья и жизни, нарушению закона или отказу в предоставлении юридической и/или коммерческой гарантии (если таковая имеется). Компания Shelly Europe Ltd не несет ответственности за любые потери или повреждения в случае неправильной установки или неправильной эксплуатации данного устройства из-за несоблюдения инструкций по эксплуатации и технике безопасности, изложенных в данном руководстве.
Введение в Shelly®
[править]Shelly® — это линейка инновационных устройств с микропроцессорным управлением, позволяющих дистанционно управлять электрическими цепями с помощью мобильного телефона, планшета, ПК или системы домашней автоматизации. Устройства Shelly® могут работать автономно в локальной сети Wi-Fi или управляться через облачные сервисы домашней автоматизации. Shelly Cloud — это сервис, доступ к которому можно получить с помощью мобильного приложения для Android или iOS, а также через любой интернет-браузер по адресу: https://home.shelly.cloud/ . Устройства Shelly® можно удаленно контролировать, управлять ими и отслеживать из любого места, где у пользователя есть доступ к интернету, при условии, что устройства подключены к Wi-Fi-роутеру и интернету. При прямом подключении к точке доступа устройства или по IP-адресу устройства в локальной сети Wi-Fi пользователь может получить доступ к встроенному веб-интерфейсу устройства Shelly® по адресу: http://192.168.33.1 . Встроенный веб-интерфейс можно использовать для мониторинга и управления устройством, а также для настройки его параметров.
Устройства Shelly® могут напрямую взаимодействовать с другими устройствами Wi-Fi по протоколу HTTP. API предоставляется компанией Shelly Europe Ltd. Для получения дополнительной информации посетите: https://shelly-api-docs.shelly.cloud/#shelly-family-overview . Устройства Shelly® поставляются с предустановленной на заводе прошивкой. Если для обеспечения соответствия устройств требованиям, включая обновления безопасности, необходимы обновления прошивки, Shelly Europe Ltd предоставит обновления бесплатно через встроенный веб-интерфейс устройства или мобильное приложение Shelly, где доступна информация о текущей версии прошивки. Решение об установке или отказе от установки обновлений прошивки устройства является исключительной ответственностью пользователя. Shelly Europe Ltd не несет ответственности за любое несоответствие устройства требованиям, вызванное несвоевременной установкой пользователем предоставленных обновлений.
Пример использования
[править]В этом руководстве описывается, как контролировать уровень жидкости в емкости с помощью «Дополнительного устройства Shelly Plus»
(устройства)
«Устройства» ) и «XKC-Y25-V»
емкостного бесконтактного датчика уровня жидкости. Узнайте больше о дополнительном устройстве Shelly Plus и его технических характеристиках.
Установка
[править]«ВНИМАНИЕ!»
Опасность поражения электрическим током. Монтаж/установка устройства в электросеть должна выполняться с осторожностью квалифицированным электриком!
«ВНИМАНИЕ!»
Опасность поражения электрическим током. Любые изменения в соединениях должны производиться после того, как будет обеспечено отсутствие напряжения на клеммах устройства!
«ВНИМАНИЕ!»
Используйте устройство только с электросетью и приборами, соответствующими всем применимым нормам. Короткое замыкание в электросети или любом электроприборе, подключенном к Устройству, может повредить Устройство!
ВНИМАНИЕ! Устройство может быть подключено к электрическим цепям и электроприборам и управлять ими только в том случае, если они соответствуют соответствующим стандартам и нормам безопасности!
ВНИМАНИЕ! Не подключайте Устройство к электроприборам, превышающим указанную максимальную нагрузку!
ВНИМАНИЕ! Подключайте Устройство только способом, указанным в данной инструкции. Любой другой способ может привести к повреждению и/или травме!
ВНИМАНИЕ! Не устанавливайте устройство в местах, где оно может намокнуть!
ВНИМАНИЕ!
Не используйте Устройство, если оно повреждено!
ВНИМАНИЕ!
Не пытайтесь самостоятельно обслуживать или ремонтировать Устройство!
Монтаж
[править]Дополнительный модуль Shelly Plus предназначен для установки на устройства Shelly Plus (в настоящее время это Shelly Plus 1, Shelly Plus 1PM, Shelly Plus 2PM, Shelly i4 и Shelly i4DC).
⚠ВНИМАНИЕ! Если вы устанавливаете дополнительный модуль Shelly Plus на устройство Shelly Plus, уже подключенное к электросети, убедитесь, что автоматические выключатели выключены и на клеммах устройства Shelly Plus, к которому вы устанавливаете дополнительный модуль, отсутствует напряжение. Это можно сделать с помощью фазового тестера или мультиметра. Убедившись в отсутствии напряжения, вы можете приступить к установке дополнительного модуля Shelly Plus.
Прикрепите дополнительный модуль Shelly Plus к устройству Shelly Plus, как показано ниже.
Подключение дополнения Shelly Plus к устройству Shelly Plus
⚠ВНИМАНИЕ!
Будьте очень осторожны, чтобы не согнуть контакты разъема устройства (C) при их подключении к разъему устройства Shelly Plus (D).
Убедитесь, что скобы (A) зафиксированы на крючках устройства Shelly Plus (B), а затем переходите к подключению устройства.
Подключение
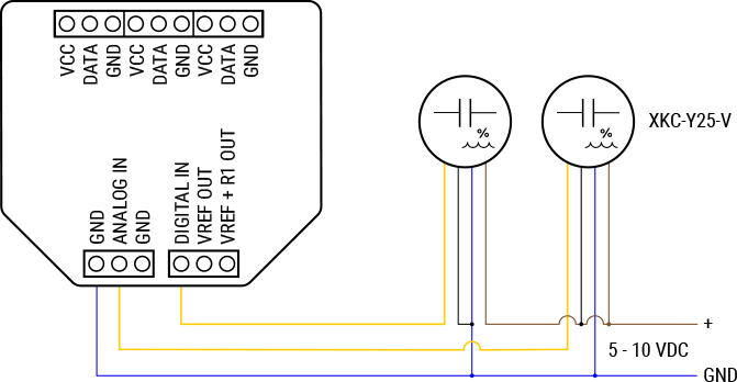
[править]Подключите два датчика XKC-Y25-V к дополнению Shelly Plus в соответствии со схемой ниже.
Желтый провод от датчика — это его выход. Подключите желтый провод к входам устройства: аналоговому входу (ANALOG IN) и цифровому входу (DIGITAL IN) соответственно.
Уровень выходного сигнала датчика регулируется подключением черного провода: либо к заземляющему проводу источника питания датчика (для низкого уровня), либо к положительному проводу источника питания (для высокого уровня).
Поскольку цифровой вход (DIGITAL IN) срабатывает от сигнала низкого уровня, черный провод датчика, подключенного к этому входу, должен быть подключен к заземлению.
Черный провод датчика, подключенного к аналоговому входу устройства (ANALOG IN), может быть подключен к любому из двух входов (в данном случае — к положительному проводу).
Подключите коричневый провод к положительному проводу блока питания, а синий провод — к заземлению. Если вам необходимо использовать один датчик, мы рекомендуем использовать цифровой вход.
Добавление периферийных устройств Shelly Plus Add-on к устройству Shelly Plus =
[править]Подключитесь к устройству Shelly Plus, к которому подключено устройство Shelly Plus Add-on, и введите в браузере http://192.168.33.1 для доступа к встроенному веб-интерфейсу. Нажмите кнопку «Дополнение» в главном меню. Нажмите кнопку «Включить дополнение».
Для завершения процесса необходимо перезагрузить устройство Shelly Plus. Нажмите кнопку «Перезагрузить сейчас».
Теперь необходимо добавить входы устройства. Нажмите кнопку «Добавить периферийные устройства».
Выберите «Цифровой вход» и нажмите «Сохранить настройки». Перезагрузите устройство Shelly Plus. Нажмите кнопку «Добавить периферийные устройства».
Выберите «Аналоговый вход» и нажмите «Сохранить настройки». Перезагрузите устройство Shelly Plus. Если вы используете один датчик, пропустите добавление «Аналогового входа».
Теперь необходимо создать действия для каждого входа. Нажмите на панель «Вход (100)» (Это цифровой вход. Вы можете изменить название, например, на «Верхний уровень»
в настройках).
Нажмите вкладку «Действия». Создайте действие, нажав кнопку «Новое действие».
Дополнительную информацию о том, как работают действия для дополнения для различных периферийных устройств, см. в руководстве по веб-интерфейсу дополнения Shelly Plus.
Создайте аналогичное действие для «Входа (101)»
(Аналоговый вход), если вы используете два датчика. Используйте действия для переключения реле устройства Shelly Plus, к которому подключено данное устройство, и/или управления другими устройствами Shelly в той же сети. Вы можете поддерживать уровень жидкости в резервуаре между положениями двух датчиков, открывая или закрывая, например, электромагнитный клапан, тем самым заполняя или опорожняя резервуар.
⚠ВНИМАНИЕ!
Вы можете использовать
XKC-Y25-V
емкостной бесконтактный датчик уровня жидкости только на неметаллических резервуарах.
⚠ОСТОРОЖНО! Убедитесь, что датчики надежно закреплены на стенке резервуара. Отсоединенный датчик не сможет обнаружить жидкость, что может привести к переливу и затоплению или другим нежелательным последствиям.
⚠РЕКОМЕНДАЦИЯ! Чтобы предотвратить непредвиденные события в случае неисправности датчика или потери связи с устройством, мы рекомендуем установить Значение переключения через время для локального действия или включить Автоматическое выключение время на устройстве(ах) Shelly для автоматического выключения управляемого(ых) прибора(ов) через определенный период времени.
Использование мобильного приложения Shelly Cloud и сервиса Shelly Cloud
[править]Если вы решите использовать Устройство с мобильным приложением Shelly Cloud и сервисом Shelly Cloud, вы также сможете использовать сценарии для управления другими интеллектуальными устройствами или получения уведомлений на вашем мобильном устройстве. Инструкции по подключению устройства Shelly Plus к облаку и управлению им через приложение Shelly можно найти в Руководство по приложению Shelly
Мобильное приложение Shelly и сервис Shelly Cloud не являются обязательными условиями для корректной работы Устройства. Это Устройство можно использовать автономно или с различными другими платформами и протоколами домашней автоматизации.
⚠ВНИМАНИЕ! Не позволяйте детям играть с кнопками/переключателями, подключенными к Устройству. Держите устройства для дистанционного управления Shelly (мобильные телефоны, планшеты, ПК) в недоступном для детей месте!
