Использование Shelly Pro 1 V1 и контактора для отключения электроэнергии.
Перед использованием прочтите
[править]Этот документ содержит важную техническую информацию и информацию по технике безопасности об устройстве, его безопасном использовании и установке.
⚠ ВНИМАНИЕ! Перед началом установки внимательно и полностью прочтите это руководство и любые другие документы, прилагаемые к устройству. Несоблюдение процедур установки может привести к неисправности, опасности для вашего здоровья и жизни, нарушению закона или отказу в предоставлении юридической и/или коммерческой гарантии (если таковая имеется). Компания Shelly Europe Ltd не несет ответственности за любые потери или повреждения в случае неправильной установки или неправильной эксплуатации данного устройства из-за несоблюдения инструкций по эксплуатации и технике безопасности, содержащихся в данном руководстве.
Введение в Shelly®
[править]Shelly® — это линейка инновационных устройств с микропроцессорным управлением, позволяющих дистанционно управлять электрическими цепями с помощью мобильного телефона, планшета, ПК или системы домашней автоматизации. Устройства Shelly® могут работать автономно в локальной сети Wi-Fi или управляться через облачные сервисы домашней автоматизации. Shelly Cloud — это сервис, доступ к которому можно получить с помощью мобильного приложения для Android или iOS, а также через любой интернет-браузер по адресу: https://home.shelly.cloud/ . Устройства Shelly® можно удаленно контролировать, управлять ими и отслеживать из любого места, где у пользователя есть доступ к интернету, при условии, что устройства подключены к Wi-Fi-роутеру и интернету. При прямом подключении к точке доступа устройства или по IP-адресу устройства в локальной сети Wi-Fi пользователь может получить доступ к встроенному веб-интерфейсу устройства Shelly® по адресу: http://192.168.33.1 . Встроенный веб-интерфейс можно использовать для мониторинга и управления устройством, а также для настройки его параметров. Устройства Shelly® могут напрямую взаимодействовать с другими устройствами Wi-Fi по протоколу HTTP. API предоставляется компанией Shelly Europe Ltd. Для получения дополнительной информации посетите: https://shelly-api-docs.shelly.cloud/#shelly-family-overview . Устройства Shelly® поставляются с предустановленной на заводе прошивкой. Если для обеспечения соответствия устройств требованиям, включая обновления безопасности, необходимы обновления прошивки, Shelly Europe Ltd предоставит обновления бесплатно через встроенный веб-интерфейс устройства или мобильное приложение Shelly, где доступна информация о текущей версии прошивки. Решение об установке или неустановке обновлений прошивки устройства является исключительной ответственностью пользователя. Shelly Europe Ltd не несет ответственности за любое несоответствие устройства требованиям, вызванное несвоевременной установкой пользователем предоставленных обновлений. Устройства Shelly® Pro монтируются на DIN-рейку внутри распределительного щита и идеально подходят для нового строительства. Все устройства Shelly® Pro можно контролировать и отслеживать через Wi-Fi и LAN-соединения. Для добавления устройств можно использовать Bluetooth-соединение.
Управляйте своим домом голосом
[править]Устройства Shelly® совместимы с функциями Amazon Alexa и Google Home. Пожалуйста, ознакомьтесь с нашим пошаговым руководством по адресу: https://shelly.cloud/support/compatibility/
Пример использования
[править]
В этом примере использования объясняется, как с помощью
Shelly Pro
1 V1 (устройство) (устройство), контактора и Shelly RC Snubber , можно отключить некритическую нагрузку свыше 16 А с возможностью продолжения ее работы на резервном питании в случае отключения электроэнергии из сети. Узнайте больше о Shelly Pro 1 .
Установка
[править]⚠ВНИМАНИЕ! Опасность поражения электрическим током. Монтаж/установка устройства в электросеть должна выполняться с осторожностью квалифицированным электриком!
⚠ВНИМАНИЕ! Опасность поражения электрическим током. Любые изменения в соединениях должны производиться после того, как будет обеспечено отсутствие напряжения на клеммах устройства! ⚠ОСТОРОЖНО! Используйте устройство только с электросетью и приборами, соответствующими всем действующим нормам. Короткое замыкание в электросети или любом приборе, подключенном к устройству, может повредить устройство!
⚠ОСТОРОЖНО! Устройство может быть подключено к электрическим цепям и приборам и управлять ими только в том случае, если они соответствуют соответствующим стандартам и нормам безопасности!
⚠ОСТОРОЖНО! Не подключайте устройство к приборам, превышающим указанную максимальную нагрузку!
⚠ОСТОРОЖНО! Подключайте устройство только способом, указанным в данной инструкции. Любой другой способ может привести к повреждению и/или травме!
⚠ОСТОРОЖНО! Не используйте устройство, если оно повреждено!
⚠ВНИМАНИЕ! Не пытайтесь самостоятельно обслуживать или ремонтировать устройство!
Монтаж
[править]⚠ВНИМАНИЕ! Перед монтажом устройства отключите автоматические выключатели и убедитесь в отсутствии напряжения на их клеммах. Это можно сделать с помощью фазового тестера или мультиметра. Убедившись в отсутствии напряжения, можно приступать к монтажу и подключению устройства.
Монтаж устройства на DIN-рейку
Откройте монтажный кронштейн, нажав на него изнутри (
A
) или вытащив его с помощью отвертки (
B
), как показано на изображении выше.
Установите Shelly Pro 1 на DIN-рейку (1) и сдвиньте монтажный кронштейн назад, чтобы закрепить Shelly Pro 1 на DIN-рейке (2) . Установите контактор как Miniмум с одной нормально разомкнутой ( NO) коммутационной цепью в соответствии с инструкцией по монтажу.
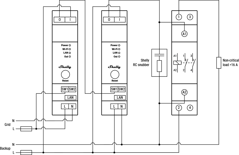
Схема подключения
[править]Условные обозначения
[править]| Клеммы | Кабели | ||
|---|---|---|---|
| I | Входная клемма цепи нагрузки | L | Линия фазы (110-240 В) |
| O | Выходная клемма цепи нагрузки | N | Нейтральная линия |
| SW1, SW2 | Входы переключателей/кнопок | ||
| L | Клемма фазы (110-240 В) | ||
| N | Клемма нейтрали | ||
| LAN | Разъем RJ 45 для локальной сети | ||
| A1, A2 | Клеммы цепи управления контактором | ||
| 1, 2 | Клеммы первой цепи переключения контактора | ||
| 3, 4 | Клеммы второй цепи переключения контактора |
Подключения
[править]Подключите клемму первого устройства N к Нейтрали линии от сети. Установите автоматический выключатель для первого устройства. Выберите номинальный ток автоматического выключателя в соответствии с местными правилами.
Подключите входной клемму автоматического выключателя к линии «фаза» от сети, а клемму первого устройства «L» к выходной клемме автоматического выключателя. Подключите клемму первого устройства «SW1» к выходной клемме автоматического выключателя. Подключите клемму первого устройства «O» к клемме второго устройства «SW1». Подключите клемму второго устройства «N» к линии «нейтраль» от резервного источника питания. Установите второй автоматический выключатель для второго устройства. Выберите номинальный ток автоматического выключателя в соответствии с местными нормами. Подключите входной клемму второго автоматического выключателя к линии «фаза» от резервного источника питания, а клемму второго устройства «L» к выходной клемме второго автоматического выключателя. Подключите клеммы обоих устройств (I) ко второй выходной клемме автоматического выключателя. Подключите клемму второго устройства (O) к клемме контактора (A1). Подключите клемму контактора (A2) к линии нейтрали (Neutral) от резервного источника питания. Подключите демпфер Shelly параллельно клеммам контактора (A1) и (A2). Подключите нагрузку к клеммам цепи переключения одного контактора ( 1) и линии нейтрали от резервного источника питания.
Подключите другую клемму ( 2) той же цепи переключения контактора ко второй выходной клемме автоматического выключателя.
⚠ВНИМАНИЕ! Используйте контакторную схему переключения, которая нормально разомкнута ( НЕТ ). Подключите кабель LAN ко второму разъему RJ 45 устройства, если вы хотите управлять устройством по сети Ethernet. ⚠ВНИМАНИЕ! Подключайте или отключайте кабель LAN только при выключенном устройстве! Разъем кабеля LAN не должен быть металлическим в тех местах, к которым прикасается пользователь при подключении или отключении кабеля. Убедитесь, что все устройства подключены правильно, а затем включите автоматические выключатели.
Настройка
[править]Красный светодиод Питание будет гореть, если устройство включено, а многоцветный светодиод Wi-Fi будет гореть синим светом, указывая на то, что точка доступа (AP) устройства активирована. Зеленый светодиод LAN будет гореть, если устройство подключено к сети Ethernet.
==== Управление устройством с помощью встроенного веб-интерфейса ====\n Подключитесь к точке доступа устройства (ShellyPro1-XXXXXXXXXXXX). Введите в браузере http://192.168.33.1 для доступа к встроенному веб-интерфейсу.
Щелкните по панели Вход (0) в разделе Переключатели и подключенные входы на главном экране. Щелкните вкладку Настройки . Щелкните Режим ввода . Выберите Переключатель и нажмите кнопку Сохранить настройки
.
Щелкните по отображаемому выходу (обозначенному как Выход(0) ) на главной странице в разделе Переключатели и подключенные входы , чтобы получить доступ к настройкам выхода. Затем в разделе Действие при включении питания выберите Соответствие входу . Кроме того, в настройках выхода убедитесь, что Режим переключения установлен на Следование . Повторите ту же процедуру для другого устройства. Дополнительную информацию см. в руководстве по веб-интерфейсу Shelly Pro1.
==== Управление устройством с помощью приложений или облачных сервисов ====\n Если вы решите использовать устройство с мобильным приложением Shelly Cloud и сервисом Shelly Cloud, инструкции по подключению устройства к облаку и управлению им через приложение Shelly можно найти в руководстве по интеллектуальному управлению Shelly по адресу: [1]
Мобильное приложение Shelly и сервис Shelly Cloud не являются необходимыми условиями для корректной работы устройства. Это устройство можно использовать автономно или с различными другими платформами и протоколами домашней автоматизации.
⚠ВНИМАНИЕ! Не позволяйте детям играть с кнопками/переключателями, подключенными к устройству. Держите устройства для дистанционного управления Shelly (мобильные телефоны, планшеты, ПК) в недоступном для детей месте!

