Перейти к содержанию

Shelly 2L Gen3

Материал из База знаний Shelly

Идентификация устройства

[править]
  • Название устройства:Shelly 2L Gen3
  • Модель устройства:S3SW-0A2X4EUL
  • SSID устройства:Shelly2LG3-XXXXXXXXXXXX
  • Bluetooth ID устройства: 0x1013

Краткое описание

[править]

Shelly 2L Gen3 (Устройство) — это компактный двухканальный интеллектуальный выключатель, предназначенный для точного управления освещением. Отличительной особенностью этого устройства является то, что для его работы не требуется нейтральный провод. Однако для его работы необходимо подключить параллельно нагрузке на первом канале Shelly Bypass 1L/2L Gen3. Shelly 2L Gen3 позволяет пользователям легко управлять освещением с помощью мобильного телефона, планшета, ПК или интегрированной системы домашней автоматизации. Устройство может работать автономно в локальной сети Wi-Fi или интегрироваться с облачными сервисами домашней автоматизации. Пока устройство подключено к Wi-Fi-роутеру и Интернету, пользователи получают возможность доступа, управления и мониторинга своих настроек освещения практически из любого места. Разработанное с учетом адаптивности, Shelly 2L Gen3 спроектировано таким образом, чтобы плотно вписываться в стандартные электрические коробки, незаметно размещаться за выключателями света или в других местах, где пространство может быть ограничено. Дополнительным преимуществом является встроенный веб-интерфейс, который позволяет пользователям не только отслеживать и управлять освещением, но и легко настраивать параметры устройства. Это устройство совместимо с Matter, эту функциональность можно добавить с помощью обновления прошивки.

Основные характеристики

[править]
  • Идеально подходит для модернизации! Нет необходимости в нейтральном проводе. Вы можете питать и управлять освещением или другими приборами, используя только фазный провод, без необходимости подключения нейтрального провода к устройству.
  • 2 канала! Теперь вы можете настроить его для управления двумя отдельными светильниками.
  • Минимальная мощность лампочек.Для работы устройства требуется установка обходного кабеля Bypass 1L/2L Gen3 рядом со светильником, что позволяет управлять лампочками мощностью более 5 Вт.
  • Подключение к Wi-Fi: Shelly 2L Gen3 подключается к вашей домашней сети Wi-Fi, позволяя управлять им удаленно через мобильное приложение Shelly или другие платформы умного дома.
  • Удаленное управление: Вы можете удаленно управлять подключенным устройством или прибором из любой точки мира, где есть подключение к интернету, используя приложение Shelly на вашем смартфоне или планшете.
  • Голосовое управление: При интеграции с голосовыми помощниками, такими как Amazon Alexa или Google Assistant, вы можете управлять устройством с помощью голосовых команд.
  • Планирование и Автоматизация: Shelly 2L Gen4 поддерживает планирование и автоматизацию, позволяя устанавливать таймеры и создавать сценарии для подключенных устройств. Например, вы можете запрограммировать включение и выключение света в определенное время.
  • Совместимость:
  • Разработан и протестирован для обеспечения совместимости с широким спектром светильников.
  • Предназначен для работы с широким диапазоном напряжений - 220-240 В переменного тока.
  • Компактный дизайн: Shelly 2L Gen3 имеет компактный дизайн, позволяющий ему помещаться в электрические коробки или за выключателями, не занимая много места.
  • Защита:Встроенный датчик температуры для защиты от перегрева.
  • Локальный и удаленный доступ: Вы можете управлять своими устройствами как локально, подключившись к одной и той же сети Wi-Fi, так и удаленно, находясь вне дома.
  • Обновления OTA: Устройства Shelly часто получают обновления прошивки по беспроводной сети (OTA) для повышения функциональности и безопасности.
  • Совместимость с экосистемами умного дома: Shelly 2L Gen3 может быть совместим с различными экосистемами и платформами умного дома, такими как Совместимость с MQTT, Home Assistant и другими сервисами делает его универсальным выбором для создания умного дома.

Основные области применения

[править]
  • Жилые дома
  • Многоквартирные дома (квартиры, кондоминиумы, отели и т. д.)
  • Небольшие коммерческие помещения (небольшие офисные здания, небольшие магазины/рестораны/автозаправочные станции и т. д.)
  • Государственные/муниципальные учреждения
  • Университеты/колледжи

Интеграции

[править]

= Поддерживаемые возможности Amazon Alexa

==

  • Контроллер-переключатель ==

= Поддерживаемые функции Google Smart Home

==

  • Вкл./Выкл. == Поддерживаемые возможности Samsung SmartThings ==
  • Переключатель

Упрощенная внутренняя схема

[править]

Электрические интерфейсы устройства

[править]

Входы

[править]
  • 2 входа для переключателей/кнопок на винтовых клеммах: S1 и S2
  • 1 вход питания на винтовой клемме: L

Выходы

[править]
  • 1 выход сигнала переключателя/кнопки на винтовой клемме: Sx
  • 2 релейных выхода на винтовых клеммах: O1 и O2

Подключение

[править]
  • Wi-Fi
  • Bluetooth

Функция безопасности

[править]
  • Защита от перегрева

Поддерживаемые типы нагрузки

[править]
  • Выход 1:
  • Лампы накаливания
  • Светодиодные лампы
  • без понижающих трансформаторов для низковольтных ламп
  • Выход 2:
  • Лампы накаливания
  • Светодиодные лампы
  • Люминесцентные лампы
  • Вентиляторы

Пользовательский интерфейс

[править]

Входы

[править]
  • Одна (управляющая) кнопка
  • Нажмите и удерживайте 5 секунд, чтобы включить точку доступа устройства и соединение Bluetooth.
  • Нажмите и удерживайте 10 секунд, чтобы сбросить устройство до заводских настроек.

Технические характеристики

[править]
Количество Значение
Физические
Размеры (ВхШхГ) 37x42x16 ±0,5 мм / 1,46x1,65x0,63 ±0,02 дюйма
Вес 28 г / 1 унция
Максимальный крутящий момент винтовых клемм 0,4 Нм / 3,5 фунт·дюйм
Сечение проводника 0,5–4 мм² / 20–11 AWG (одножильные, многожильные и с наконечниками типа «шнурок»)
Длина зачищенного проводника 6–7 мм / 0,24–0,24 дюйма
Монтаж Встраиваемый (внутристенный)
Материал корпуса Пластик
Цвет корпуса Голубой (cyan)
Цвет клемм Чёрный
Условия эксплуатации
Рабочая температура окружающей среды -20–40 °C / -5–105 °F
Температура хранения 10–40 °C
Влажность 30 % до 70 % относительной влажности
Максимальная высота 2000 м / 6562 фута
Электропитание
Источник питания 220–240 В~, 50 Гц (для нагрузки O1 требуется Shelly Bypass)
Shelly Bypass в комплекте Да
Потребляемая мощность < 1,2 Вт
Нейтраль не требуется Да (для нагрузки O1 требуется Shelly Bypass)
Минимальная нагрузка без нейтрали и без байпаса Нет (для нагрузки O1 требуется Shelly Bypass for 1L/2L для всех светодиодных ламп). Нет, байпас не требуется для ламп накаливания.
Номинальные параметры выходных цепей
Максимальное коммутируемое напряжение 240 В~
Максимальная коммутируемая мощность 200 Вт через O1; 700 Вт через O2
Датчики, измерительные приборы
Внутренний датчик температуры Да
Радио
Wi‑Fi Протокол: 802.11 b/g/n
Диапазон радиочастот (Wi‑Fi) 2401–2495 МГц
Макс. мощность радиочастот (Wi‑Fi) < 20 дБм
Дальность действия (Wi‑Fi) До 30 м / 100 футов в помещении и 50 м / 160 футов на открытом воздухе (зависит от местных условий)
Bluetooth Протокол: 4.2
Диапазон радиочастот (Bluetooth) 2400–2483,5 МГц
Макс. мощность радиочастот (Bluetooth) < 4 дБм
Дальность действия (Bluetooth) До 10 м / 33 фута в помещении и 30 м / 100 футов на открытом воздухе (зависит от местных условий)
Микроконтроллер
Процессор ESP‑Shelly‑C38F
Тактовая частота 160 МГц
ОЗУ 512 КБ
Флэш‑память 8 МБ
Возможности прошивки
Расписания 20
Веб‑хуки (действия по URL) 20, по 5 URL на каждый хук
Скриптинг Да
MQTT Да

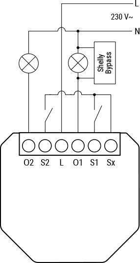
Базовая схема подключения

[править]

Легенда

[править]
Клеммы Провода
L Клемма фазы (220–240 В~)
L (провод) Провод фазы (220–240 В~)
N Нейтральный провод
S1 Входная клемма переключателя 1
S2 Входная клемма переключателя 2
Sx Общая клемма (выход сигнала переключателя)
O1 Выходная клемма цепи нагрузки 1
O2 Выходная клемма цепи нагрузки 2

Shelly Smart Control

[править]
  • Добавление устройства в Shelly Smart Control

Устранение неполадок

[править]

ГўВЂВ¦

Компоненты и API

[править]
  • Это устройство
  • Все устройства и сервисы Shelly

Соответствие требованиям

[править]
  • Shelly 2L Gen3 многоязычная декларация соответствия ЕС 2025-07-22.pdf
  • Shelly 2L Gen3 UK PSTI ACT Statement of compliance.pdfАрхив соответствияShelly 2L Gen3 многоязычная декларация соответствия ЕС 83 09.04.02025.pdf

Печатное руководство пользователя

[править]
  • Shelly 2L Gen3 многоязычное печатное руководство пользователя и по технике безопасности.pdf
  • Гђ Г’ŠÐºÐ¾Ð²Ð¾Ð´ÒÒ‚во ГђВ·ГђВ° Г’Впо҂Ҁеба ГђВё безопаҁноҁ҂

Руководства по установке

[править]