Перейти к содержанию

Shelly Plus Plug ИТ

Материал из База знаний Shelly

Идентификация устройства

[править]
  • Название устройства: Shelly Plus Plug IT
  • Модель устройства: SNPL-00110IT
  • SSID устройства: ShellyPlusPlugIT-XXXXXX

Краткое описание

[править]

Shelly Plus Plug IT (Устройство) — это умная розетка с функцией измерения мощности и защитой от перегрева, позволяющая дистанционно управлять электроприборами с помощью мобильного телефона, планшета, ПК или системы домашней автоматизации. Она может работать автономно в локальной сети Wi-Fi или управляться через облачные сервисы домашней автоматизации. Доступ к Shelly Plus Plug IT, его настройка и мониторинг возможны из любого места, где у пользователя есть доступ к интернету, при условии подключения устройства к Wi-Fi-роутеру и интернету. Устройство имеет встроенный веб-интерфейс, который можно использовать для мониторинга и управления устройством, а также для настройки его параметров.

Основные области применения

[править]
  • Жилые помещения
  • Многоквартирные дома (квартиры, кондоMiniумы, гостиницы и т. д.)
  • Небольшие коммерческие помещения (небольшие офисные здания, небольшие магазины/рестораны/автозаправочные станции и т. д.)
  • Государственные/муниципальные учреждения
  • Университеты/колледжи

Интеграции

[править]
  • Google
  • Samsung SmartThings
  • Alexa

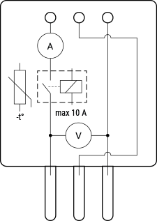
Упрощенная внутренняя схема

[править]

Электрические интерфейсы устройства

[править]

Вход

[править]
  • Вилка CEI 23-16 / IT1-10P (тип L)

Выход

[править]
  • Розетка CEI 23-16 / IT1-10P (тип L)

Подключение

[править]
  • Wi-Fi
  • Bluetooth

Функции безопасности

[править]
  • Защита от перегрева
  • Защита от перенапряжения
  • Защита от перегрузки по току
  • Защита от перегрузки по мощности

Поддерживаемые типы нагрузок

[править]
  • Резистивные (лампы накаливания, нагревательные приборы)
  • Емкостные (конденсаторные батареи, электронное оборудование, пусковые конденсаторы двигателей)
  • Индуктивные (драйверы светодиодов, трансформаторы, вентиляторы, холодильники, кондиционеры)

Пользовательский интерфейс

[править]

Входы

[править]
  • Одна кнопка. Нажмите и удерживайте 5 секунд для перезагрузки (возможно до 60 секунд после подключения устройства). Нажмите и удерживайте 10 секунд для сброса до заводских настроек (возможно до 60 секунд после подключения устройства).

Выходы

[править]
  • Светодиодная индикация: Быстро мигающий синий: Режим точки доступа; Медленно мигающий синий: Подключено к сети Wi-Fi; Неподвижный синий: Подключено к облаку Shelly; Неподвижный красный: Питание подключенного устройства; Медленно мигающий красный: Инициирована перезагрузка (кнопка питания нажата в течение 5 секунд); Быстро мигающий красный: Инициирован сброс к заводским настройкам (кнопка питания нажата в течение 10 секунд); Попеременное мигание красного и синего: Обновление прошивки

Технические характеристики

[править]
Тип Значение
Физические размеры
Размеры (ВхШхГ): 70x70x70 мм ±0,5 мм / 2,76x2,76x2,76 дюйма ±0,02 дюйма
Вес: 105 ±1 г / 3,70 ±0,04 унции
Совместимые розетки: CEI 23-16 / IT1-10P (тип L)
Совместимые вилки: CEI 23-16 / IT1-10P (тип L), CEE 7/16 (тип C)
Материал корпуса: Пластик
Цвет: Белый
Условия эксплуатации
Температура окружающей среды: от -20 °C до 40 °C / от -5 °F до 105 °F
Влажность: от 30 % до 70 % относительной влажности
Максимальная высота над уровнем моря: 2000 м / 6562 фута
Электрические характеристики
Напряжение питания переменного тока: 230 В ±10 %, 60 Гц
Напряжение питания постоянного тока: Н/Д
Потребляемая мощность: < 1 Вт
Характеристики выходных цепей
Максимальное коммутируемое напряжение переменного тока: 260 В
Максимальное коммутируемое напряжение постоянного тока: Н/Д
Максимальный коммутируемый ток переменного тока: 10 А
Максимальный коммутируемый ток постоянного тока: Н/Д
Датчики, измерительные приборы
Датчик внутренней температуры: Да
Вольтметр: Да
Амперметр: Да
Измерители мощности и энергии: Да
Радио
Диапазон радиочастот: 2400 - 2495 МГц
Максимальная мощность радиочастот: <20 дБм
Протокол Wi-Fi: 802.11 b/g/n
Диапазон действия Wi-Fi: До 30 м / 100 футов в помещении и 50 м / 160 футов на открытом воздухе (зависит от местных условий)
Протокол Bluetooth: 4.2
Диапазон действия Bluetooth: До 10 м / 33 футов в помещении и 30 м / 100 футов на открытом воздухе (зависит от местных условий)
MCU
CPU: ESP32
Flash: 4 МБ
Возможности прошивки
Веб-хуки (действия по URL): 20 с 5 URL на каждый хук
Скриптинг: Да
MQTT: Да
CoAP: Нет

Устранение неполадок

[править]

...

Компоненты и API

[править]
  • Это устройство
  • Все устройства и сервисы Shelly

Соответствие требованиям

[править]

Многоязычная декларация соответствия ЕС Shelly Plus Plug IT 2025-07-21.pdf

Архив соответствия

Многоязычная декларация соответствия ЕС Shelly Plus Plug IT 2 2023-05-01.pdf

Печатное руководство пользователя

[править]

Многоязычное печатное руководство пользователя и по технике безопасности Shelly Plus Plug IT.pdf

Руководства по установке

[править]
  • Руководство пользователя и по технике безопасности Shelly Plus Plug IT