Shelly Plus Plug US
Идентификация устройства
[править]- Название устройства: Shelly Plus Plug US
- Модель устройства: SNPL-00116US
- SSID устройства: ShellyPlusPlugUS-XXXXXX
Краткое описание
[править]Shelly Plus Plug US (Устройство) — это умная розетка с функцией измерения мощности и защитой от перегрева, позволяющая дистанционно управлять электроприборами с помощью мобильного телефона, планшета, ПК или системы домашней автоматизации. Она может работать автономно в локальной сети Wi-Fi или управляться через облачные сервисы домашней автоматизации. Доступ к Shelly Plus Plug US, его настройка и мониторинг возможны из любого места, где у пользователя есть доступ к интернету, при условии подключения устройства к Wi-Fi-роутеру и интернету. Устройство имеет встроенный веб-интерфейс, который можно использовать для мониторинга и управления устройством, а также для настройки его параметров.
Основные области применения
[править]- Жилые помещения
- Многоквартирные дома (квартиры, кондоMiniумы, гостиницы и т. д.)
- Небольшие коммерческие помещения (небольшие офисные здания, небольшие магазины/рестораны/автозаправочные станции и т. д.)
- Государственные/муниципальные учреждения
- Университеты/колледжи
Интеграции
[править]- Samsung SmartThings
- Alexa
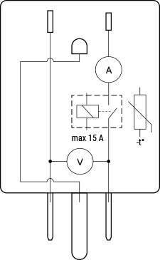
Упрощенная внутренняя схема
[править]Электрические интерфейсы устройства
[править]Вход
[править]- 1 вилка NEMA 5-15 (тип B)
Выход
[править]- 1 розетка NEMA 5-15 (тип B)
Подключение
[править]- Wi-Fi
- Bluetooth
Функции безопасности
[править]- Защита от перегрева Защита
- Защита от перенапряжения
- Защита от перегрузки по току
- Защита от перегрузки по мощности
Поддерживаемые типы нагрузок
[править]- Резистивные (лампы накаливания, нагревательные приборы)
- Емкостные (конденсаторные батареи, электронное оборудование, пусковые конденсаторы двигателей)
- Индуктивные (драйверы светодиодных ламп, трансформаторы, вентиляторы, холодильники, кондиционеры)
Пользовательский интерфейс
[править]Входы
[править]- Одна кнопка. Нажмите и удерживайте 5 секунд для перезагрузки (возможно до 60 секунд после подключения устройства). Нажмите и удерживайте 10 секунд для сброса до заводских настроек (возможно до 60 секунд после подключения устройства).
Выходы
[править]- Светодиодная индикация: Быстро мигающий синий: Режим точки доступа; Медленно мигающий синий: Подключено к сети Wi-Fi; Неподвижный синий: Подключено к Shelly Cloud; Неподвижный красный: Питание подключенного устройства; Медленно мигающий красный: Инициирована перезагрузка (кнопка питания нажата в течение 5 секунд); Быстро мигающий красный: Инициирован сброс к заводским настройкам (кнопка питания нажата в течение 10 секунд); Попеременное мигание красного и синего: Обновление прошивки
Технические характеристики
[править]| Тип | Значение |
|---|---|
| Физические размеры | |
| Размеры (ВхШхГ): | 38x84x52 ±0,5 мм / 1,5x3,3x2,0 дюйма ±0,02 дюйма |
| Вес: | 70 ±1 г / 2,47 ±0,04 унции |
| Совместимые розетки: | NEMA 5-15 (Тип-B) |
| Совместимые вилки: | NEMA 1-15 (Тип-A) и NEMA 5-15 (Тип-B) |
| Материал корпуса: | Пластик |
| Цвет: | Белый |
| Условия эксплуатации | |
| Температура окружающей среды: | -20 °C до 40 °C / -5 °F до 105 °F |
| Влажность: | 30 % до 70 % относительной влажности |
| Максимальная высота: | 2000 м / 6562 фута |
| Электрические характеристики | |
| Напряжение питания переменного тока: | 120 В ±10 %, 60 Гц |
| Напряжение питания постоянного тока: | N/A |
| Потребляемая мощность: | < 1 Вт |
| Характеристики выходных цепей | |
| Максимальное коммутируемое напряжение переменного тока: | 140 В |
| Максимальное коммутируемое напряжение постоянного тока: | Н/Д |
| Максимальный коммутируемый ток переменного тока: | 15 А |
| Максимальный коммутируемый ток постоянного тока: | Н/Д |
| Датчики, измерительные приборы | |
| Датчик внутренней температуры: | Да |
| Вольтметр: | Да |
| Амперметр: | Да |
| Измерители мощности и энергии: | Да |
| Радио | |
| Диапазон радиочастот: | 2400 - 2495 МГц |
| Максимальная мощность радиочастот: | <20 дБм |
| Протокол Wi-Fi: | 802.11 b/g/n |
| Диапазон действия Wi-Fi: | До 30 м / 100 футов в помещении и 50 м / 160 футов на открытом воздухе (зависит от местных условий) |
| Протокол Bluetooth: | 4.2 |
| Диапазон Bluetooth: | До 10 м / 33 футов в помещении и 30 м / 100 футов на открытом воздухе (зависит от местных условий) |
| MCU | |
| CPU: | ESP32 |
| Flash: | 4 МБ |
| Возможности прошивки | |
| Веб-хуки (действия по URL): | 20 с 5 URL на каждый хук |
| Скриптинг: | Да |
| MQTT: | Да |
| CoAP: | Нет |
Устранение неполадок
[править]...
Компоненты и API
[править]- Это устройство
- Все устройства и сервисы Shelly
Печатное руководство пользователя
[править]Shelly Plus Plug US многоязычное печатное руководство пользователя и руководство по безопасности.pdf
Руководства по установке
[править]- Руководство пользователя и руководство по безопасности Shelly Plus Plug US

