Shelly Plus Uni
Идентификация устройства
[править]- Название устройства: Shelly Plus Uni
- Модель устройства: SNSN-0043X
- SSID устройства: ShellyPlusUni-XXXXXX
Краткое описание
[править]Shelly Plus Uni (Устройство) — это компактный интеллектуальный универсальный модуль, оснащенный двумя твердотельными реле с беспотенциальными контактами, счетчиком импульсов, аналоговым и двумя цифровыми входами. Он позволяет дистанционно управлять электроприборами с помощью мобильного телефона, планшета, ПК или системы домашней автоматизации. Он может работать автономно в локальной сети Wi-Fi или управляться через облачные сервисы домашней автоматизации. Доступ к Shelly Plus Uni, управление им и мониторинг осуществляются удаленно из любого места, где у пользователя есть доступ к интернету, при условии, что устройство подключено к Wi-Fi-роутеру и интернету.
Устройство Shelly Plus Uni имеет встроенный веб-интерфейс, который можно использовать для мониторинга и управления устройством, а также для настройки его параметров.
Основные области применения
[править]- Жилые помещения
- Многоквартирные дома (квартиры, кондоMiniумы, гостиницы и т. д.)
- Небольшие коммерческие помещения (небольшие офисные здания, небольшие магазины/рестораны/автозаправочные станции и т. д.)
- Государственные/муниципальные учреждения
- Университеты/колледжи
Интеграции
[править]- Samsung SmartThings
- Alexa
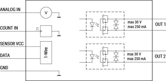
Упрощенная внутренняя схема
[править]Электрические интерфейсы устройства
[править]Источник питания
[править]- Источник питания переменного/постоянного тока - VAC1 и VAC2
- Источник питания постоянного тока - +5 В постоянного тока и GND
Входы
[править]- 1 аналоговый вход - ANALOG IN
- 1 вход данных 1-Wire - DATA
- 1 вход счетчика импульсов - COUNT IN
- 2 цифровых входа - IN1 и IN2
Выходы
[править]- 1 выход питания датчика - SENSOR VCC
- 2 выхода твердотельных реле с беспотенциальными контактами - OUT1 и OUT2
Интерфейс дополнения
[править]- Фирменный последовательный интерфейс Shelly
Подключение
[править]- Wi-Fi
- Bluetooth (для включения в комплект)
Функции безопасности
[править]- Защитная пленка для печатной платы
Пользовательский интерфейс
[править]Входы
[править]- Одна кнопка (Сброс) Нажмите и удерживайте 5 секунд, чтобы включить точку доступа устройства и соединение Bluetooth. Нажмите и удерживайте 10 секунд, чтобы сбросить устройство до заводских настроек.
Выходы
[править]- Светодиодная (одноцветная) индикация Точка доступа (AP) включена, Wi-Fi выключен: 1 секунда ВКЛ / 1 секунда ВЫКЛ Wi-Fi включен, но не подключен к сети Wi-Fi: 1 секунда ВКЛ / 3 секунды ВЫКЛ Подключен к сети Wi-Fi: Постоянно ВКЛ Облако включено, но не подключено: 1 секунда ВКЛ / 5 секунд ВЫКЛ Подключен к облаку Shelly: Постоянно ВКЛ OTA (обновление по воздуху): ½ секунды ВКЛ / ½ секунды ВЫКЛ Кнопка нажата и удерживается 5 секунд: ½ секунды ВКЛ / ½ секунды ВЫКЛ Кнопка нажата и удерживается 10 секунд: ¼ секунды ВКЛ / ¼ секунды ВЫКЛ
Приведенный выше список начинается с начального состояния устройства и самого низкого приоритета. Каждое следующее состояние отменяет предыдущее.
Технические характеристики
[править]| Тип | Значение |
|---|---|
| Физические | |
| Размеры печатной платы (ДхШхВ): | 40х21х7 мм / 1,57х0,83х0,28 дюйма |
| Вес: | 8,5 г / 0,3 унции (с кабелями) |
| Условия эксплуатации | |
| Температура окружающей среды: | от -20 °C до 40 °C / от -5 °F до 105 °F |
| Влажность: | от 30 % до 70 % относительной влажности |
| Электрические характеристики | |
| Источник питания: | 8-24 В переменного тока, 9-28 В постоянного тока, 5 В постоянного тока (стабилизированный, через +5 В постоянного тока и GND) |
| Потребляемая мощность: | < 1 Вт |
| Характеристики входных цепей | |
| Сопротивление цифровых входов: | 50 кОм |
| Напряжение срабатывания цифровых входов: | 1,5 В (активный низкий уровень) |
| Характеристики выходных цепей | |
| Максимальное коммутируемое напряжение: | 30 В |
| Максимальный коммутируемый ток: | 300 мА |
| Датчики, измерительные приборы | |
| Вольтметр: | 0-15 В постоянного тока / 0-30 В постоянного тока (двухдиапазонный) |
| Точность вольтметра: | |
| Напряжение срабатывания входного сигнала счетчика импульсов: | 1,5 В (активный низкий уровень) |
| Максимальная частота счетчика импульсов: | 1 кГц |
| Поддерживаемые внешние датчики: | Один DHT22 или до пяти DS18B20 |
| Радио | |
| Диапазон радиочастот: | 2400 - 2495 МГц |
| Макс. Мощность радиочастот: | <20 дБм |
| Протокол Wi-Fi: | 802.11 b/g/n |
| Диапазон действия Wi-Fi: | До 30 м / 100 футов в помещении и 50 м / 160 футов на открытом воздухе (зависит от местных условий) |
| Протокол Bluetooth: | 4.2 |
| Диапазон действия Bluetooth: | До 10 м / 33 футов в помещении и 30 м / 100 футов на открытом воздухе (зависит от местных условий) |
| Микроконтроллер | |
| Процессор: | ESP32-U4WDH |
| Флэш-память: | 4 МБ |
| Возможности прошивки | |
| Расписания: | 20 |
| Веб-хуки (действия по URL): | 20 с 5 URL-адресами на каждый хук |
| Скриптинг: | Да |
| MQTT: | Да |
| CoAP: | Нет |
Базовая схема подключения
[править]ВНИМАНИЕ! Входы Shelly Plus Uni отличаются от предыдущих Shelly Uni.
Легенда
[править]| VAC1 | Красный | Вход питания 8-24 В переменного тока / 9-28 В постоянного тока 1 |
| VAC2 | Черный | Вход питания 8-24 В переменного тока / 9-28 В постоянного тока 2 |
| АНАЛОГОВЫЙ ВХОД | Белый | Аналоговый вход |
| Напряжение питания датчика (VCC) | Желтый | Питание для 1-проводных датчиков |
| Данные | Синий | Линия передачи данных 1-проводного датчика |
| + 5 В постоянного тока | Серый | Положительный вход питания 5 В постоянного тока |
| Земля | Зеленый | Вход заземления питания 5 В постоянного тока и заземление датчика |
| Вход подсчета | Фиолетовый | Вход счетчика |
| Вход 1 | Оранжевый | Цифровой вход 1 |
| Вход 2 | Коричневый | Цифровой вход 2 |
| Выход 1 | Черный | Клеммы твердотельного реле 1 |
| Выход 2 | Черный | Твердотельное реле, 2 клеммы |
Поиск и устранение неисправностей
[править]...
Руководство по веб-интерфейсу
[править]Прочитайте руководство по веб-интерфейсу Shelly Plus Uni
Компоненты и API
[править]- Это устройство
- Все устройства и сервисы Shelly
Печатное руководство пользователя
[править]Shelly Plus UNI многоязычное печатное руководство пользователя и по технике безопасности.pdf
- Руководство по технике безопасности
Соответствие требованиям
[править]Shelly Plus Uni многоязычная декларация соответствия ЕС 2025-07-21.pdf
Shelly Plus Uni UK PSTI ACT Statement of compliance.pdf
Архив соответствия требованиям
Shelly Plus Uni многоязычная декларация соответствия ЕС 29 2023-12-29.pdf



