Shelly Pro 3
Идентификация устройства
[править]- Название устройства: Shelly Pro 3
- Модель устройства: SPSW-003XE16EU
- SSID устройства: ShellyPro3-XXXXXX
Краткое описание
[править]Shelly Pro 3 — это 3-канальный интеллектуальный выключатель с беспотенциальными контактами, монтируемый на DIN-рейку, способный коммутировать 3 полностью независимых цепи, включая трехфазные. Благодаря гибкости прошивки Gen2 и возможности подключения к локальной сети, он предоставляет профессиональным интеграторам множество дополнительных возможностей для решений для конечных пользователей. Он может работать автономно в локальной сети Wi-Fi или управляться через облачные сервисы домашней автоматизации. Доступ к Shelly Pro 3, управление им и мониторинг осуществляются удаленно из любого места, где у пользователя есть доступ к интернету, при условии, что устройство подключено к Wi-Fi-роутеру и интернету. Shelly Pro 3 имеет встроенный веб-интерфейс, который можно использовать для мониторинга и управления устройством, а также для настройки его параметров.
Основные области применения
[править]- Жилые помещения
- Многоквартирные дома (квартиры, кондоMiniумы, гостиницы и т. д.)
- Небольшие коммерческие помещения (небольшие офисные здания, небольшие магазины/рестораны/автозаправочные станции и т. д.)
- Государственные/муниципальные учреждения
- Университеты/колледжи
Интеграции
[править]- Samsung SmartThings
- Alexa
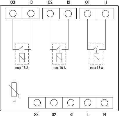
Упрощенная внутренняя схема
[править]Электрические интерфейсы устройства
[править]Входы
[править]- 3 входа для переключателей/кнопок на винтовых клеммах: S1, S2 и S3
- 2 входа питания на винтовых клеммах: 1 N и 1 L
- 3 релейных входа: I1, I2 и I3
Выходы
[править]- 3 релейных выхода: O1, O2 и O3
Порт Ethernet
[править]- 1 разъем RJ45
⚠ВНИМАНИЕ! Подключайте или отключайте кабель LAN только при выключенном устройстве! Разъем кабеля LAN не должен быть металлическим в тех местах, к которым прикасается пользователь при подключении или отключении кабеля.
Подключение
[править]- Ethernet
- Wi-Fi
- Bluetooth
Функции безопасности
[править]- Защита от перегрева
Поддерживаемые типы нагрузок
[править]- Резистивные (лампы накаливания, нагревательные приборы)
- Емкостные (конденсаторные батареи, электронное оборудование, пусковые конденсаторы двигателей)
- Индуктивные с RC-демпфером (драйверы светодиодов, трансформаторы, вентиляторы, холодильники, кондиционеры)
Пользовательский интерфейс
[править]Входы
[править]- Одна тактильная купольная кнопка. Нажмите и удерживайте 5 секунд для перезагрузки. Нажмите и удерживайте 10 секунд для сброса до заводских настроек.
Выходы
[править]- Светодиодная индикация питания (красный): Красный индикатор горит, если подключен источник питания. Wi-Fi (зависит от сети): Синий индикатор горит в режиме точки доступа (AP). Красный индикатор горит в режиме станции (STA) и не подключен к сети Wi-Fi. Желтый индикатор будет гореть в режиме STA и при подключении к сети Wi-Fi. При отключенном подключении к Shelly Cloud или при отключенном Shelly Cloud индикатор будет гореть. Зеленый индикатор будет гореть в режиме STA и при подключении к сети Wi-Fi и Shelly Cloud. Индикатор будет мигать красным/синим цветом, если выполняется обновление OTA. LAN (зеленый): Зеленый индикатор будет гореть при подключении к LAN. Выход 1 (красный): Красный индикатор будет гореть, если реле выхода 1 замкнуто. Выход 2 (красный): Красный индикатор будет гореть, если реле выхода 2 замкнуто. Выход 3 (красный): Красный индикатор будет гореть, если реле выхода 3 замкнуто.
Технические характеристики
[править]| Тип | Значение |
|---|---|
| Физические размеры | |
| Размеры (ВхШхГ): | 96x53x59 ±0,5 мм / 3,78x2,01x2,32 ±0,02 дюйма |
| Вес: | |
| Монтаж: | DIN-рейка |
| Максимальный крутящий момент винтовых клемм: | 0,4 Нм / 4,43 фунта |
| Сечение проводника: | 0,5–2,5 мм² / 20–14 AWG |
| Длина зачищенного проводника: | 6–7 мм / 0,24–0,28 дюйма |
| Материал корпуса: | Пластик |
| Цвет: | Черный |
| Условия эксплуатации | |
| Температура окружающей среды: | -20 °C–40 °C / -5 °F–105 °F |
| Влажность | От 30% до 70% относительной влажности |
| Максимальная высота | 2000 м / 6562 фута |
| Электрические характеристики | |
| Напряжение питания переменного тока: | 110 - 240 В |
| Напряжение питания постоянного тока: | Не применимо |
| Потребляемая мощность: | < 3 Вт |
| Нейтраль не требуется: | Нет |
| Характеристики выходных цепей | |
| Максимальное коммутируемое напряжение переменного тока: | 240 В |
| Максимальное коммутируемое напряжение постоянного тока: | 30 В |
| Максимальный коммутируемый ток переменного тока: | 16 А на канал, 48 А всего |
| Максимальный коммутируемый ток постоянного тока: | 16 А на канал, 48 А всего |
| Датчики, измерительные приборы | |
| Датчик внутренней температуры: | Да |
| Радио | |
| Диапазон радиочастот: | 24010-2495 МГц |
| Макс. мощность радиочастот: | <20 дБм |
| Протокол Wi-Fi: | 802.11 b/g/n |
| Диапазон действия Wi-Fi: | До 30 м / 100 футов в помещении и 50 м / 160 футов на открытом воздухе (зависит от местных условий) |
| Протокол Bluetooth: | 4.2 |
| Диапазон действия Bluetooth: | До 10 м / 33 футов в помещении и 30 м / 100 футов на открытом воздухе (зависит от местных условий) |
| Микроконтроллер | |
| Процессор: | ESP32-D0WDQ6 |
| Флэш-память: | 8 МБ |
| Возможности прошивки | |
| Расписания: | 20 |
| Веб-хуки (действия по URL): | 20 с 5 URL на каждый хук |
| Скриптинг: | Да |
| MQTT: | Да |
| CoAP: | Нет |
Базовая схема подключения
[править]| Резистивная нагрузка | Индуктивная нагрузка и RC-демпфер |
Легенда
[править]| Клеммы | Провода | ||
|---|---|---|---|
| I1, I2, I3 | Входные клеммы цепи нагрузки | L1(A) | Провод под напряжением цепи нагрузки 1 (110-240 В) |
| O1, O2, O3 | Выходные клеммы цепи нагрузки | L2(B) | Нагрузочная цепь 2, провод под напряжением (110-240 В) |
| S1, S2, S3 | Клеммы входа переключателя/кнопки | L3(C) | Нагрузочная цепь 3, провод под напряжением (110-240 В) |
| L | Клемма под напряжением (110-240 В) | N | Нейтральный провод |
| N | Клемма нейтрали | ||
| LAN | Разъем RJ 45 для локальной сети | ||
Shelly Smart Control
[править]- Добавление устройства в Shelly Smart Control
Веб-интерфейс пользователя Shelly
[править]- Руководство по веб-интерфейсу Shelly Pro 3
Устранение неполадок
[править]...
Компоненты и API
[править]- Это устройство
- Все устройства и сервисы Shelly
Печатное руководство пользователя
[править]Shelly Pro 3 многоязычное печатное руководство пользователя и руководство по безопасности.pdf
- Ръководство за употребление и безопасность
Соответствие
[править]Shelly Pro 3 многоязычная декларация соответствия ЕС 2025-07-21.pdf
Shelly Pro 3 UK PSTI ACT Statement of compliance.pdf
Shelly Pro 3 AU NZ Certificate for Suitability .pdf
Архив соответствия
Shelly Pro 3 многоязычная декларация соответствия ЕС 18 2022-11-14.pdf

