Shelly Pro 4PM V1
Идентификация устройства
[править]- Название устройства: Shelly Pro 4PM
- Модель устройства: SPSW-004PE16EU
- SSID устройства: ShellyPro4PM-XXXXXX
Краткое описание
[править]Shelly Pro 4PM — это 4-канальный интеллектуальный выключатель с возможностью измерения мощности, монтируемый на DIN-рейку. Благодаря гибкости прошивки второго поколения и возможности подключения к локальной сети, он предоставляет профессиональным интеграторам множество дополнительных возможностей для решений для конечных пользователей. Он может работать автономно в локальной сети Wi-Fi или управляться через облачные сервисы домашней автоматизации. Доступ к Shelly Pro 4PM, управление и мониторинг возможны удаленно из любого места, где у пользователя есть доступ к интернету, при условии, что устройство подключено к Wi-Fi-роутеру и интернету.
Устройство Shelly Pro 4PM имеет встроенный веб-интерфейс, который позволяет отслеживать и контролировать работу устройства, а также настраивать его параметры.
Основные области применения
[править]- Жилые помещения
- Многоквартирные дома (квартиры, кондоMiniумы, гостиницы и т. д.)
- Небольшие коммерческие помещения (небольшие офисные здания, небольшие магазины/рестораны/автозаправочные станции и т. д.)
- Государственные/муниципальные учреждения
- Университеты/колледжи
Интеграции
[править]- Alexa
- Samsung SmartThings
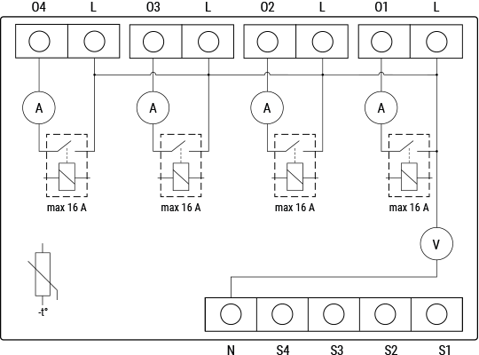
Упрощенная внутренняя схема
[править]Электрические интерфейсы устройства
[править]Входы
[править]- 4 входа для переключателей/кнопок на винтовых клеммах: S1 , S2 , S3 и S 4
- 5 входов питания на винтовых клеммах: 1 N и 4 L
Выходы
[править]- 4 релейных выхода: O1 , O2 , O3 и O4
Порт Ethernet
[править]- 1 разъем RJ45
⚠ВНИМАНИЕ! Подключайте или отключайте кабель LAN только при выключенном устройстве! Разъем кабеля LAN не должен быть металлическим в тех местах, к которым прикасается пользователь при подключении или отключении кабеля.
Возможности подключения
[править]- Ethernet
- Wi-Fi
- Bluetooth
Функции безопасности
[править]- Защита от перегрева
- Защита от перенапряжения
- Защита от перегрузки по току
- Защита от перегрузки по мощности
Поддерживаемые типы нагрузок
[править]- Резистивные (лампы накаливания, нагревательные приборы)
- Емкостные (конденсаторные батареи, электронное оборудование, пусковые конденсаторы двигателей)
- Индуктивные с RC-демпфером (драйверы светодиодов, трансформаторы, вентиляторы, холодильники, кондиционеры)
Пользовательский интерфейс
[править]Входы
[править]Три кнопки на передней панели:
- Левая кнопка: Нажмите, чтобы прокрутить вверх по текущему отображаемому меню
- Средняя кнопка: Нажмите, чтобы прокрутить вниз по текущему отображаемому меню
- Правая кнопка: Нажмите, чтобы включить дисплей устройства Нажмите и удерживайте, чтобы перейти к экрану меню Нажмите, чтобы выбрать пункт меню Нажмите и удерживайте, находясь в подменю, чтобы перейти в главное меню
Выходы
[править]Цветной ЖК-дисплей.
На ЖК-дисплее отображается верхняя панель с краткой информацией о состоянии:
- Время
- Состояние подключения Bluetooth: Отключено - нет значка; Включено - синий значок
- Состояние LAN: Отключено - нет значка; Включено, но не подключено - красный значок; Подключено - зеленый значок
- Состояние Wi-Fi STA: Отключено - нет значка; Включено, но не подключено - красный значок; Подключено - зеленый значок
- Состояние Wi-Fi AP: Отключено - нет значка; Включено, но не подключено - красный значок; Подключено - зеленый значок
- Состояние облака: Отключено - нет значка; Включено, но не подключено - красный значок; Подключено - зеленый значок
Остальная часть ЖК-дисплея используется для отображения экранов меню устройства:
- Главный (по умолчанию) экран: Выход 1 включен/выключен; Выход 2 включен/выключен; Выход 3 включен/выключен; Выход 4 включен/выключен
- Сеть: Включение/выключение Wi-Fi AP; Включение/выключение Wi-Fi; Включение/выключение Ethernet; Включение/выключение Bluetooth
- Состояние: Отображает полную информацию о состоянии
- Техническое обслуживание; Сброс Wi-Fi; Сброс до заводских настроек Перезагрузка
Технические характеристики
[править]| Тип | Значение |
|---|---|
| Физические размеры | |
| Размеры (ВхШхГ): | 96x53x59 ±0,5 мм / 3,78x2,01x2,32 ±0,02 дюйма |
| Вес: | |
| Монтаж: | DIN-рейка |
| Максимальный крутящий момент винтовых клемм: | 0,4 Нм / 3,5 фунта |
| Сечение проводника: | 0,5–2,5 мм² / 20–14 AWG |
| Длина зачищенного проводника: | 6–7 мм / 0,24–0,28 дюйма |
| Материал корпуса: | Пластик |
| Цвет: | Черный |
| Условия эксплуатации | |
| Температура окружающей среды: | от -20 °C до 40 °C / от -5 °F до 105 °F |
| Влажность: | от 30 % до 70 % относительной влажности |
| Максимальная высота: | 2000 м / 6562 фута |
| Электрические характеристики | |
| Напряжение питания переменного тока: | 110 - 240 В |
| Напряжение питания постоянного тока: | Не применимо |
| Потребляемая мощность: | < 4 Вт |
| Нейтраль не требуется: | Нет |
| Характеристики выходных цепей | |
| Максимальное коммутируемое напряжение переменного тока: | 240 В |
| Максимальное коммутируемое напряжение постоянного тока: | Не применимо |
| Максимальный коммутируемый ток переменного тока: | 16 А на канал, 40 А всего |
| Максимальный коммутируемый ток постоянного тока: | Н/Д |
| Датчики, измерительные приборы | |
| Вольтметр (переменного тока) | Да |
| Амперметр (переменного тока) | Да |
| Датчик внутренней температуры: | Да |
| Радио | |
| Диапазон радиочастот: | 2400 - 2495 МГц |
| Максимальная мощность радиочастот: | <20 дБм |
| Протокол Wi-Fi: | 802.11 b/g/n |
| Диапазон действия Wi-Fi: | До 30 м / 100 футов в помещении и 50 м / 160 футов на открытом воздухе (зависит от местных условий) |
| Протокол Bluetooth: | 4.2 |
| Диапазон действия Bluetooth: | До 10 м / 33 футов в помещении и 30 м / 100 футов на открытом воздухе (зависит от местных условий) |
| MCU | |
| CPU: | ESP32-D0WDQ6 |
| Flash: | 8 МБ |
| Возможности прошивки | |
| Расписания: | 20 |
| Веб-хуки (действия по URL): | 20 с 5 URL на каждый хук |
| Скриптинг: | Да |
| MQTT: | Да |
| CoAP: | Нет |
Базовая схема подключения
[править]Резистивная нагрузка
Легенда
[править]| Клеммы | ! Провода | ||
|---|---|---|---|
| O1, O2, O3, O4 | Выходные клеммы цепи нагрузки | L | Провод под напряжением (110-240 В~) |
| S1, S2, S3, S4 | Входные клеммы переключателя/кнопки | N | Нейтральный провод |
| L | Клемма под напряжением (110-240 В~) | ||
| N | Клемма нейтрали | ||
| LAN | Разъем RJ 45 для локальной сети |
Shelly Smart Control
[править]- Добавление устройства в Shelly Smart Control
Веб-интерфейс пользователя Shelly
[править]- Руководство по веб-интерфейсу Shelly Pro 4PM
Устранение неполадок
[править]...
Компоненты и API
[править]- Это устройство
- Все устройства и сервисы Shelly
Печатное руководство пользователя
[править]Shelly Pro 4PM V1 многоязычное печатное руководство пользователя и по технике безопасности.pdf
- Положение об использовании и безопасности
Соответствие
[править]Декларация соответствия ЕС


