Shelly Wave PRO Dimmer 2PM US
Идентификация устройства
[править]Устройство: Shelly Wave Pro Dimmer 2PM (США)Номер детали/код заказа в США: QPDM-0A2P01USZ-Wave ID типа продукта: 0x0001Z-Wave ID продукта: 0x0082Z-Wave Производитель: Shelly EuropeZ-Wave ID производителя: 0x0460
Терминология
[править]Нажмите, чтобы скрыть/показать
- OTA - Обновление прошивки по беспроводной сети.
- FW -Прошивка
- ZAF -Z-Wave® протокол
- NIF - Информация об узле. Кадр, отправляемый при каждом добавлении (включении) для представления/рекламы Возможности устройства для шлюза, позволяющие ему корректировать свои рабочие параметры.
- CC -Класс команд (центральный элемент взаимодействия ZAF). Файлы/процессы, определяющие способ отправки и обработки/получения данных. Классы команд включают в себя их сигнатуры при отправке данных, что позволяет распознать, какой процесс отправляет данные для целевого устройства.
- Переключатель - Тумблерный переключатель или бистабильный переключатель.
- Кнопка - Кнопочный переключатель или моностабильный переключатель.
- Переключатель/кнопка -Может быть переключателем или кнопкой.
- Двойное нажатие -Если задержка между первым и вторым нажатием переключателя/кнопки составляет менее 500 мс, это интерпретируется как двойное нажатие.
- Шлюз (GW) - Шлюз Z-Wave®, также называемый контроллером Z-Wave®, главным контроллером Z-Wave®. Основной контроллер Z-Wave®, или концентратор Z-Wave® и т. д., — это устройство, которое служит центральным узлом для сети умного дома Z-Wave®. В этом документе используется термин «шлюз».
- Меш-сеть — устройства могут взаимодействовать друг с другом помимо шлюза. Устройства (только работающие от сети) могут выступать в качестве ретрансляторов для расширения сети.
- Сеть дальнего действия - устройства могут взаимодействовать только со шлюзом (функция ретранслятора отсутствует).
- Кнопка S - Сервисная кнопка Z-Wave®, расположенная на устройствах Z-Wave® и используемая для различных функций, таких как добавление (включение), удаление (исключение), сброс устройства до заводских настроек и включение/выключение выходной мощности (действительно только для вилок Wave). Термин «кнопка S» используется в этом документе.
- Устройство - В этом документе термин «Устройство» используется для обозначения устройства Shelly Wave, которое является предметом данного руководства.
- Конечное устройство -Конечные устройства Z-Wave — это узлы в сети Z-Wave, которые не являются шлюзами, такие как выключатели, дверные замки, датчики и т. д.
- Идентификатор узла -Идентификатор узла Z-Wave — это уникальный идентификатор, присваиваемый при добавлении (включении) каждого устройства в сети Z-Wave, позволяющий сети идентифицировать это устройство и взаимодействовать с ним.
- Идентификатор дома -Идентификатор дома Z-Wave — это уникальный идентификатор, присваиваемый каждой сети Z-Wave и каждому устройству в этой сети. Это отличает вашу сеть Z-Wave от других сетей и гарантирует, что ваши устройства Z-Wave будут взаимодействовать только с устройствами в вашей собственной сети.
- Добавление/Включение —Процесс добавления устройства Z-Wave в сеть Z-Wave — шлюз. В этом контексте используются слова «включен», «добавлен» и т. д.
- Удаление/Исключение —Процесс удаления устройства Z-Wave из сети Z-Wave — шлюз. В этом контексте используются слова «исключен», «удален» и т. д.
- Сброс к заводским настройкам — После сброса к заводским настройкам все пользовательские параметры и сохраненные значения (кВтч, ассоциации, маршрутизация и т. д.) вернутся к своим значениям по умолчанию. Идентификаторы HOME ID и NODE ID, назначенные устройству, будут удалены. Используйте эту процедуру сброса только в том случае, если шлюз отсутствует или неисправен по другим причинам.
- Нормальный режим — это состояние устройства, которое относится к рабочему состоянию устройства при его работе в обычных условиях (включение/выключение, затемнение и т. д.) как во время активного использования, так и в режиме ожидания, но при этом при включенном питании.
- SmartStart — Устройства с поддержкой SmartStart можно добавить (включить) в сеть Z-Wave, отсканировав QR-код Z-Wave на устройстве с помощью шлюза, поддерживающего включение SmartStart. Устройство с поддержкой SmartStart будет автоматически добавлено в течение 10 минут после включения вблизи сети Z-Wave.
- ОБЯЗАТЕЛЬНО -ОБЯЗАТЕЛЬНО должно быть реализовано
- ДОПОЛНИТЕЛЬНО - реализуйте, если позволяет время/бюджет
- Ассоциации - Ассоциации используются для прямой связи между устройством и другими устройствами в вашей сети Z-Wave без необходимости использования шлюза Z-Wave.
- Перезагрузка - Перезагрузка устройства/источника питания Включение/выключение устройства
- Жалюзи -Относится к любому виду оконных покрытий, таким как венецианские жалюзи, рулонные жалюзи (экраны), рольставни, вертикальные оконные жалюзи, шторы, встроенные венецианские жалюзи, плиссированные жалюзи, навесы и т. д. Кроме того, Wave Shutter может также управлять оконными двигателями, проекционными экранами или любым типом двунаправленного двигателя переменного тока.
- Потребляемая мощность (Вт) -обозначает скорость потребления или использования энергии электрическим устройством или системой. Измеряется в ваттах (Вт).
- Потребление энергии (кВт·ч) - обозначает общее количество электрической энергии, потребляемой устройством или системой за определенный период времени. Измеряется в киловатт-часах (кВт·ч).
- Код заказа - Код заказа совпадает с номером детали (PN). Если места для написания кода заказа недостаточно, используется аббревиатура PN. Номер детали указан на этикетке DSK на каждом устройстве.
Краткое описание
[править]Устройство представляет собой двухканальный интеллектуальный диммер, монтируемый на DIN-рейку. Он может работать как автономно, так и с использованием системы домашней автоматизации Z-Wave®. Доступ к устройству, управление им и мониторинг могут осуществляться удаленно из любого места, где у пользователя есть доступ к интернету, при условии, что модуль подключен к шлюзу Z-Wave с доступом в интернет. Совместимость с выключателями и кнопками (по умолчанию). =
Основные функции
[править]=Нажмите, чтобы скрыть/показать
Основные области применения
[править]- Жилые дома
- Многоквартирные дома (квартиры, кондоминиумы, гостиницы и т. д.)
- Небольшие коммерческие помещения (небольшие офисные здания, небольшие магазины/рестораны/автозаправочные станции и т. д.)
- Государственные/муниципальные учреждения
- Университеты/колледжи
Интеграции
[править]Устройства Shelly Wave разработаны на основе ведущей в мире технологии для умных домов — Z-Wave. Это означает, что Shelly Wave работает со всеми сертифицированными шлюзами, поддерживающими протокол связи Z-Wave. Чтобы убедиться в поддержке функций продуктов Shelly Wave на вашем шлюзе, мы регулярно проводим тесты совместимости наших устройств с различными шлюзами Z-Wave.
Упрощенная внутренняя схема
[править]Электрические интерфейсы устройства
[править]=
Входы
[править]=
- 4 входа для переключателей/кнопок на винтовых клеммах
- 3 входа питания на винтовых клеммах: N, 2 L =
Выходы
[править]=
- 2 выхода
Подключение
[править]Z-Wave - Незащищенный, S0 Безопасность, S2 Неаутентифицированная безопасность, S2 Аутентифицированная безопасность
Функции безопасности
[править]Защита =
[править]Защита от перегрева
[править]=Нажмите здесь, чтобы развернуть...Устройство имеет внутреннюю защиту от перегрева. Если температура превышает заданное значение 80°C более 5 секунд, устройство:
- отключит свой выход
- отправит уведомление на шлюз (Обнаружен перегрев)
- светодиодные индикаторы реагируют, как указано выше (проверьте режим мигания светодиодов на наличие перегрева) (обнаружено)
ПРИМЕЧАНИЕ: Защита от перегрева всегда активна и не может быть отключена.
Дополнительное описание выше в главе «Уведомление об обнаружении перегрева».=
Защита от перегрузки по току
[править]=Нажмите здесь, чтобы развернуть...Устройство имеет внутреннюю защиту от перегрузки по току. Если ток превышает 0,9 А + 15% более 5 секунд в режиме O1 или если ток превышает 0,9 А + 15% более 5 секунд в режиме O2, устройство:
- отключит свой выход
- отправит отчет об уведомлении шлюзу (Обнаружена перегрузка по току)
- светодиодные индикаторы отреагируют, как указано выше (проверьте режим мигания светодиодов на наличие перегрузки по току) (обнаружено)
ПРИМЕЧАНИЕ: Защита от перегрузки по току всегда активна и не может быть отключена.
Дополнительное описание выше в главе «Уведомление об обнаружении перегрузки по току».=
Защита от перенапряжения
[править]=Нажмите здесь, чтобы развернуть...Устройство имеет внутреннюю защиту от перенапряжения. Это действительно для стандартного напряжения питания 230 В переменного тока. Если напряжение превышает 240 В переменного тока + 15% (278 В переменного тока) более 5 секунд, устройство:
- отключит свой выход
- отправит отчет об уведомлении шлюзу (Обнаружено перенапряжение)
- светодиодные индикаторы отреагируют, как указано выше (проверьте режим мигания светодиодов на наличие перенапряжения) обнаружен)
ПРИМЕЧАНИЕ: Защита от перенапряжения всегда активна и не может быть отключена.
Дополнительное описание выше в главе «Уведомление об обнаружении перенапряжения».
Поддерживаемые типы нагрузки
[править]- Диммируемые светодиодные лампы: до 200 Вт на канал
- Лампы накаливания: до 200 Вт на канал
- Галогенные лампы: до 200 Вт на канал
- Трансформаторы с железным сердечником для низковольтных ламп накаливания: до 200 ВА на канал
- Диммируемые электронные трансформаторы: 200 Вт на канал
Пользовательский интерфейс
[править]=
Кнопка S и режимы работы
[править]=
- Режим настроек: необходим для запуска нужной процедуры, например: добавление (включение (
- недоступно для устройств дальнего действия)), удаление (исключение), Сброс к заводским настройкам и т. д. Имеет ограниченное время работы. После завершения процедуры в режиме настроек устройство автоматически переключается в обычный режим.
- Вход в режим настроек:
- Нажмите и удерживайте кнопку S на устройстве, пока светодиод не загорится синим цветом.
- Дополнительное быстрое нажатие кнопки S изменяет меню в бесконечном цикле.
- Время ожидания состояния светодиода меню составляет 10 секунд, после чего устройство снова переходит в обычный режим.=
Функции кнопки S
[править]=
- Добавление устройства в сеть Z-Wave вручную (
- недоступно для включения на большом расстоянии)
- Удаление устройства из сети Z-Wave вручную
- Сброс устройства к заводским настройкам
- Калибровка =
Светодиодная индикация
[править]Нажмите, чтобы скрыть/показать
[править]Общие правила
[править]=
- Переключение между обычным режимом и режимом настроек осуществляется нажатием и удержанием кнопки S.
- «Постоянно горящий светодиод» означает, что вы находитесь в «режиме настроек» (это не относится к розеткам). После перехода в режим настроек переключение в обычный режим происходит автоматически. через 10 с.
- Если светодиод не находится в режиме тревоги, он выключится через 30 минут. Нажатие кнопки S или перезагрузка устройства активируют светодиод на 30 минут.
- Во время загрузки модуля светодиод будет мигать в режиме 5 (0,2 с синим/0,2 с красным) в течение 4-5 секунд. Состояние светодиода в нормальном режиме: Нормальный режим определяется стабильной работой устройства, которая может сохраняться неограниченное время. Тип светодиода: RGB с регулировкой яркости
Нормальный режим
[править]Удалено/Исключено, не откалибровано. Светодиод будет мигать синим и желтым в режиме 1 в течение 30 минут после каждой перезагрузки и 10 минут после нажатия кнопки S.
Добавлено/Включено, не откалибровано. Светодиод будет мигать зеленым и желтым в режиме 1 в течение Через 10 минут после каждого выключения и включения питания и через 10 минут после нажатия кнопки S.
Удалено/Исключено и откалибровано. Светодиод будет мигать синим и зеленым цветом в режиме 1 в течение 30 минут после каждого выключения и включения питания и через 10 минут после нажатия кнопки S.
Добавлено/Включено и откалибровано. Светодиод будет мигать зеленым цветом в режиме 1 в течение 30 минут после каждого выключения и включения питания и через 10 минут после нажатия кнопки S.
Выполняемые настройки. Сброс к заводским настройкам и перезагрузка. Во время сброса к заводским настройкам светодиод будет гореть зеленым цветом примерно 1 секунду, затем синий и красный светодиоды будут мигать 0,1 с включено / 0,1 с выключено. примерно 2 секунды. Добавление/удаление. Во время добавления или удаления светодиод будет мигать синим цветом в режиме 2.
Обновление прошивки OTA. Во время обновления OTA светодиод будет мигать синим и красным цветом в режиме 2.
Проверка напряжения питания переменного или постоянного тока. Во время проверки питания светодиод будет мигать синим и красным цветом в режиме 5.
Калибровка нагрузки. Во время калибровки светодиод будет мигать желтым цветом в режиме 2.
== Настройки Режим с кнопкой S == Выбрано меню добавления/удаления (
- добавление недоступно для включения на большом расстоянии). При выборе меню светодиод будет гореть синим цветом максимум 10 секунд. Меню добавления/удаления - при нажатии кнопки S - выбран процесс добавления/удаления (
- добавление недоступно для включения на большом расстоянии). Во время выполнения меню светодиод будет мигать синим цветом в режиме 3.
Выбрано меню сброса к заводским настройкам. При выборе меню светодиод будет гореть красным цветом максимум 10 секунд. Сброс к заводским настройкам - при нажатии кнопки S - выбран процесс сброса к заводским настройкам. Во время выполнения меню светодиод будет мигать красным цветом в режиме 3.
Выбрано меню калибровки. При выборе меню светодиод будет горит желтым цветом максимум 10 секунд. Калибровка - при нажатии кнопки S - выбран процесс калибровки. Во время выполнения меню светодиод будет мигать желтым цветом в режиме 3. 
Режим тревоги == «Обнаружен перегрев». Светодиод будет мигать красным цветом в режиме 4.
Режим 4 / 2x (светодиод 0,2 с включен / 0,2 с выключен) + 2 с выключен, повторяющаяся последовательность. «Обнаружена перегрузка по току O1». Светодиод будет мигать красным цветом в режиме 4.
Режим 4 / 4x (светодиод 0,2 с включен / 0,2 с выключен) + 2 с выключение, повторяющаяся последовательность Обнаружена перегрузка по току O2Светодиод будет мигать красным в режиме 4
Режим 4 / 5x (светодиод 0,2 с включен / 0,2 с выключен) + 2 с выключение, повторяющаяся последовательность Обнаружено перенапряжениеСветодиод будет мигать красным в режиме 4
Режим 4 / 7x (светодиод 0,2 с включен / 0,2 с выключен) + 2 с выключение, повторяющаяся последовательность
[править]Режимы мигания светодиодов
[править]==Нажмите, чтобы скрыть/показать{ | class="wikitable" | - ! Режимы мигания светодиодов | - | Режим 1 | 0,5 с включен / 2 с выключен | - | Режим 2 | 0,5 с Вкл/0,5 с Выкл | - | Режим 3 | 0,1 с Вкл/0,1 с Выкл | - | Режим 4 | (1x до 6x - 0,2 с Вкл/0,2 с Выкл) + 2 с Выкл | - | Режим 5 | 0,2 с Вкл синий/0,2 с Вкл красный | } |}== Технические характеристики ==
{
| class="wikitable"
| -
! Источник питания
! 110 - 240 В переменного тока 50/60 Гц
| -
| Потребляемая мощность
| < 0,3 Вт
| -
| Внешняя защита
| 10 А, характеристика срабатывания B или C, номинальный ток отключения 6 кА, класс ограничения энергии 3
| -
| Тип диммирования
| Задний фронт
| -
| Измерение мощности [Вт]
| Да
| -
| Макс. выходная мощность
| 200 Вт на канал
| -
| Защита от перегрева
| Да
| -
| Защита от перегрузки по току
| Да
| -
| Защита от перенапряжения
| Да
| -
| Расстояние
| До 40 м в помещении (131 фут) (зависит от местных условий)
| -
| Репитер Z-Wave®:
| Да
| -
| Процессор
| Z-Wave® S800
| -
| Диапазоны частот Z-Wave®
| 908,4 МГц
| -
| Размеры (В x Ш x Г)
| 94x19x69 ± 0,5 мм / 3,70x0,75x2,71 ± 0,02 дюйма
| -
| Вес
| 75 г / 2,7 унции
| -
| Монтаж
| DIN-рейка
| -
| Максимальный крутящий момент винтовых клемм
| 0,4 Нм / 3,54 фунта
| -
| Сечение проводника
| 0,5–2,5 мм² / 20–14 AWG (зеленый разъем) 0,5–1,5 мм² / Провода 20–16 AWG (белые разъемы) (одножильные, многожильные и с наконечниками типа "шнурок")
| Длина зачищенного провода: 6–7 мм / 0,24–0,28 дюйма (зеленый разъем) 5–6 мм / 0,20–0,24 дюйма (белые разъемы)
| Материал корпуса: пластик
| Цвет: салатовый
| Температура окружающей среды: от -20°C до 40°C / от -5°F до 105°F
| Влажность: от 30% до 70% относительной влажности
| Максимальная высота: 2000 м / 6562 фута
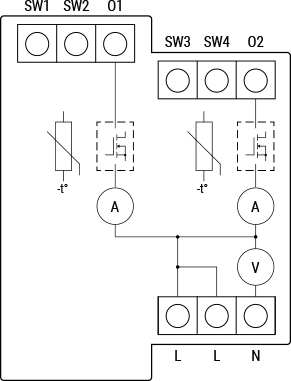
| == Базовая схема подключения ==
Рис. 1 =
Легенда
[править]=Устройство Клеммы:
- N:Нейтральная клемма
- L:Пленочные клеммы (110-240 В переменного тока)
- SW (SW1):Входная клемма переключателя/кнопки (управляет O (O1))
- SW2:Входная клемма переключателя/кнопки
- SW3:Входная клемма переключателя/кнопки (управляет O2)
- SW4:Входная клемма переключателя/кнопки
- O (O1):Выходная клемма цепи нагрузки (1)
- O2:Выходная клемма цепи нагрузки 2Провода:
- N:Нейтральный провод
- L:Пленочный провод (110-240 В переменного тока) Кнопка:
- S:Кнопка S
О Z-Wave®
[править]Добавление и удаление устройства из сети Z-Wave® ==Нажмите, чтобы скрыть/показать
[править]Добавление устройства в сеть Z-Wave® (включение) ==
[править]Внимание
! В случае добавления (включения) уровня безопасности 2 (S2) появится диалоговое окно с запросом на ввод соответствующего PIN-кода (5 подчеркнутых цифр), указанного на этикетке Z-Wave® DSK на боковой стороне устройства и на этикетке Z-Wave® DSK, вложенной в упаковку.'ВАЖНО: PIN-код нельзя терять. Добавление (включение) устройств с поддержкой SmartStart. Устройства с поддержкой SmartStart можно добавить в сеть Z-Wave®, отсканировав QR-код Z-Wave®, присутствующий на устройстве, с помощью шлюза, обеспечивающего включение SmartStart. Никаких дополнительных действий не требуется, и устройство SmartStart будет добавлено автоматически в течение 10 минут после включения вблизи сети.
- С помощью приложения шлюза отсканируйте QR-код на этикетке устройства и добавьте ключ безопасности 2 (S2) Device Specific Key (DSK) в список инициализации в шлюзе.
- Подключите устройство к источнику питания.
- Проверьте, мигает ли синий светодиод в режиме 1. Если да, устройство не добавлено в сеть Z-Wave®.
- Добавление будет инициировано автоматически в течение нескольких секунд после подключения устройства к источнику питания, и устройство будет автоматически добавлено в сеть Z-Wave®.
- Синий светодиод будет мигать в режиме 2 во время добавления. Процесс.
- Зеленый светодиод будет мигать в режиме 1, если устройство успешно добавлено в сеть Z-Wave®. Добавление (включение) с помощью кнопки S (
- недоступно для включения на большом расстоянии)
- Подключите устройство к источнику питания.
- Проверьте, мигает ли синий светодиод в режиме 1. Если да, то устройство не добавлено в сеть Z-Wave®.
- Включите режим добавления/удаления на шлюзе.
- Чтобы войти в режим настройки, нажмите и удерживайте кнопку S на устройстве, пока светодиод не загорится синим цветом.
- Отпустите, а затем нажмите и удерживайте (> 2 с) кнопку S на устройстве, пока синий светодиод не начнет мигать в режиме 3. Отпускание кнопки S запустит режим обучения.
- Синий светодиод будет мигать в режиме 2 во время процесса добавления.
- Зеленый светодиод будет мигать в режиме 1, если устройство успешно добавлено в сеть Z-Wave® сеть.
Внимание
! ' В режиме настроек устройство имеет тайм-аут 10 секунд перед повторным переходом в обычный режим.' Добавление (включение) с помощью переключателя/кнопки (
- недоступно для включения на большом расстоянии)
- Подключите устройство к источнику питания.
- Проверьте, мигает ли синий светодиод в режиме 1. Если да, устройство не добавлено в сеть Z-Wave®.
- Включите режим добавления/удаления на шлюзе.
- Переключите переключатель/кнопку, подключенную к любому из терминалов SW (SW, SW1, SW2 и т. д.), 3 раза в течение 3 секунд (эта процедура переводит устройство в режим обучения
- ). Устройство должно получить сигнал включения/выключения 3 раза, что означает нажатие кратковременного переключателя. 3 раза или 3 раза переключив тумблер в положение «вкл.-выкл.». Синий светодиод будет мигать в режиме 2 во время процесса добавления. Зеленый светодиод будет мигать в режиме 1, если устройство успешно добавлено в сеть Z-Wave®.
- Режим обучения — состояние, позволяющее устройству получать сетевую информацию от шлюза. =
Удаление устройства из сети Z-Wave® (исключение)
[править]Внимание
! Устройство будет удалено из вашей сети Z-Wave®, но любые пользовательские параметры конфигурации не будут удалены.Удаление (исключение) с помощью кнопки S
- Подключите устройство к источнику питания.
- Проверьте, мигает ли зеленый светодиод в режиме 1. Если да, Устройство добавлено в сеть Z-Wave®.
- Включите режим добавления/удаления на шлюзе.
- Чтобы войти в режим настроек, нажмите и удерживайте кнопку S на устройстве, пока светодиод не загорится синим цветом.
- Отпустите, а затем нажмите и удерживайте (> 2 с) кнопку S на устройстве, пока синий светодиод не начнет мигать в режиме 3. Отпускание кнопки S запустит режим обучения.
- Синий светодиод будет мигать в режиме 2 во время процесса удаления.
- Синий светодиод будет мигать в режиме 1, если устройство успешно удалено из сети Z-Wave®.
Внимание
! В режиме настроек устройство имеет тайм-аут 10 секунд, прежде чем снова перейти в обычный режим.Удаление (исключение) с помощью переключателя/кнопки
- Подключите устройство к источнику питания.
- Проверьте, мигает ли зеленый светодиод в режиме 1. Если да, устройство добавлено в сеть Z-Wave®.
- Включите режим добавления/удаления на шлюзе.
- Переключите переключатель/кнопку, подключенную к любому из терминалов SW (SW, SW1, SW2, …), 3 раза в течение 3 секунд (эта процедура переводит устройство в режим обучения). Устройство должно получить сигнал включения/выключения 3 раза, что означает 3 нажатия кратковременного переключателя или 3 включения и выключения переключателя.
- Синий светодиод будет мигать в режиме 2 во время процесса удаления.
- Синий светодиод будет мигать в режиме 1, если устройство успешно удалено из сети Z-Wave®.=
Сброс к заводским настройкам
[править]= Общие сведения о сбросе к заводским настройкам После сброса к заводским настройкам все пользовательские параметры и сохраненные значения (кВт·ч, ассоциации, маршрутизация и т. д.) Вернутся в состояние по умолчанию. Идентификаторы HOME ID и NODE ID, назначенные устройству, будут удалены. Используйте эту процедуру сброса только в том случае, если шлюз отсутствует или неисправен по другим причинам. Сброс к заводским настройкам с помощью кнопки S
Внимание
! Сброс к заводским настройкам с помощью кнопки S возможен в любое время.
- Чтобы войти в режим настроек, нажмите и удерживайте кнопку S на устройстве, пока светодиод не загорится синим цветом.
- Нажимайте кнопку S несколько раз, пока светодиод не загорится красным цветом.
- Нажмите и удерживайте (> 2 с) кнопку S на устройстве, пока красный светодиод не начнет мигать в режиме 3. Отпускание кнопки S запустит сброс к заводским настройкам.
- Во время сброса к заводским настройкам светодиод будет гореть зеленым цветом около 1 с, затем синий и красный светодиоды начнут мигать в режиме 3 примерно 2 с.
- The Синий светодиод будет мигать в режиме 1, если сброс к заводским настройкам прошел успешно. Сброс к заводским настройкам с помощью переключателя/кнопки
Внимание
! Сброс к заводским настройкам с помощью переключателя/кнопки возможен только в течение первой минуты после подключения устройства к источнику питания.
- Подключите устройство к источнику питания.
- Переключайте переключатель/кнопку, подключенную к любому из клемм SW (SW, SW1, SW2, …), 5 раз в течение 3 секунд. Устройство должно получить сигнал включения/выключения 5 раз, что означает нажатие кнопки 5 раз или включение и выключение переключателя 5 раз.
- Во время сброса к заводским настройкам светодиод будет гореть зеленым цветом около 1 секунды, затем загорится синим и Красный светодиод начнет мигать в режиме 3 примерно 2 секунды. Синий светодиод будет мигать в режиме 1, если сброс к заводским настройкам прошел успешно. Удаленный сброс к заводским настройкам с помощью параметров шлюза. Сброс к заводским настройкам можно выполнить удаленно с помощью настроек в параметре № 120.
Безопасность Z-Wave® и ключ, специфичный для устройства (DSK) == Нажмите, чтобы скрыть/показать
[править]= Безопасность Z-Wave® 2 и ключ, специфичный для устройства (DSK) === Устройство поддерживает новейшую функцию Security 2 (S2). S2 обрабатывается надежным протоколом шифрования AES 128, что означает, что S2 делает Z-Wave® самой безопасной платформой безопасности IoT (Интернета вещей). Для полного использования продукта и его функции Security 2 необходимо использовать шлюз Z-Wave® с поддержкой Security 2. Аутентифицированное управление
- Внеполосное DSK для добавления (включения)
- Может использоваться в большинстве реализаций. Устройство также поддерживает добавление (включение) с аутентификацией Security 2, без аутентификации и без защиты.

Примечание
! При добавлении устройства в сеть Z-Wave® с шлюзом, поддерживающим Security 2 (S2), требуется PIN-код ключа Z-Wave® Device Specific Key (DSK). Вы можете найти его на этикетке на боковой стороне устройства, а копия вложена в упаковку, которую нельзя терять. Не удаляйте этикетку Z-Wave® DSK с устройства. В качестве резервной меры используйте этикетку в упаковке.
Первые пять цифр Часть ключа выделена или подчеркнута, чтобы помочь пользователю идентифицировать часть текста DSK, содержащую PIN-код. DSK также представлен QR-кодом, как показано на изображении. =
Метка DSK и QR-код Z-Wave® (пример)
[править]= Присоединяющийся узел, запрашивающий присоединение к классу контроля доступа S2 или классу аутентификации S2, зашифрует свой открытый ключ, установив байты 1–2 в нули (0x00) перед передачей ключа по радиочастоте. DSK может использоваться для внеполосной аутентификации (OOB).
- Включенный шлюз может использовать устройство сканирования QR-кода для считывания всего DSK присоединяющегося устройства и сопоставления его с зашифрованным открытым ключом, полученным по радиочастоте от присоединяющегося устройства. ПРИМЕЧАНИЕ: Это устройство должно использоваться совместно со шлюзом Z-Wave® с поддержкой безопасности для полного использования всех реализованных функций. ПРИМЕЧАНИЕ: Это устройство Устройство Z-Wave Plus® с поддержкой безопасности, способное использовать зашифрованные сообщения Z-Wave Plus® для связи с другими устройствами Z-Wave Plus® с поддержкой безопасности. ПРИМЕЧАНИЕ: Доступ к DSK через шлюзы пользовательского интерфейса, реализующие функции безопасности S2 и SmartStart, отображают диалоговое окно ввода с полным или частичным ключом DSK. Большинство из них отображают частичный DSK (не показывают PIN-код), когда устройство добавлено с использованием схемы безопасности S2-аутентификации. При добавлении с помощью S2-Unauthenticated некоторые шлюзы отображают полный DSK, в то время как другие выполняют полный процесс добавления (включения) без запроса диалогового окна у пользователя.
Параметры Z-Wave® == Нажмите «скрыть/показать»
[править]Параметр № 1 - Тип переключателя SW (SW1)
[править]== Этот параметр определяет, как устройство должно обрабатывать переключатель (какого типа), подключенный к терминалу SW (SW1). Размер значения: 1 байт. Значение по умолчанию: 0. Значения и описания:
- 0 - кнопочный переключатель,
- 1 - тумблер (контакт замкнут - ВКЛ / контакт разомкнут - ВЫКЛ),
- 2 - тумблер (устройство меняет состояние при изменении состояния переключателя). ==
= Параметр № 2 - Тип переключателя SW2 === Этот параметр определяет, как устройство должно обрабатывать переключатель (какого типа), подключенный к терминалу SW2. Размер значения: 1 байт. Значение по умолчанию: 0. Значения и Описание:
- 0 - кнопочный переключатель (кнопка),
- 1 - тумблер (контакт замкнут - ВКЛ / контакт разомкнут - ВЫКЛ),
- 2 - тумблер (устройство меняет состояние при изменении состояния переключателя)
Параметр не работает, если PAR 131 = 1=
Параметр № 3 - Тип переключателя SW3
[править]=Этот параметр определяет, как устройство должно обрабатывать переключатель (какого типа), подключенный к клемме SW3. Размер значения: 1 байт. Значение по умолчанию: 0. Значения и описания:
- 0 - кнопочный переключатель (кнопка),
- 1 - тумблер (контакт замкнут - ВКЛ / контакт разомкнут - ВЫКЛ),
- 2 - тумблер (устройство меняет состояние при изменении состояния переключателя) =
Параметр № 4 - Тип переключателя SW4
[править]=Этот параметр определяет, как устройство должно обрабатывать переключатель (какого типа), подключенный к клемме SW4. Размер значения: 1 байт. Значение по умолчанию: 0. Значения и описания:
- 0 - кнопочный переключатель,
- 1 - тумблер (контакт замкнут - ВКЛ / контакт разомкнут - ВЫКЛ),
- 2 - тумблер (устройство меняет состояние при изменении состояния переключателя).
Параметр не работает, если PAR 132 = 1 =
Параметр № 7 - Режим отсоединения SW (SW1)
[править]=В этом режиме входной SW (SW1) отключается/не изменяет состояние выхода. Размер значения: 1 байт. Значение по умолчанию: 0. Значения и Описание:
- 0 - обычный режим
- 1 - режим отсоединения=
Параметр № 8 - режим отсоединения SW2
[править]=В этом режиме вход SW2 отсоединен/не изменяет состояние выхода. Размер значения: 1 байт. Значение по умолчанию: 1. Значения и описания:
- 0 - обычный режим
- 1 - режим отсоединения
Если SW2 установлен в режим «обычный режим» - не отсоединен, Параметр № Параметр 131 должен быть установлен в двойной режим (ГўВЂВњ1 - Активный) =
Параметр № 9 - Режим отсоединения SW3
[править]= В этом режиме вход SW3 отсоединяется/не изменяет состояние выхода. Размер значения: 1 байт. Значение по умолчанию: 0. Значения и описания:
- 0 - обычный режим
- 1 - отсоединенный режим =
Параметр № 10 - Режим отсоединения SW4
[править]= В этом режиме вход SW4 отсоединяется/не изменяет состояние выхода. Размер значения: 1 байт. Значение по умолчанию: 0. Значения и описания:
- 0 - обычный режим
- 1 - отсоединенный режим
Если SW2 установлен на «нормальный режим» - «не отсоединенный», пар. н. Параметр 132 должен быть установлен в двухрежимный режим ГўВЂВњ1 - АктивныйГўВЂВќ) =
Параметр № 17 - Восстановление состояния O (O1) после отключения питания
[править]= Этот параметр определяет, сохраняется ли и восстанавливается ли состояние включения/выключения для нагрузки, подключенной к O (O1), после отключения питания. Размер значений: 1 байт. Значение по умолчанию: 0. Значения и описания:
- 0 - Устройство сохраняет последнее состояние включения/выключения и восстанавливает его после отключения питания.
- 1 - Устройство не сохраняет состояние включения/выключения и не восстанавливает его после отключения питания, оно остается выключенным.
ПРИМЕЧАНИЕ: Эта функция не применяется, если параметр 1 настроен со значением ""1 - тумблер (контакт замкнут - ВКЛ / контакт разомкнут - ВЫКЛ)""=
Параметр № 18 - Восстановление состояния O2 после отключения питания
[править]=Этот параметр определяет, сохраняется ли и восстанавливается ли состояние включения/выключения для нагрузки, подключенной к O2, после отключения питания. Размер значений: 1 байт. Значение по умолчанию: 0. Значения и описания:
- 0 - Устройство сохраняет последнее состояние включения/выключения и восстанавливает его после отключения питания.
- 1 - Устройство не сохраняет состояние включения/выключения и не восстанавливает его после отключения питания, оно остается выключенным. =
Параметр № 19 - Автоматическое выключение O (O1) по таймеру
[править]=Если нагрузка O (O1) включена, вы можете запланировать ее автоматическое выключение по истеч Изменение потребления энергии в процентах, отчет не будет отправляться чаще, чем определено параметром № 39. =
Параметр № 37 - Отчет о потреблении энергии O2 при изменении - в процентах
[править]= Этот параметр определяет минимальное изменение потребляемой мощности, которое приведет к отправке нового отчета на шлюз. Размер значений: 1 байт. Значение по умолчанию: 10. Значения и описания:
- 0 - отчеты отключены
- 1-100 (1-100%) - изменение мощности
[[Файл:info-macro-" con--39985156a8a940b9a79d.svg]]
ПРИМЕЧАНИЕ: Независимо от изменения потребления энергии в процентах, отчет не будет отправляться чаще, чем определено параметром № 40. =
Параметр № 39 - Минимальное время между отчетами (O) O1
[править]= Этот параметр определяет минимальное время, которое должно пройти до отправки нового отчета о потреблении энергии на O (O1) на шлюз. Размер значений: 1 байт. Значение по умолчанию: 30. Значения и описания:
- 0 - отчеты отключены
- 1-120 (1-120 с) - интервал отправки отчета
ПРИМЕЧАНИЕ: Этот параметр связан с параметром № 36.
ПРИМЕЧАНИЕ: Установка значения менее 30 секунд может привести к перегрузке сети Z-Wave (медленный отклик устройства и снижение стабильности сети). =
Параметр № 40 - Минимальное время между отчетами O2
[править]= Этот параметр определяет минимальное время, которое должно пройти до отправки нового отчета о потреблении энергии на O2 на шлюз. Размер значения: 1 байт. Значение по умолчанию: 30. Значения и описания:
- 0 - отчеты отключены
- 1-120 (1-120 с) - интервал между отчетами
- 10-120 (10-120 с) - интервал между отчетами, Примечание
ПРИМЕЧАНИЕ: Этот параметр связан с параметром № 37
ПРИМЕЧАНИЕ: Установка значения менее 30 секунд может привести к перегрузке сети Z-Wave (медленный отклик устройства и снижение стабильности сети). =
Параметр № 78 - Принудительная калибровка диммера O (O1)
[править]=Установив значение этого параметра равным 1, устройство начнет выполнять процедуру принудительной калибровки для канала O (O1). Параметр также сообщает о состоянии калибровки, отправляя команду получения значения параметра. Размер значения: 1 байт. Значение по умолчанию: 3 (после сброса к заводским настройкам). Значения и описания:
- 1 - начало калибровки
- 2 - устройство откалибровано (только для чтения)
- 3 - устройство не откалибровано (только для чтения)
- 4 - ошибка калибровки (только для чтения)
ПРИМЕЧАНИЕ: См. главу «Функциональность» с подробной информацией о калибровке.
ПРИМЕЧАНИЕ: Во время процедуры калибровки мигает желтый светодиод.=
Номер параметра 89 - Принудительная калибровка диммера O2
[править]=Установив этот параметр в значение 1, устройство начнет выполнять процедуру принудительной калибровки для канала O2. Параметр также сообщает о состоянии калибровки, отправляя команду получения значения параметра. Размер значения: 1 байт. Значение по умолчанию: 3 (после сброса к заводским настройкам). Значения и описания:
- 1 - начало калибровки
- 2 - устройство откалибровано (только для чтения)
- 3 - устройство не откалибровано (только для чтения)
- 4 - ошибка калибровки (только для чтения)
ПРИМЕЧАНИЕ: См. главу «Функциональность» с подробной информацией о калибровке.
ПРИМЕЧАНИЕ: Во время процедуры калибровки мигает желтый светодиод. =
Параметр № 117 - Удалённая перезагрузка устройства
[править]= Этот параметр позволяет перезапускать или перезагружать устройство без физического вмешательства. Используйте этот параметр только для устранения неполадок. После перезагрузки устройства значение параметра будет установлено по умолчанию. Размер значения: 1 байт. Значение по умолчанию: 0. Значения и описания:
- 0 - функция неактивна
- 1 - Удалённая перезагрузка устройства. =
Параметр № 120 - Сброс к заводским настройкам
[править]= Сброс до заводских настроек по умолчанию и удаление из сети Z-Wave. Параметр является расширенным и может быть скрыт под тегом «Расширенные». Размер значения: 1 байт. Значение по умолчанию: 0. Значения и описания:
- 0 - Без действий
- 1 - Сброс к заводским настройкам.
ПРИМЕЧАНИЕ: После выполнения сброса к заводским настройкам значение параметра автоматически устанавливается равным 0. =
Параметр № 121 - Максимальное значение затемнения O (O1)
[править]= Значение, установленное в этом параметре, определяет максимальное значение затемнения Значение затемнения (максимальное значение, которое можно установить на устройстве, например, при затемнении света с помощью настенного выключателя или ползунка в графическом интерфейсе пользователя (шлюз - хаб)). Размер значения: 1 байт. Значение по умолчанию 99 = 99% (максимальное значение затемнения). Значения и описания:
- 1 - 99% = 2% - 99%, шаг 1%.
ПРИМЕЧАНИЕ: Максимальный уровень не может быть ниже минимального уровня
ПРИМЕЧАНИЕ: Уровень выходного сигнала равен Автоматически регулируется в соответствии с измененным значением. =
Параметр № 122 - Максимальное значение затемнения O2
[править]= Значение, установленное в этом параметре, определяет максимальное значение затемнения (наивысшее значение, которое можно установить на устройстве, например, при затемнении света с помощью настенного выключателя или ползунка в графическом интерфейсе пользователя (шлюз - концентратор)). Размер значения: 1 байт. Значение по умолчанию 99 = 99 % (максимальное значение затемнения). Значения и описания:
- 1 - 99 = 2 % - 99 %, шаг 1 %. Максимальное значение затемнения устанавливается путем ввода значения.
ПРИМЕЧАНИЕ: Максимальный уровень не может быть ниже минимального уровня
ПРИМЕЧАНИЕ: Уровень выходного сигнала автоматически регулируется в соответствии с измененным значением. =
Параметр № 123 - Минимальное значение затемнения, специфичное для параметра затемнения. O (O1)
[править]=Значение, заданное в этом параметре, определяет минимальное значение затемнения (самое низкое значение, которое можно установить на устройстве, например, при затемнении света с помощью настенного выключателя или ползунка в графическом интерфейсе пользователя (шлюз - хаб)). Размер значения: 1 байт. Значение по умолчанию 15 = 15 % (минимальное значение затемнения). Значения и описания:
- 0 - 98 = 1 % - 98 %, шаг 1 %. Минимальное значение затемнения устанавливается путем ввода значения.
ПРИМЕЧАНИЕ: Максимальный уровень не может быть выше минимального уровня
ПРИМЕЧАНИЕ: Уровень выходного сигнала автоматически регулируется в соответствии с измененным значением.=
Параметр № 124 - Максимальное значение затемнения, специфичное для параметра затемнения. O2
[править]=Значение, заданное в этом параметре, определяет минимальное значение затемнения (самое низкое значение, которое можно установить на устройстве, например, при затемнении света с помощью настенного выключателя или ползунка в графическом интерфейсе пользователя (шлюз - хаб)). Размер значения: 1 байт. Значение по умолчанию 15 = 15 % (минимальное значение затемнения). Значения и описания:
- 0 - 98 = 1 % - 98 %, шаг 1 %. Минимальное значение затемнения устанавливается путем ввода значения.
ПРИМЕЧАНИЕ: Максимальный уровень не может быть выше минимального уровня
ПРИМЕЧАНИЕ: Уровень выходного сигнала автоматически регулируется в соответствии с измененным значением. =
Параметр № 125 - Время затемнения (мягкое включение/выключение) параметр затемнения O (O1) (Время затемнения, короткое нажатие O (O1))
[править]=Выберите время, в течение которого устройство будет перемещаться между минимальным и максимальным значениями. Значения затемнения регулируются коротким нажатием кнопочного переключателя, подключенного к входному разъему. Размер значения: 1 байт. Значение по умолчанию: 3 = 3 с. Значения и описания:
- 1 - 10 = 1 - 10 секунд, шаг 1 секунда. =
Параметр № 126 - Время затемнения (мягкое включение/выключение). Параметр O2 (Время затемнения, короткое нажатие O2)
[править]= Выберите время, в течение которого устройство будет переключаться между минимальным и максимальным значениями затемнения коротким нажатием кнопочного переключателя, подключенного к входному разъему. Размер значения: 1 байт. Значение по умолчанию: 3 = 3 с. Значения и описания:
- 1 - 10 = 1 - 10 секунд, шаг 1 секунда. =
Параметр № 127 - Скорость затухания O (O1) (Время затемнения при удержании кнопки)
[править]= Выберите время, в течение которого диммер будет переключаться между минимальным и максимальным значениями. Значения затемнения при непрерывном нажатии кнопки мгновенного действия, подключенной к клемме, с помощью соответствующего устройства. Размер значений: 1 байт. Значение по умолчанию 3 = 10% в секунду. Значения и описания:
- 0 = недиммируемая нагрузка
- 1 = 5% / сек
- 2 = 7% / сек
- 3 = 10% / сек (по умолчанию)
- 4 = 15% / сек
- 5 = 20% / сек =
Параметр № 128 - Скорость затухания O2 (Время затемнения при удержании кнопки)
[править]= Выберите время, в течение которого диммер будет перемещаться между минимальным и максимальным значениями. Значения затемнения при непрерывном нажатии кнопочного выключателя, подключенного к клемме, с помощью соответствующего устройства. Размер значений: 1 байт. Значение по умолчанию 3 = 10% в секунду. Значения и описания:
- 1 = 5% / сек
- 2 = 7% / сек
- 3 = 10% / сек (по умолчанию)
- 4 = 15% / сек
- 5 = 20% / сек =
Параметр № 129 - Минимальная яркость при переключении O (O1) - параметр, специфичный для затемнения.
[править]= Минимальная яркость при переключении может быть изменена пользователем до желаемого уровня. Это применяется при включении/выключении (вкл./вкл.), когда яркость света < min_brightness_on_toggle.Values size: 1 ByteDefault value 15Values & descriptions:
- 1 - 99 = 2 % - 99 %, шаг 1 %.=
Параметр № 130 - Минимальная яркость при включении/выкл. O2 dim specific par.
[править]=Минимальную яркость при включении/выкл. может изменить пользователь до желаемого уровня. Это применяется при включении/выкл. (вкл./вкл.), когда яркость света < min_brightness_on_toggle.Values size: 1 ByteDefault value 15Values & descriptions:
- 1 - 99 = 2 % - 99 %, шаг 1 %. =
Параметр № 131 - Режим двойной кнопки SW1 и SW2
[править]=Двойная кнопка SW1 и SW2 (только нажатие) Размер значений: 1 байт Значение по умолчанию: 0 Значения и описания:
- 0 - Неактивно
- 1 - Активно =
Параметр № 132 - Режим двойной кнопки SW3 и SW4
[править]=Двойная кнопка SW1 и SW2 (только нажатие) Размер значений: 1 байт Значение по умолчанию: 0 Значения и описания:
- 0 - Неактивно
- 1 - Активно =
Параметр № 201 - Серийный номер 1
[править]Этот параметр содержит часть серийного номера устройства. Параметр доступен только для чтения и не может быть изменен. Параметр является расширенным и может быть скрыт под тегом «Расширенные». Размер значений: 4 байта Значение по умолчанию: Зависит от устройства Значения и Описание: · 0x00000000 - 0x7FFFFFFF
[править]Параметр № 202 - Серийный номер 2
[править]Этот параметр содержит часть серийного номера устройства. Параметр доступен только для чтения и не может быть изменен. Параметр является расширенным и может быть скрыт под тегом «Расширенные настройки». Размер значения: 4 байта. Значение по умолчанию: специфично для устройства. Значения и описания: · 0x00000000 - 0x7FFFFFFF
[править]Параметр № 203 - Серийный номер 3
[править]= Этот параметр содержит часть серийного номера устройства. Параметр доступен только для чтения и не может быть изменено. Параметр является расширенным и может быть скрыт под тегом «Расширенные». Размер значений: 4 байта. Значение по умолчанию: специфично для устройства. Значения и описания: · 0x00000000 - 0x7FFFFFFF == Классы команд Z-Wave® == Нажмите, чтобы скрыть/показать
- ASSOCIATION_V2 [S0, S2]
- ASSOCIATION_GRP_INFO_V3 [S0, S2]
- BASIC_V2 [S0, S2]
- SWITCH_BINARY_V2 [S0, S2]
- CENTRAL_SCENE_V3 [S0, S2]
- CONFIGURATION_V4 [S0, S2]
- DEVICE_RESET_LOCALLY_V1 [S0, S2]
- FIRMWARE_UPDATE_MD_V5 [S0, S2]
- INDICATOR_V3 [S0, S2]
- MANUFACTURER_SPECIFIC_V2 [S0, S2]
- METER_V6 [S0, S2]
- MULTI_CHANNEL_V4 [S0, S2]
- MULTI_CHANNEL_ASSOCIATION_V3 [S0, S2]
- SWITCH_MULTILEVEL_V4 [S0, S2]
- NOTIFICATION_V8 [S0, S2]
- POWERLEVEL_V1 [S0, S2]
- SECURITY_V1
- SECURITY_2_V1
- SUPERVISION_V1
- TRANSPORT_SERVICE_V2
- VERSION_V3 [S0, S2]
- ZWAVEPLUS_INFO_V2Конечная точка 1
- ASSOCIATION_V2 [S0, S2]
- ASSOCIATION_GRP_INFO_V3 [S0, S2]
- BASIC_V2 [S0, S2]
- METER_V6 [S0, S2]
- MULTI_CHANNEL_ASSOCIATION_V3 [S0, S2]
- SWITCH_MULTILEVEL_V4 [S0, S2]
- NOTIFICATION_V8 [S0, S2]
- SUPERVISION_V1
- ZWAVEPLUS_INFO_V2Конечная точка 2
- ASSOCIATION_V2 [S0, S2]
- ASSOCIATION_GRP_INFO_V3 [S0, S2]
- BASIC_V2 [S0, S2]
- METER_V6 [S0, S2]
- MULTI_CHANNEL_ASSOCIATION_V3 [S0, S2]
- SWITCH_MULTILEVEL_V4 [S0, S2]
- NOTIFICATION_V8 [S0, S2]
- SUPERVISION_V1
- ZWAVEPLUS_INFO_V2Конечная точка 3
- ASSOCIATION_V2 [S0, S2]
- ASSOCIATION_GRP_INFO_V3 [S0, S2]
- BASIC_V2 [S0, S2]
- SWITCH_BINARY_V2 [S0, S2]
- MULTI_CHANNEL_ASSOCIATION_V3 [S0, S2]
- SUPERVISION_V1
- ZWAVEPLUS_INFO_V2Конечная точка 4
- ASSOCIATION_V2 [S0, S2]
- ASSOCIATION_GRP_INFO_V3 [S0, S2]
- BASIC_V2 [S0, S2]
- SWITCH_BINARY_V2 [S0, S2]
- MULTI_CHANNEL_ASSOCIATION_V3 [S0, S2]
- SUPERVISION_V1
- ZWAVEPLUS_INFO_V2Конечная точка 5
- ASSOCIATION_V2 [S0, S2]
- ASSOCIATION_GRP_INFO_V3 [S0, S2]
- BASIC_V2 [S0, S2]
- SWITCH_BINARY_V2 [S0, S2]
- MULTI_CHANNEL_ASSOCIATION_V3 [S0, S2]
- SUPERVISION_V1
- ZWAVEPLUS_INFO_V2Конечная точка 6
- ASSOCIATION_V2 [S0, S2]
- ASSOCIATION_GRP_INFO_V3 [S0, S2]
- BASIC_V2 [S0, S2]
- SWITCH_BINARY_V2 [S0, S2]
- MULTI_CHANNEL_ASSOCIATION_V3 [S0, S2]
- SUPERVISION_V1
- ZWAVEPLUS_INFO_V2[S2]
ПРИМЕЧАНИЕ: СОПОСТАВЛЕНИЕ COMMAND_CLASS_BASIC
Поддерживающий базовый класс командCOMMAND_CLASS_BASIC сопоставлен с COMMAND_CLASS_SWITCH_BINARY для включения Switch (O) Управление O1, O2,..: Переключатель (O) O1, O2,.. будут включены или выключены после получения команды BASIC_SET:{ | class="wikitable" | - ! Получена базовая команда ! Сопоставленная команда (двоичный переключатель) | - | Базовая установка (0xFF) | Двоичный переключатель (0xFF) | - | Базовая установка (0x00) | Двоичный переключатель (0x00) | - | Базовый GET | Базовый отчет (текущее значение, целевое значение) | } |} Поддерживаемый индикатор класса командУстройство поддерживает индикатор класса команд V3 (ID 0x50). Когда устройство получает набор индикаторов, светодиод мигает в соответствии с полученным набором индикаторов. См. главу «Светодиодная сигнализация». Поддерживаемый класс команд счетчикаИзделие поддерживает класс команд счетчика, и отчет по шкале кВт·ч отправляется по умолчанию, если тип шкалы отсутствует в полученном GET.{ | class="wikitable" | - ! Поддерживаемое название шкалы ! Значение шкалы | - | Ватт | 2 | - | кВт·ч | 0 | } |}
Класс команд уведомлений Z-Wave®
[править]Нажмите, чтобы скрыть/показать
Обнаружен перегрев
[править]{ | class="wikitable" | - ! Комментарий ! Обнаружен перегрев | - | Название типа уведомления Z-Wave | Сигнализация о перегреве | - | Тип уведомления Z-Wave - Значение | 0x04 | - | Тип уведомления Z-Wave - Событие | Состояние | - | Название уведомления Z-Wave | Обнаружен перегрев | - | Название уведомления Z-Wave - Значение | 0x02 | - | Название уведомления Z-Wave - Версия | V2 | - | Светодиодная индикация | Проверьте таблицу светодиодной индикации | - | Реакция устройства - Выключить все выходы и отправить уведомление | Да | - | Действие для восстановления - перезагрузка | Да | - | Действие для восстановления - короткое нажатие кнопки S | Да | - | Действие для восстановления - нажмите любую кнопку-переключатель, подключенную к любому клеммному разъему SW (SW, SW1, SW2, …) | Да | } |}
Обнаружена перегрузка по току O1
[править]{ | class="wikitable" | - ! Комментарий ! Обнаружена перегрузка по току O (O1) | - | Название типа уведомления Z-Wave | Управление питанием | - | Тип уведомления Z-Wave - Значение | 0x08 | - | Тип уведомления Z-Wave - Событие | Состояние | - | Название уведомления Z-Wave | Обнаружена перегрузка по току | - | Название уведомления Z-Wave - Значение | 0x06 | - | Название уведомления Z-Wave - Версия | V3 | - | Светодиодная индикация | Проверьте таблицу светодиодной индикации | - | Реакция устройства - Выключите выход O (O1) и отправьте уведомление | Да | - | Действие для восстановления - перезагрузка питания | Да | - | Действие для восстановления - короткое нажатие кнопки S | Да | - | Действие для восстановления - нажмите любую кнопку-переключатель, подключенную к любому клеммному разъему SW (SW, SW1, SW2, …) | Да | } |}
Обнаружена перегрузка по току O2
[править]{ | class="wikitable" | - ! Комментарий ! Обнаружена перегрузка по току O2 | - | Название типа уведомления Z-Wave | Управление питанием | - | Тип уведомления Z-Wave - Значение | 0x08 | - | Тип уведомления Z-Wave - Событие | Состояние | - | Название уведомления Z-Wave | Обнаружена перегрузка по току | - | Название уведомления Z-Wave - Значение | 0x06 | - | Название уведомления Z-Wave - Версия | V3 | - | Светодиодная индикация | Проверьте таблицу светодиодной индикации | - | Реакция устройства - Выключите выход O2 и отправьте уведомление | Да | - | Действие для восстановления - перезагрузка питания | Да | - | Действие для восстановления - короткое нажатие кнопки S | Да | - | Действие для восстановления - нажмите любую кнопку-переключатель, подключенную к любому терминалу SW (SW, SW1, SW2, …) | Да | } |}
Обнаружено перенапряжение
[править]{ | class="wikitable" | - ! Комментарий ! Обнаружено перенапряжение | - | Название типа уведомления Z-Wave | Управление питанием | - | Тип уведомления Z-Wave - Значение | 0x08 | - | Тип уведомления Z-Wave - Событие | Состояние | - | Название уведомления Z-Wave | Обнаружено перенапряжение | - | Название уведомления Z-Wave - Значение | 0x07 | - | Название уведомления Z-Wave - Версия | V3 | - | Светодиодная индикация | Проверьте таблицу светодиодной индикации | - | Реакция устройства - Выключить все выходы и отправить уведомление | Да | - | Действие для восстановления - перезагрузка питания | Да | - | Действие для восстановления - короткое нажатие кнопки S | Да | - | Действие для восстановления — нажмите любую кнопку-переключатель, подключенную к любому терминалу SW (SW, SW1, SW2, …) | Да | } |}
== Ассоциации Z-Wave® == Нажмите, чтобы скрыть/показать Ассоциации используются для прямой связи между устройством и другими устройствами в вашей сети Z-Wave без необходимости использования шлюза Z-Wave. Максимальное количество подключенных устройств в группе — 9. Это значение фиксировано и не может быть настроено. Каждая группа ассоциаций поддерживает подключение до 9 устройств (узлов). Во избежание задержек в сети мы рекомендуем ограничить количество подключенных устройств не более чем 5 в группе. Группа «Lifeline» зарезервирована для управляющих устройств, таких как шлюзы и удаленные контроллеры, или устройств, которые могут интерпретировать отправляемые отчеты. Группа ассоциаций 1 отправляет управляющему устройству уведомления о классах команд и/или отчеты о классах команд при срабатывании указанных классов команд. Допускается максимум 9 узлов:
Корневое устройство
[править]=
Корневое устройство - Группа ассоциаций 1 - Lifeline
[править]=
- INDICATOR_REPORT: состояние светодиода
- DEVICE_RESET_LOCALLY_NOTIFICATION: срабатывает по запросу
- SWITCH_BINARY_REPORT: отчет об изменении состояния на SW (SW1)
- SWITCH_BINARY_REPORT: отчет об изменении состояния на SW2
- SWITCH_BINARY_REPORT: отчет об изменении состояния на SW3
- SWITCH_BINARY_REPORT: отчет об изменении состояния на SW4
- SWITCH МНОГОУРОВНЕВЫЙ ОТЧЕТ: срабатывает по запросу или в соответствии с параметрами конфигурации 36 и 39 (обратите внимание, что этот класс команд активен только в режиме диммера для O (O1))
- МНОГОУРОВНЕВЫЙ ОТЧЕТ О ПЕРЕКЛЮЧАТЕЛЕ: срабатывает по запросу или в соответствии с параметрами конфигурации 37 и 40 (обратите внимание, что этот класс команд активен только в режиме диммера для O2)
- ОТЧЕТ ОБ УВЕДОМЛЕНИИ: срабатывает при перегреве
- ОТЧЕТ ОБ УВЕДОМЛЕНИИ: срабатывает при обнаружении перегрузки по току O (O1)
- ОТЧЕТ ОБ УВЕДОМЛЕНИИ: срабатывает при обнаружении перегрузки по току O2
- ОТЧЕТ ОБ УВЕДОМЛЕНИИ: срабатывает при обнаружении перенапряжения
- ОТЧЕТ О ИЗМЕРЕНИИ: срабатывает при потреблении мощности нагрузки, подключенной к выходу O (O1) (в соответствии с настройками параметров № 36 и 39)
- ОТЧЕТ ОБ ИЗМЕРЕНИИ: срабатывает при потреблении мощности нагрузки, подключенной к выходу O2 (в соответствии с настройками параметров № 37 и 40)
- CENTRAL_SCENE_NOTIFICATION
- CENTRAL_SCENE_CONFIGURATION_REPORTКорневое устройство - Группа ассоциаций 6 (
- недоступно для включения на большие расстояния)Разрешенные узлы: 9. Назначается переключателю, подключенному к терминалу SW (SW1) (использует базовый класс команд). Запускается SW (SW1). Устройство отправляет в зависимости от состояния SW (SW1) (переключатель или кнопка) команду BASIC_SET ON или BASIC_SET OFF на связанное устройство. Эта команда отражается на выходе связанного устройства. Поддерживает следующие классы команд:
- BASIC_SET: установить состояние Вкл/Выкл на связанном устройствеКорневое устройство - Группа ассоциаций 7 (
- недоступно для включения на большие расстояния)Разрешенные узлы: 9. Назначается переключателю, подключенному к терминалу SW (SW1) (использует многоуровневый класс команд Switch). Запускается SW (SW1). Рекомендуется использовать кнопки для этого. Ассоциация. Поддерживает следующие классы команд:
- SWITCH_MULTILEVEL_START_LEVEL_CHANGE: инициирует переход на новый уровень (увеличение или уменьшение интенсивности света в случае диммера, или перемещение жалюзи вверх или вниз и т. д.)
- SWITCH_MULTILEVEL_STOP_LEVEL_CHANGE: останавливает текущий переход (остановка увеличения или уменьшения интенсивности света в случае диммера, или остановка перемещения жалюзи вверх или вниз и т. д.)Корневое устройство - группа ассоциаций 8 (
- недоступно для включения на большом расстоянии)Допустимые узлы: 9. Назначается переключателю, подключенному к терминалу SW2 (использует базовый класс команд). Запускается SW2. Устройство отправляет в зависимости от состояния SW2 (переключатель или кнопка) команду BASIC_SET ON или BASIC_SET OFF на ассоциированное устройство. Эта команда отражается на выходе ассоциированного устройства. Поддерживает следующие классы команд:
- BASIC_SET: установить состояние «Вкл./Выкл.» на связанном устройстве. Корневое устройство - Группа ассоциаций 9 (
- недоступно для включения на больших расстояниях)Допустимые узлы: 9. Назначается переключателю, подключенному к терминалу SW2 (использует класс команд Switch Multilevel). Запускается переключателем SW2. Рекомендуется использовать кнопки для этой ассоциации. Поддерживает следующие классы команд:
- SWITCH_MULTILEVEL_START_LEVEL_CHANGE: инициировать переход на новый уровень (увеличить или уменьшить интенсивность света в случае диммера, или поднять или опустить заслонку и т. д.)
- SWITCH_MULTILEVEL_STOP_LEVEL_CHANGE: остановить текущий переход (остановить увеличение или уменьшение интенсивности света в случае диммера, или остановить поднятие или опускание заслонки и т. д.)Корневое устройство - Группа ассоциаций 10 (
- недоступно для включения на больших расстояниях)Допустимые узлы: 9. Назначается на Переключатель, подключенный к терминалу SW3 (использует базовый класс команд). Запускается переключателем SW3. Устройство отправляет в зависимости от состояния SW3 (переключатель или кнопка) команду BASIC_SET ON или BASIC_SET OFF на связанное устройство. Эта команда отражается на выходе связанного устройства. Поддерживаются следующие классы команд:
- BASIC_SET: установка состояния Вкл./Выкл. на связанном устройстве. Корневое устройство - Группа ассоциаций 11 (
- недоступно для включения на большом расстоянии)Допустимые узлы: 9. Назначается переключателю, подключенному к терминалу SW3 (использует многоуровневый класс команд Switch). Запускается переключателем SW3. Рекомендуется использовать кнопки для этой ассоциации. Поддерживаются следующие классы команд:
- SWITCH_MULTILEVEL_START_LEVEL_CHANGE: инициирование перехода на новый уровень (увеличение или уменьшение интенсивности света в случае диммера, или перемещение жалюзи вверх или вниз и т. д.)
- SWITCH_MULTILEVEL_STOP_LEVEL_CHANGE: остановка текущего перехода (остановка увеличения или уменьшения интенсивности света в случае диммера, или остановка перемещения жалюзи вверх или вниз и т. д.) Корневое устройство - Группа ассоциаций 12 (
- недоступно для включения на больших расстояниях)Допустимые узлы: 9. Назначается переключателю, подключенному к терминалу SW4 (использует базовый класс команд). Запускается SW4. Устройство отправляет в зависимости от состояния SW4 (переключатель или кнопка) команду BASIC_SET ON или BASIC_SET OFF на связанное устройство. Эта команда отражается на выходе связанного устройства. Поддерживает следующие классы команд:
- BASIC_SET: установка состояния Вкл./Выкл. на связанном устройстве Корневое устройство - Группа ассоциаций 13 (
- недоступно для включения на больших расстояниях)Допустимые узлы: 9. Назначается переключателю, подключенному к терминалу SW4 (использует многоуровневый класс команд Switch). Запускается переключателем SW4. Для этой ассоциации рекомендуется использовать кнопки. Поддерживаются следующие классы команд:
- SWITCH_MULTILEVEL_START_LEVEL_CHANGE: инициирует переход на новый уровень (увеличение или уменьшение интенсивности света в случае диммера, или перемещение жалюзи вверх или вниз и т. д.)
- SWITCH_MULTILEVEL_STOP_LEVEL_CHANGE: останавливает текущий переход (остановка увеличения или уменьшения интенсивности света в случае диммера, или остановка перемещения жалюзи вверх или вниз и т. д.)
Конечная точка 1
[править]=
Конечная точка 1 - Группа ассоциаций 1 - Линия жизни
[править]=Группа ассоциаций 1 “"Группа линии жизни" отправляет управляющему устройству уведомления о классах команд и/или отчеты о классах команд при срабатывании указанных классов команд. Допустимые узлы: 0: ОТЧЕТ О МНОГОУРОВНЕВОМ ПЕРЕКЛЮЧАТЕЛЕ: срабатывает по запросу или в соответствии с параметрами конфигурации 36 и 39 (обратите внимание, что этот класс команд активен только в режиме диммера для O (O1)) ОТЧЕТ ОБ УВЕДОМЛЕНИИ: срабатывает при перегреве ОТЧЕТ ОБ УВЕДОМЛЕНИИ: срабатывает при обнаружении перегрузки по току O (O1) ОТЧЕТ ОБ УВЕДОМЛЕНИИ: срабатывает при обнаружении перенапряжения ОТЧЕТ О ИЗМЕРЕ: срабатывает при потреблении мощности нагрузки, подключенной к выходу O (O1) (в соответствии с настройками параметров № 36 и 39)
Конечная точка 2
[править]=
Конечная точка 2 - Группа ассоциаций 1 - Линия жизни
[править]=Группа ассоциаций 1 “""Группа линии жизни"" отправляет управляющему устройству уведомления о классах команд и/или отчеты о классах команд при срабатывании указанных классов команд. Допустимые узлы: 0: ОТЧЕТ О МНОГОУРОВНЕВОМ ПЕРЕКЛЮЧАТЕЛЕ: срабатывает по запросу или в соответствии с параметрами конфигурации 37 и 40 (обратите внимание, что этот класс команд активен только в режиме диммера для O2) ОТЧЕТ ОБ УВЕДОМЛЕНИИ: срабатывает при перегреве ОТЧЕТ ОБ УВЕДОМЛЕНИИ: срабатывает при обнаружении перегрузки по току O2 ОТЧЕТ ОБ УВЕДОМЛЕНИИ: срабатывает при обнаружении перенапряжения ОТЧЕТ О ИЗМЕРЕ: срабатывает при потреблении мощности нагрузки, подключенной к выходу O2 (в соответствии с настройками параметров № 37 и 40)
Конечная точка 3
[править]=
Конечная точка 3 - Группа ассоциаций 1 - Линия жизни
[править]=Группа ассоциаций 1 «Группа линии жизни» отправляет управляющему устройству уведомления о классах команд и/или отчеты о классах команд при срабатывании указанных классов команд. Допустимые узлы: 0: ОТЧЕТ ОБ ИЗМЕНЕНИИ СОСТОЯНИЯ ПЕРЕКЛЮЧАТЕЛЯ: отчет об изменении состояния на SW (SW1)Конечная точка 3 - Группа ассоциаций 2 (
- недоступно для включения на большие расстояния)'Группа ассоциаций 2Допустимые узлы: 9. Назначается коммутатору, подключенному к терминалу SW (SW1) (использует класс команд Basic). Запускается коммутатором SW (SW1). Устройство отправляет в зависимости от состояния SW (SW1) (коммутатор или кнопка) команду BASIC_SET ON или BASIC_SET OFF на связанное устройство. Эта команда отображается на выходе связанного устройства. Поддерживает следующие классы команд:
- BASIC_SET: установить состояние Вкл./Выкл. на связанном устройствеКонечная точка 3 - Группа ассоциаций 3 (
- недоступно для включения на большие расстояния)'Группа ассоциаций 3Допустимые узлы: 9. Назначается коммутатору, подключенному к терминалу SW (SW1) (использует класс команд Switch Multilevel). Запускается программным обеспечением (SW1). Для этой настройки рекомендуется использовать кнопки. Поддерживаются следующие классы команд:
- SWITCH_MULTILEVEL_START_LEVEL_CHANGE: инициирует переход на новый уровень (увеличение или уменьшение интенсивности света в случае диммера, или перемещение жалюзи вверх или вниз и т. д.)
- SWITCH_MULTILEVEL_STOP_LEVEL_CHANGE: останавливает текущий переход (остановка увеличения или уменьшения интенсивности света в случае диммера, или остановка перемещения жалюзи вверх или вниз и т. д.)
Конечная точка 4
[править]=
Конечная точка 4 - Группа ассоциации 1 - Линия жизни
[править]=Группа ассоциации 1 «Группа линии жизни» отправляет управляющему устройству уведомления о классах команд и/или отчеты о классах команд при срабатывании указанных классов команд. Допустимые узлы: 0:SWITCH_BINARY_REPORT: отчет об изменении состояния на SW2Конечная точка 4 - Ассоциация Группа 2 (
- недоступно для включения на большие расстояния)'Группа ассоциации 2Допустимые узлы: 9. Назначается на переключатель, подключенный к терминалу SW2 (использует базовый класс команд). Запускается SW2. Устройство отправляет в зависимости от состояния SW2 (переключатель или кнопка) команду BASIC_SET ON или BASIC_SET OFF на связанное устройство. Поддерживает следующие классы команд:
- BASIC_SET: установить состояние Вкл./Выкл. на связанном устройствеКонечная точка 4 - Группа ассоциации 3 (
- недоступно для включения на большие расстояния)'Группа ассоциации 3Допустимые узлы: 9. Назначается на переключатель, подключенный к терминалу SW2 (использует многоуровневый класс команд Switch). Запускается SW2. Рекомендуется использовать кнопки для этой ассоциации. Поддерживает следующие классы команд:
- SWITCH_MULTILEVEL_START_LEVEL_CHANGE: инициировать переход на новый уровень (увеличение или уменьшение интенсивности света в случае диммера, или перемещение затвора вверх или вниз, …)
- SWITCH_MULTILEVEL_STOP_LEVEL_CHANGE: остановка текущего перехода (остановка увеличения или уменьшения интенсивности света в случае диммера, или остановка перемещения затвора вверх или вниз, …)
Конечная точка 5
[править]=
Конечная точка 5 - Группа ассоциаций 1 - Lifeline
[править]=Группа ассоциаций 1 “"Группа Lifeline" отправляет управляющему устройству уведомления о классах команд и/или отчеты о классах команд при срабатывании указанных классов команд. Разрешенные узлы: 0:SWITCH_BINARY_REPORT: отчет об изменении состояния на SW3Конечная точка 5 - Группа ассоциаций 2 (
- недоступно для включения на большом расстоянии)'Группа ассоциаций 2Разрешенные узлы: 9. Назначается на переключатель, подключенный к терминалу SW3 (использует базовый класс команд). Запускается SW3. Устройство отправляет в зависимости от состояния SW3 (переключатель или кнопка) команду BASIC_SET ON или BASIC_SET OFF на связанное устройство. Поддерживаются следующие классы команд:
- BASIC_SET: установить состояние Вкл./Выкл. на связанном устройстве. Конечная точка 5 - Группа ассоциаций 3 (
- недоступно для включения на большом расстоянии)'Группа ассоциаций 3Разрешенные узлы: 9. Назначается на переключатель, подключенный к терминалу SW3 (использует многоуровневый класс команд Switch). Запускается SW3. Рекомендуется использовать кнопки для этой ассоциации. Поддерживаются следующие классы команд:
- SWITCH_MULTILEVEL_START_LEVEL_CHANGE: инициирует переход на новый уровень (увеличение или уменьшение интенсивности света в случае диммера, или перемещение жалюзи вверх или вниз и т. д.)
- SWITCH_MULTILEVEL_STOP_LEVEL_CHANGE: останавливает текущий переход (остановка увеличения или уменьшения интенсивности света в случае диммера, или остановка перемещения жалюзи вверх или вниз и т. д.)
Конечная точка 6
[править]=
Конечная точка 6 - Группа ассоциации 1 - Линия жизни
[править]=Группа ассоциации 1 «Группа линии жизни» отправляет управляющему устройству уведомления о классах команд и/или отчеты о классах команд при срабатывании указанных классов команд. Допустимые узлы: 0:SWITCH_BINARY_REPORT: отчет об изменении состояния на SW4Конечная точка 6 - Ассоциация Группа 2 (
- недоступно для включения на большие расстояния)'Группа ассоциации 2
по вводу ПО|-| Номер датчика| Отображается ли отчет датчика на шлюзе, тип датчика указан в примечаниях.|} { | class="wikitable" | - ! Легенда | - | Символ | Состояние | - | | Работает / Возможно | - | ГўВќВЊ | Не работает / Невозможно | - | П | Частично | - | Н/Т | Не тестировалось | - | TBD | Будет сделано | } |}
Руководства по шлюзам
[править]Полезные руководства по шлюзам вы можете найти в базе знаний Z-Wave Shelly.
Печатное руководство пользователя
[править]Shelly_Wave_Pro_Dimmer_2PM_US_V1_F_B2439.pdf"

