Shelly Wave Shutter
Идентификация устройства
[править]Устройство: Shelly Wave Shutter (США)Номер детали/код заказа в США: QNSH-001P07USZ-Wave ID типа продукта: 0x0003Z-Wave ID продукта: 0x0082Z-Wave Производитель: Shelly EuropeZ-Wave ID производителя: 0x0460
Терминология
[править]- OTA - Обновление прошивки по беспроводной сети.
- FW -Прошивка
- ZAF -Z-Wave® протокол
- NIF - Информационный кадр узла — кадр, отправляемый при каждом добавлении (включении) для представления/рекламы возможностей устройства шлюзу, чтобы он мог настроить свои рабочие возможности.
- CC -Класс команд (центральный элемент взаимодействия ZAF). Файлы/процессы, определяющие способ отправки и обработки/получения данных. Классы команд включают в себя их сигнатуры при отправке данных, что позволяет распознать, какой процесс отправляет данные для целевого устройства.
- Переключатель - Тумблерный переключатель или бистабильный переключатель.
- Кнопка - Кнопочный переключатель или моностабильный переключатель.
- Переключатель/кнопка -Может быть переключателем или кнопкой.
- Двойное нажатие -Если задержка между первым и вторым нажатием переключателя/кнопки составляет менее 500 мс, это интерпретируется как двойное нажатие.
- Шлюз (GW) - Шлюз Z-Wave®, также называемый контроллером Z-Wave®, главным контроллером Z-Wave®. Основной контроллер Z-Wave®, или концентратор Z-Wave® и т. д., — это устройство, которое служит центральным узлом для сети умного дома Z-Wave®. В этом документе используется термин «шлюз».
- Меш-сеть — устройства могут взаимодействовать друг с другом помимо шлюза. Устройства (только работающие от сети) могут выступать в качестве ретрансляторов для расширения сети.
- Сеть дальнего действия - устройства могут взаимодействовать только со шлюзом (функция ретранслятора отсутствует).
- Кнопка S - Сервисная кнопка Z-Wave®, расположенная на устройствах Z-Wave® и используемая для различных функций, таких как добавление (включение), удаление (исключение), сброс устройства до заводских настроек и включение/выключение выходной мощности (действительно только для вилок Wave). Термин «кнопка S» используется в этом документе.
- Устройство - В этом документе термин «Устройство» используется для обозначения устройства Shelly Wave, которое является предметом данного руководства.
- Конечное устройство -Конечные устройства Z-Wave — это узлы в сети Z-Wave, которые не являются шлюзами, такие как выключатели, дверные замки, датчики и т. д.
- Идентификатор узла -Идентификатор узла Z-Wave — это уникальный идентификатор, присваиваемый при добавлении (включении) каждого устройства в сети Z-Wave, позволяющий сети идентифицировать это устройство и взаимодействовать с ним.
- Идентификатор дома -Идентификатор дома Z-Wave — это уникальный идентификатор, присваиваемый каждой сети Z-Wave и каждому устройству в этой сети. Это отличает вашу сеть Z-Wave от других сетей и гарантирует, что ваши устройства Z-Wave будут взаимодействовать только с устройствами в вашей собственной сети.
- Добавление/Включение —Процесс добавления устройства Z-Wave в сеть Z-Wave — шлюз. В этом контексте используются слова «включен», «добавлен» и т. д.
- Удаление/Исключение —Процесс удаления устройства Z-Wave из сети Z-Wave — шлюз. В этом контексте используются слова «исключен», «удален» и т. д.
- Сброс к заводским настройкам — После сброса к заводским настройкам все пользовательские параметры и сохраненные значения (кВтч, ассоциации, маршрутизация и т. д.) вернутся к своим значениям по умолчанию. Идентификаторы HOME ID и NODE ID, назначенные устройству, будут удалены. Используйте эту процедуру сброса только в том случае, если шлюз отсутствует или неисправен по другим причинам.
- Нормальный режим — это состояние устройства, которое относится к рабочему состоянию устройства при его работе в обычных условиях (включение/выключение, затемнение и т. д.) как во время активного использования, так и в режиме ожидания, но при этом при включенном питании.
- SmartStart — Устройства с поддержкой SmartStart можно добавить (включить) в сеть Z-Wave, отсканировав QR-код Z-Wave на устройстве с помощью шлюза, поддерживающего включение SmartStart. Устройство с поддержкой SmartStart будет автоматически добавлено в течение 10 минут после включения вблизи сети Z-Wave.
- ОБЯЗАТЕЛЬНО -ОБЯЗАТЕЛЬНО должно быть реализовано
- ДОПОЛНИТЕЛЬНО - реализуйте, если позволяет время/бюджет
- Ассоциации - Ассоциации используются для прямой связи между устройством и другими устройствами в вашей сети Z-Wave без необходимости использования шлюза Z-Wave.
- Перезагрузка - Перезагрузка устройства/источника питания Включение/выключение устройства
- Жалюзи -Относится к любому виду оконных покрытий, таким как венецианские жалюзи, рулонные жалюзи (экраны), рольставни, вертикальные оконные жалюзи, шторы, встроенные венецианские жалюзи, плиссированные жалюзи, навесы и т. д. Кроме того, Wave Shutter может также управлять оконными двигателями, проекционными экранами или любым типом двунаправленного двигателя переменного тока.
- Потребляемая мощность (Вт) -обозначает скорость потребления или использования энергии электрическим устройством или системой. Измеряется в ваттах (Вт).
- Потребление энергии (кВт·ч) - обозначает общее количество электрической энергии, потребляемой устройством или системой за определенный период времени. Измеряется в киловатт-часах (кВт·ч).
- Код заказа - Код заказа совпадает с номером детали (PN). Если места для написания кода заказа недостаточно, используется аббревиатура PN. Номер детали (PN) указан на этикетке DSK на каждом устройстве.
Краткое описание
[править]Устройство обеспечивает дистанционное управление моторизованными жалюзи, рольставнями, венецианскими жалюзи, навесами и т. д. Оно измеряет потребление электроэнергии подключенным устройством. Рекомендуется использовать только двигатели с электронными или механическими концевыми выключателями. Концевые выключатели двигателя должны быть правильно установлены перед подключением устройства к двигателю.
== Управляет положением жалюзи, рулонных штор, рулонных штор, венецианских жалюзи и т. д. == нажмите здесь, чтобы узнать, как управлять жалюзи
== Управляет положением жалюзи, рулонных штор, рулонных штор, венецианских жалюзи и т. д. == При включении выходного сигнала O1 двигатель начнет поднимать жалюзи вверх, при включении выходного сигнала O2 двигатель начнет опускать жалюзи вниз. Устройство измеряет энергопотребление подключенного двигателя. Когда жалюзи останавливаются концевым выключателем двигателя (в крайнем положении «Вверх» или «Вниз»), устройство распознает это, поскольку измеренное энергопотребление упадет до нуля или до очень низкого значения. Когда жалюзи останавливаются концевым выключателем двигателя (в крайнем положении «Вверх» или «Вниз») или устройством, которое определяет достижение крайнего положения (вверх или вниз) на основе времени, выход O1 или O2 должен выключиться, даже если выключатель, подключенный к SW1 или SW2, активен. Время движения в любом направлении ограничено максимум 2 x время движения вверх/вниз. Пример. Если время подъема составляет 10 секунд, питание двигателя не может подаваться более 20 секунд! Устройство никогда не должно одновременно управлять двумя фазами подключенного двигателя. То есть выходы O1 и O2 никогда не должны быть активны одновременно, даже если одновременно активны входы SW1 и SW2 или получена команда Z-Wave, указывающая на одновременную активность Q1 и Q2. Рекомендуется использовать только двигатели с закрытыми лопастями, оснащенные электронными или механическими концевыми выключателями. Концевые выключатели двигателя должны быть правильно настроены перед подключением устройства к двигателю.
Затвор - Переключатель/кнопка, подключенные к входным клеммам SW1 и SW2
[править]Поддерживаемые переключатели/кнопки к входным клеммам SW1 и SW2: · переключатель с верхним, нижним и нейтральным положением · кнопка с верхним и нижним полюсами и с нормальным положением в нейтральном (нет сигнала) По умолчанию входы определены как кнопки. SW1 и SW2 должны быть определены либо как переключатели, либо как кнопки. Это можно изменить с помощью параметра № 5. Направления переключения/кнопки, подключенные к:
- SW1 используется для команды «Вверх (Открыть)», управляя выходом O1 (Вверх)
- SW2 используется для команды «Вниз (Закрыть)», управляя выходом O2 (Вниз)
- В случае, если SW1 и SW2 активны одновременно, выходы O1 и O2 выключаются.
Кнопка SW1 или SW2 - Однократное нажатие
[править]Однократное нажатие кнопки длится менее 0,5 секунды. Однократное нажатие запускает движение жалюзи в выбранном направлении. Действия, которые могут произойти, см. в таблице в конце этой таблицы. Если жалюзи движутся, любое нажатие (любой кнопки) остановит движение.
== Кнопка SW1 или SW2 - нажмите и удерживайте (длительное нажатие) == Нажатие и удержание кнопки - это нажатие, которое длится более 0,5 секунд. Нажатие и удержание запустит движение и наклон жалюзи в выбранном направлении, но как только кнопка будет отпущена, движение остановится. Основная цель этой функции - обеспечить точное управление наклоном жалюзи с помощью кнопки. Действия, которые могут произойти, см. в таблице в конце этой таблицы. { | class="wikitable" | - ! Действие на кнопке ! Жалюзи не движутся ! Жалюзи движутся ! Наклон жалюзи продолжается | - | Однократное нажатие (менее 0,5 секунд) | Начать движение жалюзи | Остановить движение жалюзи | нет действия. | - | Нажмите и удерживайте (более 0,5 секунды) | Начните движение жалюзи. Это включает в себя наклон жалюзи в случае венецианских жалюзи. | движение | наклон | - | Отпустите кнопку после нажатия и удержания | нет действия | Остановите движение жалюзи | Остановите наклон жалюзи | } |}
== Переключатель SW1 или SW2 == Когда переключатель включен, жалюзи начинают двигаться до тех пор, пока переключатель не будет выключен или остановлен концевым выключателем двигателя (или по истечении времени). В случае одновременной активности SW1 и SW2 выходы O1 и O2 отключаются.
== Кнопочный переключатель SW1 или SW2 - для жалюзи == Параметр № 71 установлен на 1 – жалюзи (с регулировкой положения), а параметр № 5 установлен на 0 – мгновенный переключатель. Общие правила:
- Однократное нажатие (< 0,5 секунды) запускает движение жалюзи.
- Нажатие и удержание (> 0,5 секунды) запускает движение ламелей жалюзи. Нажатие кнопки менее чем на 0,5 секунды (однократное нажатие) запускает движение. Если жалюзи движутся, любое нажатие (любой кнопки) остановит движение. Удержание кнопки нажатой более чем на 0,5 секунды (нажатие и удержание) запускает вращение ламелей (от 0 до 100% или наоборот), пока кнопка не будет отпущена или не будет достигнуто конечное положение вращения. Время вращения определяется параметром № 72{
| class="wikitable" | - ! Действие на кнопку ! Жалюзи не двигаются ! Жалюзи движутся ! Наклон жалюзи продолжается | - | Однократное нажатие (менее 0,5 секунды) | Начать движение жалюзи | Остановить движение жалюзи | нет действия. | - | Нажать и удерживать (более 0,5 секунды) | Начать движение жалюзи. Это включает наклон жалюзи в случае жалюзи. | движение | наклон | - | Отпустить кнопку после нажатия и удержания | нет действия | Остановить движение жалюзи | Остановить наклон жалюзи | } |}
Переключатель SW1 или SW2 - для жалюзи
[править]Для жалюзи рекомендуется использовать кнопки!Параметр № 71 установлен на 1 – жалюзи (с позиционированием), а параметр № 5 установлен на 1 - тумблер (контакт замкнут - ВКЛ / контакт разомкнут - (ВЫКЛ.) При нажатии тумблера начинается движение, которое продолжается до тех пор, пока тумблер не будет нажат снова для возврата в противоположное положение (изменения состояния) или до достижения концевого выключателя.
== Позиционирование ламелей == Для достижения максимальной точности позиционирования ламелей при остановке жалюзи кнопкой, шлюзом или при управлении шлюзом ламели в описанных ниже условиях совершают дополнительное движение. Когда ламели установлены в любом промежуточном положении и получают команду на другое положение, ламели всегда сначала перемещаются на 100%, а затем возвращаются в заданное положение. Когда жалюзи опускаются, ламели находятся в положении 0%. Когда достигается концевой выключатель или жалюзи останавливаются кнопкой или шлюзом, ламели поворачиваются на 100%, а затем перемещаются в предыдущее положение (до начала движения). Когда жалюзи поднимаются, ламели находятся в положении 100%. Когда жалюзи останавливаются кнопкой или шлюзом, ламели возвращаются в предыдущее положение (до начала движения).
== Автоматическая калибровка == Автоматическая калибровка — это процесс, в ходе которого устройство запоминает положение концевых выключателей. Внимание! Для корректной работы устройства необходимо выполнить процедуру калибровки! Внимание! Двигатель должен быть оснащен электронными или механическими концевыми выключателями, а положения концевых выключателей должны быть правильно установлены перед калибровкой! Внимание! Калибровка считается успешной, когда устройство выполняет полный цикл движения: вверх, вниз, вверх, вниз до 50%. Внимание! Если калибровка не выполнена, проверьте правильность установки концевых выключателей и соответствие проводки инструкциям в руководстве пользователя.
Калибровка с помощью шлюза
[править]Внимание! Калибровка с помощью Шлюз не имеет временных ограничений, его можно запустить в любое время. Параметр № 71 установлен на 0 – Затвор (с позиционированием). Калибровка выполняется параметром № 78. Проверьте параметр № 78, чтобы увидеть все доступные состояния. Начать калибровку:
- Добавьте устройство в сеть Z-Wave в соответствии с инструкциями по добавлению.
- Установите значение параметра № 78 (принудительная калибровка затвора) равным 1.
- Устройство выполняет процесс калибровки, завершая полный цикл – вверх, вниз, вверх и вниз до 50%.
- Проверьте параметр № 78 и состояние светодиода, чтобы убедиться, что калибровка была успешно выполнена. Автоматическая калибровка с помощью кнопки SW1:
- Внимание! Калибровка с помощью кнопки SW1 не имеет временных ограничений и может быть запущена в любое время.
- Переместите жалюзи в верхнее положение.
- Нажмите SW1 4 раза в 3 секунд.
- Устройство начнет калибровку и выполнит 3 цикла: вниз, вверх и вниз до 50%.
- Проверьте состояние светодиода, чтобы убедиться в успешности калибровки.'Автоматическая калибровка с помощью кнопки S:'Внимание!Калибровка с помощью кнопки S не ограничена по времени и может быть запущена в любое время.
- Войдите в режим настройки, нажав кнопку S менее чем на 0,5 с (однократное нажатие).
- Удерживайте кнопку S, пока не будет выбрана калибровка, о чем свидетельствует желтый цвет светодиода.
- Начните калибровку, нажав кнопку S более чем на 2 секунды.
- Устройство начнет калибровку и выполнит 3 цикла: вниз, вверх и вниз до 50%. Проверьте состояние светодиода, чтобы убедиться в успешности калибровки.
== Калибровка положения наклона ламелей (режим «Венецианские жалюзи») == Параметр № 71 установлен на 1 – «Венецианские жалюзи (с позиционированием)». При включении режима «Венецианские жалюзи» необходимо выполнить калибровку положения наклона ламелей. После этого можно установить положение и угол наклона ламелей. Полное время поворота ламелей устанавливается с помощью параметра № 72.
- Добавьте (включите) и выполните процесс калибровки устройства в соответствии с разделом «Автоматическая калибровка».
- Установите параметр № 71 на 1 – «Венецианские жалюзи (с позиционированием)».
- Если после полного цикла поворота ламелей (поворота ламелей из одного крайнего положения в другое) жалюзи начинают двигаться вверх или вниз, сократите время поворота с помощью параметра № 72 и наоборот. Повторяйте шаг 3, пока положение ламелей не будет правильным. Внимание! Если время поворота установлено правильно, регулировка положения ламелей не должна приводить к перемещению жалюзи вверх или вниз.
== Ручная калибровка для двигателей без концевых выключателей == Настройка времени подъема и опускания вручную. Для жалюзи с двигателями без концевых выключателей устройство не может быть откалибровано. В этом случае время перемещения из положения «вверх» в положение «вниз» и наоборот необходимо устанавливать вручную. Мы будем использовать распространенное решение, определяя два времени перемещения жалюзи: одно для подъема и одно для опускания. Эти временные параметры используются модулем жалюзи для управления роликом и определения его положения.
- Установите параметр № 71 на значение 2 – Ручная установка времени (без концевых выключателей)
- Время устанавливается параметром № 74 для движения вверх и параметром № 75 для движения вниз
- Перемещайте жалюзи между крайними положениями, нажимая кнопку SW1 или SW2: Если жалюзи останавливаются до достижения положения «Вверх», увеличьте значение параметра № 74; если жалюзи не останавливаются после достижения положения «Вверх», уменьшите значение параметра № 74; если рулонные жалюзи останавливаются до достижения положения «Вниз», увеличьте значение параметра № 75; если рулонные жалюзи не останавливаются после достижения положения «Вниз», уменьшите значение параметра № 75.
- Повторяйте предыдущий шаг до достижения удовлетворительного положения.
== Восстановление после отключения питания == Восстановление после отключения питания занимает менее 1 секунды. При работе с помощью кнопок (или команды Z-wave) в случае отключения питания устройство сохраняет положение жалюзи (и положение наклона в случае венецианских жалюзи) и сообщает текущее После восстановления электропитания жалюзи перемещаются к шлюзу. После отключения электроэнергии жалюзи не перемещаются в конечное положение, а остаются в неподвижном состоянии. При использовании тумблерных переключателей в случае отключения электропитания жалюзи перемещаются в конечное положение, если активирован один из переключателей SW1 или SW2.
== Удаленная перезагрузка устройства == Удаленная перезагрузка устройства может быть выполнена с помощью параметра № 117
== Измерение энергопотребления == Измеряет энергопотребление (Вт) всех подключенных нагрузок. Измеренные значения отправляются на шлюз в соответствии с настройками параметров № 36 и 39.
== Измерение энергопотребления == Энергопотребление (кВт·ч) устройство рассчитывает на основе измеренной мощности (Вт) за определенный период времени. Значение измерения энергопотребления отправляется на шлюз, когда значение увеличивается на 0,1 кВт·ч, в виде незапрошенного отчета.
== Сохранение и сброс кВт·ч == Сохраняет кВт·ч во флэш-памяти сразу после обнаружения отключения электропитания. Сброс кВт·ч возможен:
- Сброс к заводским настройкам
- Команда Z-wave classKWh невозможна Сброс осуществляется кнопкой S. Обновление по воздуху (OTA) не влияет на сохраненное значение кВт·ч, оно остается неизменным после обновления прошивки по воздуху.
Поддерживаемые протоколы связи Z-Wave Security == Unsecure, S0 Security, S2 Unauthenticated Security, S2 Authenticated Security Работает как ретранслятор Z-WaveРетранслятор Z-Wave ретранслирует радиосигнал Z-Wave, обходя препятствия и зоны отсутствия сигнала, чтобы гарантировать его прием в пунктах назначения.OTA - Over-The-Air обновление прошивкиOTA означает Over-The-Air и относится к беспроводному обновлению прошивки конечных устройств.Версия прошивки
[править]Версия прошивки хранится в устройстве, даже если оно обновлено по воздуху (OTA). Шлюз может считать версию прошивки.Серийный номер устройства
Серийный номер устройства хранится в устройстве после тестирования в производственной среде. Шлюз может считать серийный номер устройства.Номер детали устройства (PN)
[править]Номер детали устройства сохраняется в устройстве после тестирования в производственной среде. Номер детали устройства может быть считан шлюзом.
Основные области применения
[править]- Жилые дома
- Многоквартирные дома (квартиры, кондоминиумы, гостиницы и т. д.)
- Небольшие коммерческие помещения (небольшие офисные здания, небольшие магазины/рестораны/автозаправочные станции и т. д.)
- Государственные/муниципальные учреждения
- Университеты и колледжи
Интеграции
[править]Устройства Shelly Wave разработаны на основе ведущей в мире технологии для умных домов — Z-Wave. Это означает, что Shelly Wave работает со всеми сертифицированными шлюзами, поддерживающими протокол связи Z-Wave. Чтобы убедиться в поддержке функций продуктов Shelly Wave на вашем шлюзе, мы регулярно проводим тесты совместимости наших устройств с различными шлюзами Z-Wave.
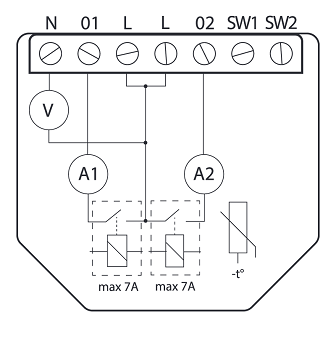
Упрощенная внутренняя схема
[править]Электрические интерфейсы устройства
[править]Входы
[править]- 2 входа для переключателей/кнопок на винтовых клеммах
- 3 входа питания на винтовых клеммах: N, 2 L
Выходы
[править]- 2 релейных выхода с измерением мощности на винтовых клеммах
Подключение
[править]Незащищенный режим, S0 Безопасность, S2 Неаутентифицированная безопасность, S2 Аутентифицированная безопасность
Функции безопасности
[править]Нажмите, чтобы показать/скрыть
Защита от перегрева
[править]Устройство имеет встроенную защиту от перегрева. Если температура превышает заданное значение 80°C более 5 секунд, устройство выполнит следующие действия:
- отключит свой выходной сигнал;
- отправит уведомление на шлюз (Обнаружен перегрев);
- светодиодные индикаторы отреагируют, как указано выше (проверьте режим мигания светодиодов при обнаружении перегрева).
ПРИМЕЧАНИЕ: Защита от перегрева всегда активна и не может быть отключена.
Дополнительное описание выше в разделе «Уведомление об обнаружении перегрева».
Защита от перегрузки по току
[править]Устройство имеет внутреннюю защиту от перегрузки по току. Если ток превышает 10 А + 10% (максимальный коммутируемый ток + 10%) в течение более 5 секунд, устройство:
- отключит свой выход
- отправит уведомление на шлюз (Обнаружена перегрузка по току)
- светодиоды отреагируют, как указано выше (проверьте режим мигания светодиодов на наличие перегрузки по току)
ПРИМЕЧАНИЕ: Защита от перегрузки по току всегда активна и не может быть отключена.
Дополнительное описание выше в главе «Уведомление об обнаружении перегрузки по току».
Защита от перенапряжения
[править]Устройство имеет внутреннюю защиту от перенапряжения. Это действительно для стандартного напряжения питания 230 В переменного тока. Если напряжение превышает 240 В переменного тока + 15% (278 В переменного тока) более 5 секунд, устройство:
- отключит свой выход
- отправит уведомление на шлюз (Обнаружено перенапряжение)
- светодиоды будут реагировать, как указано выше (проверьте режим мигания светодиодов при обнаружении перенапряжения)
ПРИМЕЧАНИЕ: Защита от перенапряжения всегда активна и не может быть отключена.
Дополнительное описание выше в главе «Уведомление об обнаружении перенапряжения».
Поддерживаемые типы нагрузки
[править]- Индуктивная с RC-демпфером (электродвигатели 120 В переменного тока).
Пользовательский интерфейс
[править]Кнопка S и режимы работы
[править]- Режим настроек: необходим для запуска нужной процедуры, например: добавление (включение (
- недоступно для дальнего действия) устройства)), удаление (исключение), сброс к заводским настройкам и т. д. Имеет ограниченное время работы. После завершения процедуры в режиме настройки устройство автоматически переключается в обычный режим.
- Вход в режим настройки:
- Нажмите и удерживайте кнопку S на устройстве, пока светодиод не загорится синим цветом.
- Дополнительное быстрое нажатие кнопки S изменяет меню в бесконечном цикле.
- Время ожидания состояния светодиода меню составляет 10 секунд, после чего устройство снова переходит в обычный режим.
Функции кнопки S
[править]- Добавление устройства в сеть Z-Wave вручную (
- недоступно для включения в сеть дальнего действия)
- Удаление устройства из сети Z-Wave вручную
- Сброс устройства к заводским настройкам
- Калибровка
Индикаторы светодиодов
[править]Нажмите, чтобы увидеть индикаторы светодиодовОбщие правила
- Для переключения между обычным режимом и режимом настройки нажмите кнопку S один раз.
- Постоянно горящий светодиод означает, что устройство находится в режиме настройки (это не относится к розеткам). Когда устройство находится в режиме настроек, оно автоматически переключается в обычный режим через 10 секунд.
- Если светодиод не находится в режиме тревоги, он выключится через 30 минут (это не относится к розеткам). Нажатие кнопки S или перезагрузка устройства активирует светодиод на 30 минут. Состояние светодиода в обычном режиме: Обычный режим определяется стабильной работой устройства, которая может длиться неограниченно долго. Тип светодиода: RGB с регулировкой яркости. Обычный режим. Удалено (исключено)/не откалибровано. Светодиод будет мигать синим цветом в режиме 1 в течение 30 минут после каждой перезагрузки и 10 минут после нажатия кнопки S.
Удалено (исключено)/откалибровано. Светодиод будет мигать синим и желтым цветом в режиме 1 в течение 30 минут после каждой перезагрузки и 10 минут после нажатия кнопки S.
Добавлено (включено)/не откалибровано. Светодиод будет мигать В режиме 1 светодиод будет мигать зеленым и желтым цветом в течение 30 минут после каждого выключения и включения питания, а также через 10 минут после нажатия кнопки S.
Добавлено (включено)/откалибровано. Светодиод будет мигать зеленым и желтым цветом в режиме 1 в течение 30 минут после каждого выключения и включения питания, а также через 10 минут после нажатия кнопки S. нажато.




Технические характеристики
[править]{ | class="wikitable" | - ! Источник питания ! 120 В переменного тока 50/60 Гц | - | Потребляемая мощность | < 0,3 Вт | - | Измерение мощности [Вт] | Да | - | Макс. мощность на канал | 1/3 л.с. | - | Макс. коммутируемое напряжение переменного тока | 120 В | - | Макс. коммутируемый ток переменного тока | 7 А на канал | - | Защита от перегрева | Да | - | Защита от перегрузки по току | Да | - | Защита от перенапряжения | Да | - | Расстояние | До 40 м в помещении (131 фут) (зависит от местных условий) | - | Репитер Z-Wave®: | Да | - | Процессор | Z-Wave® S800 | - | Диапазон(ы) частот Z-Wave® | 908,4 МГц | - | Размеры (В x Ш x Г) | 37 x 42 x 16 × 0,5 мм / 1,46 x 1,65 x 0,63 × 0,02 дюйма | - | Вес | 29 г / 1,02 дюйма | - | Монтаж | Встраиваемая коробка | - | Максимальный крутящий момент винтовых клемм | 0,4 Нм / 3,5 фунта | - | Сечение проводника | 0,5–1,5 мм² / 20–16 AWG | Длина зачищенного проводника: 5–6 мм² / 0,20–0,24 дюйма | Материал корпуса: Пластик | Цвет: Черный | Температура окружающей среды: от -20°C до 40°C / от -5°F до 105°F | Влажность: от 30% до 70% относительной влажности | Максимальная высота: 2000 м / 6562 фута | } |}
Базовая схема подключения
[править]{ | class="wikitable" | - ! Рис.1 ! Рис.2 ! Рис.3 | - | Рис.4 | Рис.5 | | } |}
Условные обозначения
[править]Клеммы устройства:
- N:Нейтральная клемма
- L:Пленочная(ые) клемма(ы) (120 В переменного тока, 50/60 Гц)
- SW1:Входная клемма для выключателя/кнопки ВВЕРХ (разомкнута)
- SW2:Входная клемма для выключателя/кнопки ВНИЗ (замкнута)
- O1:Выходная клемма для двигателя ВВЕРХ (разомкнута)
- O2:Выходная клемма для двигателя ВНИЗ (замкнута)Провода:
- N:Нейтральный провод
- L:Пленочный провод (120 В переменного тока, 50/60 Гц)Кнопка:
- S:Кнопка S
Отказ от ответственности и Предупреждения
[править]'ПРОЧИТАЙТЕ ПЕРЕД ИСПОЛЬЗОВАНИЕМ'Этот документ содержит важную техническую информацию и информацию по технике безопасности об устройстве, его безопасном использовании и установке.ВНИМАНИЕ! Опасность поражения электрическим током. Убедитесь, что после установки устройства его винтовые клеммы недоступны для пользователей и защищены от случайных коротких замыканий!ВНИМАНИЕ! Использование сервисной кнопки должно осуществляться профессиональным установщиком. Опасность поражения электрическим током.ВНИМАНИЕ! Опасность поражения электрическим током. Монтаж/установка устройства в электросеть должна выполняться с осторожностью квалифицированным электриком.ВНИМАНИЕ! Опасность поражения электрическим током. Любые изменения в соединениях должны производиться после проверки отсутствия напряжения на клеммах устройства.ВНИМАНИЕ! Используйте устройство только с электросетью и приборами, соответствующими всем действующим нормам. Короткое замыкание в электросети или любом электроприборе, подключенном к Устройству, может повредить его. ВНИМАНИЕ! Не подключайте Устройство к электроприборам, превышающим указанную максимальную нагрузку! ВНИМАНИЕ! Не изменяйте антенну (антенну нельзя укорачивать, удлинять или модифицировать каким-либо образом!). ВНИМАНИЕ! Подключайте Устройство только способом, указанным в данной инструкции. Любой другой способ может привести к повреждению и/или травме. ВНИМАНИЕ! Не устанавливайте Устройство в местах, где оно может намокнуть. ВНИМАНИЕ! Не используйте Устройство, если оно повреждено! ВНИМАНИЕ! Не пытайтесь самостоятельно обслуживать или ремонтировать Устройство! ВНИМАНИЕ! Не вмешивайтесь в работу Устройства (любые изменения или модификации Устройства запрещены). ВНИМАНИЕ! Перед началом монтажа/установки устройства убедитесь, что автоматические выключатели выключены и на их клеммах нет напряжения. Это можно сделать с помощью тестера сетевого напряжения или мультиметра. Убедившись в отсутствии напряжения, можно приступать к подключению проводов. ВНИМАНИЕ! Используйте только однофазную цепь переменного тока. Не используйте смешанные цепи переменного и постоянного тока. ВНИМАНИЕ! Не позволяйте детям играть с кнопками/переключателями, подключенными к устройству. Держите устройства дистанционного управления Shelly Wave (мобильные телефоны, планшеты, ПК) в недоступном для детей месте. РЕКОМЕНДАЦИЯ: Размещайте антенну как можно дальше от металлических элементов, так как они могут вызывать помехи сигнала. РЕКОМЕНДАЦИЯ: Подключайте устройство с помощью одножильных кабелей или многожильных кабелей с наконечниками. Кабели должны иметь изоляцию с повышенной термостойкостью, не ниже ПВХ T105°C (221°F). РЕКОМЕНДАЦИЯ: Для индуктивных приборов, вызывающих скачки напряжения при включении/выключении, таких как электродвигатели, вентиляторы, пылесосы и аналогичные устройства, параллельно прибору следует подключать RC-демпфер (0,1 мкФ / 100 °C / 1/2 Вт / 600 В переменного тока).
О Z-Wave®
[править]Нажмите, чтобы показать/скрыть Протокол Z-Wave® — это совместимая беспроводная радиочастотная технология связи, разработанная специально для приложений управления, мониторинга и считывания состояния в жилых и небольших коммерческих помещениях. Зрелая, проверенная и широко используемая Внедренная технология Z-Wave® является безусловным мировым лидером на рынке беспроводного управления, предоставляя доступные, надежные и простые в использовании «умные» продукты миллионам людей во всех аспектах повседневной жизни. В основе протокола Z-Wave® всегда лежала совместимость, наряду с такими функциями, как обратная совместимость, безопасность и надежность. Все устройства Z-Wave® могут работать в любой сети Z-Wave® с другими сертифицированными устройствами Z-Wave®, независимо от марки или производителя. Все узлы сети, работающие от сети, будут действовать как ретрансляторы независимо от производителя, повышая надежность сети. В экосистеме Z-Wave® насчитывается более 4000 сертифицированных продуктов Z-Wave®, обратно и напрямую совместимых с различными сетями, и более 100 миллионов устройств уже представлены на рынке. Имея более чем 20-летний опыт работы на рынке, Технология Z-Wave® обладает лучшими в своем классе мерами безопасности, чтобы сделать вашу домашнюю сеть умнее и безопаснее. Источник: www.z-wavealliance.org, http://www.z-wave.com
== Добавление и удаление устройства из сети Z-Wave® == Нажмите, чтобы узнать, как добавить, удалить и сбросить устройство
Добавление устройства в сеть Z-Wave® (включение)
[править]Внимание! В случае добавления (включения) уровня безопасности 2 (S2) появится диалоговое окно с запросом на ввод соответствующего PIN-кода (5 подчеркнутых цифр), указанного на этикетке Z-Wave® DSK на боковой стороне устройства и на Z-Wave® Наклейка DSK вставлена в упаковку. ВАЖНО: Не допускайте утери PIN-кода. =
Добавление (включение) SmartStart
[править]= Продукты с поддержкой SmartStart можно добавить в сеть Z-Wave®, отсканировав QR-код Z-Wave®, присутствующий на устройстве, с помощью шлюза, обеспечивающего включение SmartStart. Никаких дополнительных действий не требуется, и устройство SmartStart будет добавлено автоматически в течение 10 минут после включения вб ]]
Внимание! Устройство будет удалено из вашей сети Z-Wave®, но любые пользовательские параметры конфигурации не будут удалены.=
Удаление (исключение) с помощью кнопки S
[править]=
- Подключите устройство к источнику питания.
- Проверьте, мигает ли зеленый светодиод в режиме 1. Если да, то устройство добавлено в сеть Z-Wave®.
- Включите режим добавления/удаления на шлюзе.
- Чтобы войти в режим настроек, нажмите кнопку
Удерживайте кнопку S на устройстве, пока светодиод не загорится синим цветом. Отпустите кнопку S на устройстве, затем нажмите и удерживайте ее (> 2 с), пока синий светодиод не начнет мигать в режиме 3. Отпускание кнопки S запустит режим обучения. Синий светодиод будет мигать в режиме 2 во время процесса удаления. Синий светодиод будет мигать в режиме 1, если устройство успешно удалено из сети Z-Wave®.
Внимание! В режиме настроек устройство имеет тайм-аут 10 с перед повторным переходом в обычный режим.=
Удаление (исключение) с помощью переключателя/кнопки
[править]=
- Подключите устройство к источнику питания.
- Проверьте, мигает ли зеленый светодиод в режиме 1. В этом случае устройство добавляется в сеть Z-Wave®.
- Включите режим добавления/удаления на шлюзе.
- Переключите тумблер/кнопку, подключенную к любому из терминалов SW (SW, SW1, SW2 и т. д.), 3 раза в течение 3 секунд (эта процедура переводит устройство в режим обучения). Устройство должно получить сигнал включения/выключения 3 раза, что означает 3 нажатия кратковременной кнопки или 3 включения и выключения тумблера.
- Синий светодиод будет мигать в режиме 2 во время процесса удаления.
- Синий светодиод будет мигать в режиме 1, если устройство успешно удалено из сети Z-Wave®.
Сброс к заводским настройкам ==
[править]Общие настройки сброса к заводским настройкам
[править]После сброса к заводским настройкам все пользовательские параметры и сохраненные значения (кВтч, ассоциации, маршрутизация и т. д.) вернутся к своим значениям по умолчанию. Идентификаторы HOME ID и NODE ID, назначенные устройству, будут удалены. Используйте эту процедуру сброса только в том случае, если шлюз отсутствует или неисправен по какой-либо другой причине.
[править]Сброс к заводским настройкам с помощью кнопки S ==
[править]Внимание!Сброс к заводским настройкам с помощью кнопки S возможен в любое время.
- Чтобы войти в режим настроек, нажмите и удерживайте кнопку S на устройстве, пока светодиод не загорится синим цветом.
- Нажимайте кнопку S несколько раз, пока светодиод не загорится красным цветом.
- Нажмите и удерживайте (> 2 с) кнопку S на устройстве, пока красный светодиод не начнет мигать в режиме 3. Отпускание кнопки S запустит сброс к заводским настройкам.
- Во время сброса к заводским настройкам светодиод будет гореть зеленым цветом около 1 с, затем синий и красный светодиоды начнут мигать в режиме 3 примерно в течение... 2 с.
- Синий светодиод будет мигать в режиме 1, если сброс к заводским настройкам прошел успешно.=
Сброс к заводским настройкам с помощью переключателя/кнопки
[править]=
Внимание! Сброс к заводским настройкам с помощью переключателя/кнопки возможен только в течение первой минуты после подключения устройства к источнику питания.
- Подключите устройство к источнику питания.
- Переключайте переключатель/кнопку, подключенную к любому из клемм SW (SW, SW1, SW2,…), 5 раз в течение 3 секунд. Устройство должно получить сигнал включения/выключения 5 раз, что означает 5 нажатий кнопки или 5 переключений выключателя.
- Во время сброса к заводским настройкам светодиод будет гореть зеленым цветом около 1 секунды, затем синий и красный светодиоды начнут мигать в режиме 3 примерно 2 секунды.
- Синий светодиод будет мигать в режиме 1, если сброс к заводским настройкам прошел успешно. =
Удаленный сброс к заводским настройкам с помощью параметров шлюза
[править]=Сброс к заводским настройкам можно выполнить удаленно с помощью настроек в параметре № 120.
Безопасность Z-Wave® и ключ, специфичный для устройства (DSK)
[править]Нажмите, чтобы узнать больше о безопасности и DSK. Устройство поддерживает новейшую функцию безопасности 2 (S2). S2 обрабатывается надежным протоколом шифрования AES 128, что означает, что S2 делает Z-Wave® самой безопасной платформой безопасности IoT (Интернет вещей). Для полного использования продукта и его функции Security 2 необходимо использовать шлюз Z-Wave® с поддержкой Security 2. Аутентифицированное управление
- Внеполосный DSK для добавления (включения)
- Может использоваться в большинстве реализаций. Устройство также поддерживает добавление (включение) с аутентификацией Security 2, без аутентификации и без защиты.
Примечание! При добавлении устройства в сеть Z-Wave® со шлюзом, поддерживающим Security 2 (S2), требуется PIN-код ключа Z-Wave® Device Specific Key (DSK). Вы можете найти его на этикетке на боковой стороне устройства, а копия вложена в упаковку, которую нельзя терять. Не снимайте этикетку Z-Wave® DSK с устройства. В качестве резервной меры используйте этикетку из упаковки. Первые пять цифр ключа выделены или подчеркнуты, чтобы помочь пользователю определить часть текста DSK, содержащую PIN-код. DSK дополнительно представлен QR-кодом, как показано на изображении.
== Метка DSK и QR-код Z-Wave® (пример) == Присоединяющийся узел, запрашивающий присоединение к классу контроля доступа S2 или классу аутентификации S2, зашифрует свой открытый ключ, установив байты 1–2 в нули (0x00) перед передачей ключа по радиочастоте. DSK может использоваться для внеполосной аутентификации (OOB).
- Включающий шлюз может использовать устройство сканирования QR-кода для считывания всего DSK присоединяющегося устройства и сопоставления его с зашифрованным открытым ключом, полученным по радиочастоте от присоединяющегося устройства.
== Настройка параметров == Нажмите здесь, чтобы посмотреть параметры Z-Wave
== Параметр № 1 – Выбор между кнопочным (кратковременным) и бистабильным (переключателем) режимом == С помощью этого параметра вы можете выбрать тип переключателя: кнопочный (кратковременный) или включенный/выключенный Переключатель, подключенный к входам SW1 и SW2. Размер значения: 1 байт. Значение по умолчанию: 0. Значения и описания:
- 0 - кнопочный переключатель
- 1 - тумблер (контакт замкнут - ВКЛ / контакт разомкнут - ВЫКЛ)
- 2 - одиночный кнопочный переключатель (переключатель должен быть подключен к клемме SW1). Примечание: При установке = 2, 1 нажатие на SW1 вверх - 1 нажатие на SW1 вниз - 1 нажатие на SW1 вниз. Параметр № 3 «Ориентация входов»
== Этот параметр позволяет изменить направление работы переключателей, подключенных к входам SW1 и SW2, без изменения проводки. Размер значения: 1 байт. Значение по умолчанию: 0. Значения и описания:
- 0 - по умолчанию (SW1 - O1, I2 - O2)
- 1 - обратное (SW1 - O2, I2 - O1) == Параметр № 5 «Ориентация выхода» ==
Этот параметр позволяет изменить направление работы O1 и O2 без изменения проводки (в случае неправильного подключения двигателя) для обеспечения правильной работы. Размер значения: 1 байт. Значение по умолчанию: 0. Значения и описания:
- 0 - по умолчанию (O1 - ВВЕРХ, O2 - ВНИЗ)
- 1 - наоборот (O1 - ВНИЗ, O2 - ВВЕРХ)
Параметр № 40 - Отчет о потреблении энергии
[править]Выберите, насколько необходимо увеличить или уменьшить потребление энергии (Вт), чтобы оно отображалось в отчете. Значения соответствуют процентам, поэтому, если установлено значение 50 (по умолчанию), устройство будет сообщать о любых изменениях потребления энергии на 50 % или более по сравнению с последним показанием. Размер значения: 1 байт. Значение по умолчанию: 50. Значения и описания:
- 0 - Отчет о потреблении энергии отключен
- 1 - 100 = 1 % - 100 % Отчет о потреблении энергии включен. Новое значение отображается только тогда, когда потребление энергии в реальном времени изменяется более чем на заданный процент. В этом параметре, по сравнению с предыдущим показанием потребления энергии, начиная с 1 % (минимально возможное значение).ПРИМЕЧАНИЕ:Потребление энергии должно увеличиться или уменьшиться как минимум на 1 Вт, чтобы отобразилось, НЕЗАВИСИМО от процента, установленного в этом параметре.
Параметр № 71 - Режимы работы
[править]Выберите один из двух режимов работы. В режиме жалюзи можно выбрать подъем/опускание/остановку. В режиме венецианских ламелей в пользовательском интерфейсе отображается дополнительный виджет/конечная точка, которую можно использовать для управления положением наклона ламелей.Размер значений: 1 байтЗначение по умолчанию: 0Значения и описания:
- 0 - Режим жалюзи
- 1 - Венецианский режим (вверх/вниз и вращение ламелей)
- 2 - Ручная установка времени (без концевых выключателей)ПРИМЕЧАНИЕ: Если двигатель не оснащен концевыми выключателями, установите значение 2 и установите время перемещения (Параметр № 74 и 75).
== Параметр № 72 - Время поворота ламелей жалюзи == Установите время, необходимое для полного поворота ламелей (180 градусов).ПРИМЕЧАНИЕ:Убедитесь, что режим работы установлен на «жалюзи» (Пар. № 71 = 1)Размер значений: 2 байтЗначение по умолчанию: 150 = 1,5 секундыЗначения и описания:
- 0 - время поворота отключено
- 1 - 32767 = 0,01 секундыГўВЂВ“ 327,67 секундыПРИМЕЧАНИЕ: Если установленное время слишком велико и полный поворот уже был выполнен, устройство начнет двигаться вверх или вниз в течение оставшегося времени. В этом случае сократите время поворота.
Параметр № 73 - Положение ламелей после перемещения
[править]Этот параметр используется для включения/отключения возврата ламелей в ранее установленное положение после активации через шлюз. Кнопочное управление или при достижении нижнего концевого выключателя. Размер значений: 1 байт. Значение по умолчанию: 1. Значения и их описания:
- 0 - отключение
- 1 - включение. ПРИМЕЧАНИЕ: Убедитесь, что режим работы установлен на венецианский (параметр № 71 = 1)
== Параметр № 76 - Обнаружение работы двигателя == Определите пороговое значение потребления энергии в крайних положениях. На основании этого значения устройство определит, что жалюзи достигли концевых выключателей. Размер значения: 1 байт. Значение по умолчанию: 1. Значения и их описания:
- 0 - Отключено: достижение концевого выключателя не будет обнаружено.
- 1 - Автоматическая калибровка мощности.
- 2 - 255 (2-255 Вт) - интервал отчета. Примечание: Для корректной автоматической калибровки мощности необходимо выполнить калибровку жалюзи!
Параметр № 78 «Принудительная калибровка жалюзи»
[править]Установив этот параметр в значение 1, устройство начнет выполнять процедуру принудительной калибровки. Параметр также сообщает о состоянии калибровки, отправляя команду получения значения параметра. Примечание: См. главу «Функциональность с подробностями калибровки». Примечание: Во время процедуры калибровки жалюзи перемещаются вверх, вниз, вверх и вниз до 50%. Примечание: Во время процедуры калибровки мигает желтый светодиод. Размер значения: 1 байт. Значение по умолчанию: 3 (после (Сброс к заводским настройкам) Значения и их описания:
- 1 - начало калибровки
- 2 - устройство откалибровано (только для чтения)
- 3 - устройство не откалибровано (только для чтения)
- 4 - ошибка калибровки (только для чтения)
== Параметр № 80 «Задержка остановки двигателя после срабатывания концевого выключателя» == Этот параметр определяет время задержки выключения двигателя после срабатывания концевого выключателя. Размер значения: 1 байт. Значение по умолчанию: 10. Значения и их описания:
- Значение по умолчанию 10 = (1 с)
- 0-127 (0-12,7 с) - время
== Параметр № 85 «Максимальное время задержки потребления энергии» == Определяет максимальное время, в течение которого потребление энергии двигателя не будет считано с устройства после включения одного из реле. Если в течение заданного времени потребление энергии отсутствует (двигатель не подключен, поврежден или требует больше времени для запуска, двигатель находится в конечном положении), реле выключится. Определяется путем ручного ввода. Размер значения: 1 байт. Значение по умолчанию: 30. Значения и описания:
- 0 = время устанавливается автоматически.
- 3 - 50 = 0,3 секунды - 5 секунд (разрешение 100 мс).
== Параметр № 91 - Максимальное время перемещения двигателя. == Если затвор не откалиброван (или двигатель не оснащен концевым выключателем), этот параметр определяет время перемещения двигателя. Размер значения: 2 байта. Значение по умолчанию: 120. Значения и описания:
- значение = 1 - 32000 с.
== Классы команд. == Нажмите, чтобы увидеть классы команд Z-Wave. Поддерживаемые команды Z-Wave. Классы: COMMAND_CLASS_ZWAVEPLUS_INFO_V2,COMMAND_CLASS_SWITCH_MULTILEVEL_V4COMMAND_CLASS_ASSOCIATION_3COMMAND_CLASS_MULTI_CHANNEL_ASSOCIATION_V4COMMAND_CLASS_ASSOCIATION_GRP_INFO_V3COMMAND_CLASS_NOTIFICATION_V9COMMAND_CLASS_TRANSPORT_SERVICE_V2COMMAND_CLASS_VERSION_V3COMMAND_CLASS_MANUFACTURER_SPECIFIC_V2COMMAND_CLASS_DEVICE_RESET_ LOCALLY_V1COMMAND_CLASS_INDICATOR_V4COMMAND_CLASS_POWERLEVEL_V1COMMAND_CLASS_SECURITY_V1COMMAND_CLASS_SECURITY_2_V1COMMAND_CLASS_MULTI_CHANNEL_V4COMMAND_CLASS_SUPERVISION_V2COMMAND_CLASS_FIRMWARE_UPDATE_MD_V7COMMAND_CLASS_CONFIGURATION_V4COMMAND_CLASS_SWITCH_BINARY_V2COMMAND_CLASS_APPLICATION_STATUS_V2COMMAND_CLASS_METER_V6Конечная точка 1:'Класс устройства:BASIC_TYPE_ROUTING_SLAVEGENERIC_TYPE_SWITCH_MULTILEVELSPECIFIC_TYPE_CLASS_B_MOTOR_CONTROLКоманда Классы: COMMAND_CLASS_ZWAVEPLUS_INFO_V2COMMAND_CLASS_SWITCH_MULTILEVEL_V4COMMAND_CLASS_ASSOCIATION_V3COMMAND_CLASS_ASSOCIATION_GRP_INFO_V3COMMAND_CLASS_MULTI_CHANNEL_ASSOCIATION_V4COMMAND_CLASS_NOTIFICATION_V9COMMAND_CLASS_SUPERVISION_V2COMMAND_CLASS_SECURITY_V1COMMAND_CLASS_SECURITY_2_V1COMMAND_CLASS_SWITCH_BINARY_V2COMMAND_CLASS_APPLICATION_STATUS_V1COMMAND_CLASS_METER_V6Конечная точка 2:'Устройство Класс:BASIC_TYPE_ROUTING_SLAVEGENERIC_TYPE_SWITCH_MULTILEVELSPECIFIC_TYPE_CLASS_B_MOTOR_CONTROLКоманда Классы: COMMAND_CLASS_ZWAVEPLUS_INFO_V2COMMAND_CLASS_SWITCH_MULTILEVEL_V4COMMAND_CLASS_ASSOCIATION_V3COMMAND_CLASS_ASSOCIATION_GRP_INFO_V3COMMAND_CLASS_MULTI_CHANNEL_ASSOCIATION_V4COMMAND_CLASS_NOTIFICATION_V9COMMAND_CLASS_SUPERVISION_V2COMMAND_CLASS_SECURITY_V1COMMAND_CLASS_SECURITY_2_V1COMMAND_CLASS_SWITCH_BINARY_V2COMMAND_CLASS_APPLICATION_STATUS_V1COMMAND_CLASS_METER_V6. Конечная точка 2 поддерживается модулем только в том случае, если параметр № 71 установлен в значение 1.УСТАНОВКА БАЗОВОГО КЛАССА КОМАНД И УСТАНОВКА МНОГОУРОВНЕВОГО ПЕРЕКЛЮЧАТЕЛЯ: Установить на 0x00 Перейти к 0%Установить на 0x01..0x62 Перейти к определенному целевому значениюУстановить на 0xFF Перейти к 100%ИЗМЕНЕНИЕ УРОВНЯ МНОГОУРОВНЕВОГО ПЕРЕКЛЮЧАТЕЛЯНачать внизПерейти к 0%Начать вверхПерейти к 100%Стоп СтопОСНОВНОЙ ОТЧЕТ И ОТЧЕТ О МНОГОУРОВНЕВОМ ПЕРЕКЛЮЧАТЕЛЕ:На 0%: 0x00Неизвестная позиция: 0xFEИзвестная позиция: 0x01..0x62 (Позиция приблизительная!)На 100%: 0x63УСТАНОВКА ДВОИЧНОГО ПЕРЕКЛЮЧАТЕЛЯ:Переход к 0%Установка двоичного переключателя = 0x00 Перейти к 0%Переход к 100%Установка двоичного переключателя = 0x00 СТОППереход к 0% Двоичный переключатель Set=0x01..0X63,0xFF STOP Переход к 100% Двоичный переключатель Set=0x01..0X63,0xFF Перейти к 100%COMMAND_CLASS_METER
- Значения по умолчанию:
- Тип тарифа = 1 (Импорт)
- Масштаб = 0 (кВт·ч) Потребление энергии (кВт·ч) отображается с шагом увеличения 0,1. Этот продукт может работать в любой сети Z-Wave с другими сертифицированными устройствами Z-Wave от других производителей. Все узлы сети, работающие от сети, будут действовать как ретрансляторы независимо от производителя, чтобы повысить надежность сети.
== Класс команд уведомлений == Нажмите, чтобы просмотреть класс команд уведомлений Z-Wave. Затвор Wave поддерживает следующие уведомления:
- В случае превышения мощности >1100 Вт более чем на 5 секунд, затвор автоматически отключает выход и отправляет уведомление о перегрузке.
- В случае превышения внутренней температуры устройства более чем на 5 секунд, затвор автоматически отключает выход и отправляет уведомление о перегреве. {
| class="wikitable" | - ! Тип уведомления ! Событие уведомления | - | Управление питанием (0x08) | Обнаружена перегрузка (0x08) | - | Сигнализация о перегреве (0x04) | Обнаружен перегрев (0x02) | } |}
== Ассоциации == Нажмите, чтобы просмотреть ассоциации Z-Wave. Ассоциации используются для прямой связи между устройством и другими устройствами в вашей сети Z-Wave без необходимости использования шлюза Z-Wave. Макс. Количество подключенных устройств в группе составляет 9. Это значение фиксировано и не может быть настроено. Каждая группа подключения поддерживает подключение до 9 устройств (узлов). Во избежание задержек в сети рекомендуется ограничивать количество подключенных устройств не более чем 5 на группу. Группа Lifeline зарезервирована исключительно для шлюза, поэтому к ней можно прикрепить только 1 узел. { | class="wikitable" | - ! Группа ! Имя ! Разрешенные узлы ! Описание | - | 1 | Lifeline | 1 | Зарезервировано для связи с основным шлюзом (хабом), разрешен 1 узел. Поддерживаются следующие классы команд: Локальный сброс устройства: запускается по запросу; Отчет по счетчику: запускается в соответствии с параметрами конфигурации; Отчет об уведомлениях: запускается при перегрузке/перегреве; Многоуровневый отчет коммутатора; Двоичный отчет коммутатора | - | 2 | Рольставни | 9 | Многоуровневое переключение положения жалюзи. Щелчок - начало изменения уровня. Щелчок - остановка изменения уровня. Запускается переключателем SW1 или SW2 | - | 3 | Венецианские | 9 | Многоуровневое переключение положения ламелей. Удержание - начало изменения уровня - отпускание - остановка изменения уровня. Запускается переключателем SW1 или SW2 | - | 4 | включение/выключение во время движения O1, O2 | | Группа 4: Базовое включение/выключение (запускается при определении направления движения ролика: вверх = FF, вниз = 00) до 16 узлов. Когда жалюзи поднимаются, жалюзи отправляют команду базовой установки ВКЛ на соответствующее устройство, и это устройство включается. Когда жалюзи опускаются, жалюзи отправляют команду базовой установки ВЫКЛ на соответствующее устройство, и устройство выключается | - | 5 | сверху = ВЫКЛ, снизу = ВКЛ | | Группа 5: Базовое включение/выключение (запускается при достижении положения ролика: снизу = FF, сверху = 0) до 16 узлов. Когда жалюзи достигают верхнего положения, ставень отправляет команду Basic set OFF на связанное устройство, и устройство выключается. Когда жалюзи достигают нижнего положения, ставень отправляет команду Basic set ON на связанное устройство, и устройство включается. | } |}'Описание:'Включить = ставень поднимается вверх = перемещается на 100%'Выключить = ставень опускается вниз = перемещается на 0%'Сопоставление ассоциаций:{ | class="wikitable" | - ! ! Связанные группы ! Примечание | - | Корневое устройство | 1,2,3,4,5,6,7 | Группы 6 и 7 сопоставлены с группами 2 и 3 E2. Группы с 1 по 5 сопоставлены с группами с 1 по 5 E1 | - | Конечная точка 1 (E1) | 1,2,3,4,5 | | - | Конечная точка 2 (E2) | 1,2,3 | | } |}Многоуровневые команды, отправляемые группам ассоциаций (режим затвора, параметр 71=0):{ | class="wikitable" | - ! Параметр 1 (тип переключателя) ! Входы ! Быстрое нажатие ! Удержание ! Отпускание | - | 0 - кнопка | SW1 или SW2 | Изменение уровня запуска/остановки группы 2. Устройство отправляет многоуровневое изменение уровня запуска переключателя ВВЕРХ или ВНИЗ | Изменение уровня запуска группы 3. Устройство отправляет многоуровневое изменение уровня запуска переключателя ВВЕРХ или ВНИЗ | Изменение уровня остановки группы 3. Устройство отправляет многоуровневое изменение уровня остановки переключателя) | - | 1 - переключатель | SW1 или SW2 | Изменение уровня запуска/остановки группы 2 | NA | NA | - | 2 - одиночная кнопка (SW1) | SW1 | Изменение уровня запуска/остановки группы 2 | Изменение уровня запуска группы 3 | Изменение уровня остановки группы 3 | } |}Многоуровневые команды, отправляемые группам ассоциаций (венецианский режим, параметр 71=1):{ | class="wikitable" | - ! Параметр 1 (тип переключателя) ! Входы ! Быстрое нажатие ! Удержание ! Отпускание | - | 0 - кнопка | SW1 или SW2 | Группа 2, изменение уровня запуска/остановки. Устройство отправляет сигнал многоуровневого изменения уровня запуска переключателя ВВЕРХ или ВНИЗ | NAD. Устройство не отправляет никаких ассоциаций | Группа 3, установка уровня - Только после отпускания кнопки устройство отправляет сигнал многоуровневого изменения уровня переключателя 0ГўВЂВ¦99%) | - | 1 - переключатель | SW1 или SW2 | Группа 2, изменение уровня запуска/остановки | NA | NA | - | 2 - одиночная кнопка (SW1) | SW1 | Группа 2, изменение уровня запуска/остановки | NAD. Устройство не отправляет никаких ассоциаций | Группа 3. Только после отпускания кнопки устройство отправляет сигнал многоуровневого переключения 0ГўВЂВ¦99%) | } |}
Z-Wave® Важное примечание
[править]Беспроводная связь Z-Wave® не всегда может быть на 100% надежной. Это устройство не следует использовать в ситуациях, когда жизнь и/или ценности полностью зависят от его функционирования. Если устройство не распознается вашим шлюзом или отображается неправильно, вам может потребоваться вручную изменить тип устройства и убедиться, что ваш шлюз поддерживает многоканальные устройства Z-Wave Plus®.
Устранение неполадок
[править]Для устранения неполадок посетите наш портал поддержки: Поддержка
Совместимость
[править]{ | class="wikitable" | - ! Функции волновых жалюзи ! - отчеты | - | Шлюз | Вверх | Вниз | SW Вверх | SW вниз | Вт | кВтч | Ламели | SW Ламели | Примечания | - | Home Assistant | | | | | | | | | | - | Fibaro HC 3 / двигатель Z-Wave 3 | | | | | | | | | | - | Домашний | | | | | | | | | | - | Homee Cube Gen 7 | | | | | | | ГўВќВЊ | ГўВќВЊ | *1 | - | Homee Cube Gen 5 | П | П | П | П | ГўВќВЊ | ГўВќВЊ | ГўВќВЊ | ГўВќВЊ | *1,
- 2,
- 3
| - | Умные вещи | | | | | ГўВќВЊ | ГўВќВЊ | | | с кромочным драйвером Shelly Wave
- 4
| - | Вера Эзло | | | | | | | | | | - | Уютить | | | | | | | | | | - | Заметки | *1 Нет виджета для управления ламелями.
- 2 Отчеты из пользовательского интерфейса отправляются только с помощью кнопок, ползунок отправляет устройство в нужное место, но не обновляет состояние.
- 3 Состояние обновляется только после нажатия кнопки «Стоп». (действительно для кнопок, подключенных к ПО, и ползунка в пользовательском интерфейсе)
- 4 Устройство отправляется в нужное положение, но положение не сообщается.
| } |} { | class="wikitable" | - ! Функция ! Значение / проверено | - | Вкл/Выкл | если устройство реагирует на команду включения/выключения в пользовательском интерфейсе приложения | - | Вкл/Выкл ПО | если устройство сообщает об изменении включения/выключения с помощью ввода ПО | - | Затемнение | если устройство реагирует на команду затемнения в пользовательском интерфейсе приложения | - | Затемнение ПО | если устройство сообщает об изменении состояния затемнения с помощью ввода ПО | - | Ватты | если сообщается значение Ватты (без запроса) | - | кВт·ч | если сообщается значение кВт·ч (без запроса) | - | Вверх/Вниз | Если устройство реагирует на команду «Вверх/Вниз» в пользовательском интерфейсе приложения | - | SW «Вверх/Вниз» | Если устройство сообщает об изменениях «Вверх/Вниз» через программный ввод | - | «Ленты» | Если ламели реагируют на команду пользовательского интерфейса приложения | - | SW «Ленты» | Если ламели сообщают об изменениях, внесенных программным обеспечением | - | D «Управление» | Отсоединенный режим, если устройство сообщает о командах сцены: однократное нажатие, двойное нажатие, … | - | D «Двоичный» | Отсоединенный режим, если устройство сообщает о двоичном включении/выключении через программный ввод | - | Номер датчика | Отображается ли отчет датчика на шлюзе, тип датчика указан в примечаниях. | } |} { | class="wikitable" | - ! Легенда | - | Символ | Состояние | - | | Работает / Возможно | - | ГўВќВЊ | Не работает / Невозможно | - | P | Частично | - | N/T | Не тестировалось | - | TBD | В процессе работы | } |}
Руководства по шлюзам
[править]Полезные руководства по шлюзам вы можете найти в базе знаний Z-Wave Shelly.
Примечания FCC
[править]- Данное устройство соответствует части 15 правил FCC.
- Эксплуатация осуществляется при соблюдении следующих двух условий: (1) данное устройство не должно создавать вредных помех, и (2) данное устройство должно принимать любые получаемые помехи, включая помехи, которые могут вызвать нежелательную работу.
- Производитель не несет ответственности за любые радио- или телевизионные помехи, вызванные несанкционированной модификацией или изменением данного оборудования. Такие модификации или изменения могут лишить пользователя права на эксплуатацию оборудования.
- Данное оборудование было протестировано и признано соответствующим ограничениям для цифровых устройств класса B в соответствии с частью 15 правил FCC. Эти ограничения предназначены для обеспечения разумной защиты от вредных помех в жилых помещениях. Данное оборудование генерирует, использует и может излучать радиочастотную энергию и, если оно не установлено и не используется в соответствии с инструкциями, может создавать вредные помехи для радиосвязи. Однако нет гарантии, что помехи не возникнут в конкретной установке. Если данное оборудование вызывает вредные помехи для приема радио- или телесигнала, что можно определить, выключив и включив оборудование, пользователю рекомендуется попытаться устранить помехи одним или несколькими из следующих способов:
- Переориентировать или переместить приемную антенну.
- Увеличить расстояние между оборудованием и приемником.
- Подключить оборудование к розетке в цепи, отличной от той, к которой подключен приемник.
- Обратиться за помощью к дилеру или опытному специалисту по радио/телевизионной технике.
- Заявление о воздействии радиочастотного излучения:
- Данное оборудование соответствует ограничениям FCC по воздействию излучения, установленным для неконтролируемой среды. Устройство было протестировано на соответствие общим требованиям к воздействию радиочастотного излучения. Устройство может использоваться в портативном режиме без ограничений.

== Утилизация и переработка == Это относится к отходам электрического и электронного оборудования. В США и других странах действует правило раздельного сбора отходов.
Этот символ на изделии или в сопроводительной документации указывает на то, что изделие не следует выбрасывать вместе с обычными бытовыми отходами. Затвор Shelly Wave Shutter необходимо утилизировать, чтобы избежать возможного вреда окружающей среде или здоровью человека от неконтролируемого захоронения отходов и способствовать повторному использованию материалов и ресурсов. Вы несете ответственность за утилизацию устройства отдельно от обычных бытовых отходов, когда оно уже непригодно к использованию.
Печатное руководство пользователя
[править]Wave_shutter_US_user_guide_V1.pdf"

